LEMON Manuals: Even more car manuals for everyone: 1960-2025
Home >> Infiniti >> 2007 >> M45 >> Repair and Diagnosis >> Brakes >> Traction Control >> Brake Control System >> VDC/TCS/Abs >> System Description >> System Diagram
April 5, 2026: LEMON Manuals is launched! Read the announcement.

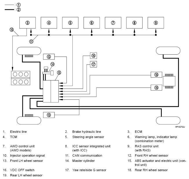
System Diagram

Fig 1: Brake Hydraulic Line - System Diagram
G05211827