LEMON Manuals: Even more car manuals for everyone: 1960-2025
Home >> Infiniti >> 2007 >> QX56 AWD >> Repair and Diagnosis >> Engine Performance >> System >> Engine Control System - DTCS P0137 To P0448 >> DTC P0171, P0174 Fuel Injection System Function >> Wiring Diagram >> Bank 1
April 5, 2026: LEMON Manuals is launched! Read the announcement.

Bank 1

For PG, go to POWER SUPPLY, GROUND & CIRCUIT ELEMENTS .

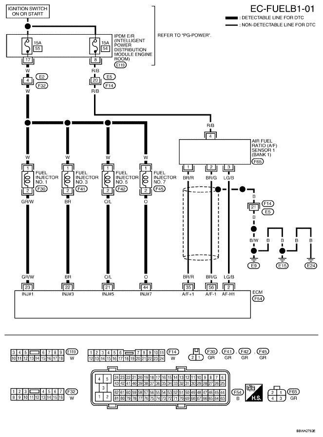
Fig 1: Wiring Diagram - EC-FUELB1-01
G05228722Courtesy of NISSAN NORTH AMERICA, INC.

Specification data are reference values and are measured between each terminal and ground.

Pulse signal is measured by CONSULT-II.

CAUTION: Do not use ECM ground terminals when measuring input/output voltage. Doing so may result in damage to the ECM's transistor. Use a ground other than ECM terminals, such as the ground.
INPUT/OUTPUT VOLTAGE CHART

TERMINAL NO. WIRE COLOR ITEM CONDITION DATA (DC Voltage)
2 LG/B A/F sensor 1 heater (bank 1) [Engine is running] 
  • Warm-up condition 
  • Idle speed (More than 140 seconds after starting engine)
G04900085Courtesy of NISSAN NORTH AMERICA, INC.
21
22
23
44
O/L
BR
GR/W
O
Fuel injector No. 5
Fuel injector No. 3
Fuel injector No. 1
Fuel injector No. 7
[Engine is running] 
  • Warm-up condition 
  • Idle speed
NOTE: The pulse cycle changes depending on rpm at idle.
G04900345Courtesy of NISSAN NORTH AMERICA, INC.
[Engine is running] 
  • Warm-up condition 
  • Engine speed: 2, 000 rpm
G04900346Courtesy of NISSAN NORTH AMERICA, INC.
35 BR/R A/F sensor 1 (bank 1) [Engine is running] 
  • Warm-up condition 
  • Engine speed: 2, 000 rpm
Approximately 1.8V Output voltage varies with air fuel ratio.
56 BR/G A/F sensor 1 (bank 1) [Ignition switch: ON]  Approximately 2.2V
*: Average voltage for pulse signal (Actual pulse signal can be confirmed by oscilloscope.)