LEMON Manuals: Even more car manuals for everyone: 1960-2025
Home >> Infiniti >> 2007 >> QX56 AWD >> Repair and Diagnosis >> Engine Performance >> System >> Engine Control System - DTCS P1225 To P2A03 >> DTC P1550 Battery Current Sensor >> Wiring Diagram
April 5, 2026: LEMON Manuals is launched! Read the announcement.

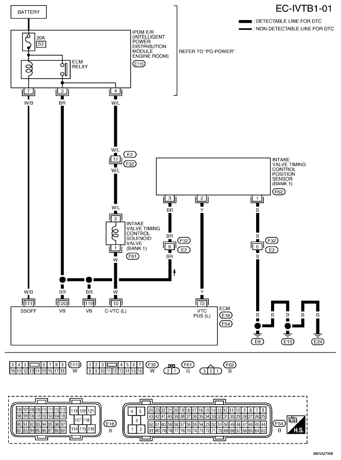
DTC P1550 Battery Current Sensor: Wiring Diagram

For PG, go to POWER SUPPLY, GROUND & CIRCUIT ELEMENTS .

Fig 1: Wiring Diagram - EC-IVTB1-01
G05228521Courtesy of NISSAN NORTH AMERICA, INC.

Specification data are reference values and are measured between each terminal and ground.

CAUTION: Do not use ECM ground terminals when measuring input/output voltage. Doing so may result in damage to the ECM's transistor. Use a ground other than ECM terminals, such as the ground.
INPUT/OUTPUT VOLTAGE CHART

TERMINAL NO. WIRE COLOR ITEM CONDITION DATA (DC Voltage)
49 R/Y Sensor power supply
(Battery current sensor)
[Ignition switch: ON]  Approximately 5V
67 B Sensor ground
(Battery current sensor)
[Engine is running] 
  • Warm-up condition 
  • Idle speed
Approximately 0V
71 R Battery current sensor [Engine is running] 
  • Battery: Fully charged(1)
  • Idle speed
Approximately 2.6 - 3.5V
(1) Before measuring the terminal voltage, confirm that the battery is fully charged. Refer to "SPECIFIC GRAVITY CHECK ".