LEMON Manuals: Even more car manuals for everyone: 1960-2025
Home >> Infiniti >> 2007 >> QX56 AWD >> Repair and Diagnosis >> Engine Performance >> System >> Engine Control System - Introduction >> Trouble Diagnosis >> Circuit Diagram
April 5, 2026: LEMON Manuals is launched! Read the announcement.

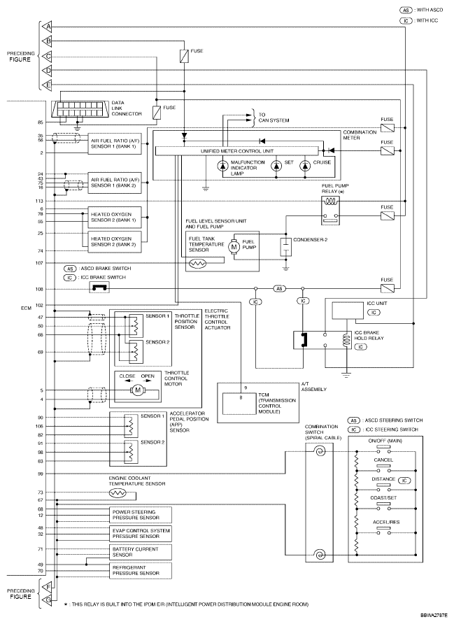
Circuit Diagram

Fig 1: Engine Control System - Circuit Diagram (1 Of 2)
G05228461Courtesy of NISSAN NORTH AMERICA, INC.
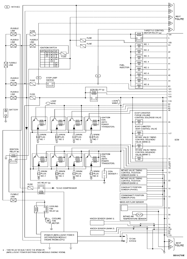
Fig 2: Engine Control System - Circuit Diagram (2 Of 2)
G05228462Courtesy of NISSAN NORTH AMERICA, INC.