LEMON Manuals: Even more car manuals for everyone: 1960-2025
Home >> Infiniti >> 2007 >> QX56 RWD >> Repair and Diagnosis >> Engine Performance >> Fuel Delivery >> Fuel System >> Fuel Tank >> Removal and Installation >> Notes
April 5, 2026: LEMON Manuals is launched! Read the announcement.

Removal and Installation: Notes

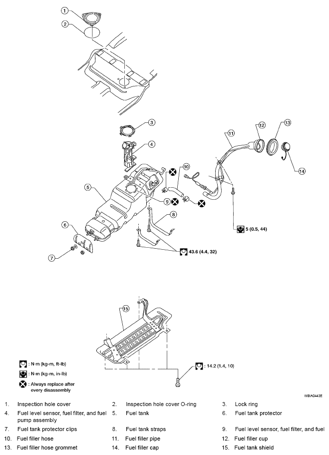
Fig 1: Identifying Fuel Tank Components
G05229244Courtesy of NISSAN MOTOR CO., U.S.A.