LEMON Manuals: Even more car manuals for everyone: 1960-2025
Home >> Infiniti >> 2013 >> EX37 Base, AWD >> Repair and Diagnosis >> External Pages >> Different car >> Section 32 (Security Control System) >> Component Diagnosis >> Vehicle Security System >> Wiring Diagram - VEHICLE SECURITY SYSTEM
April 5, 2026: LEMON Manuals is launched! Read the announcement.

Wiring Diagram - VEHICLE SECURITY SYSTEM

WARNING: This page is about a different car, the 2008 Infiniti EX35. However, it is still accessible from the selected car via links, so may be relevant.
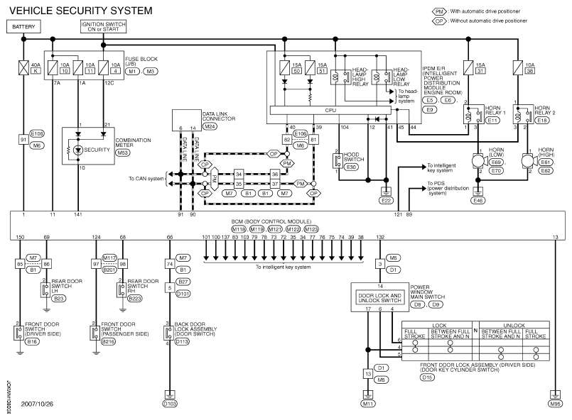
Fig 1: Identifying Vehicle Security System - Wiring Diagram
G05728404Courtesy of NISSAN MOTOR CO., U.S.A.
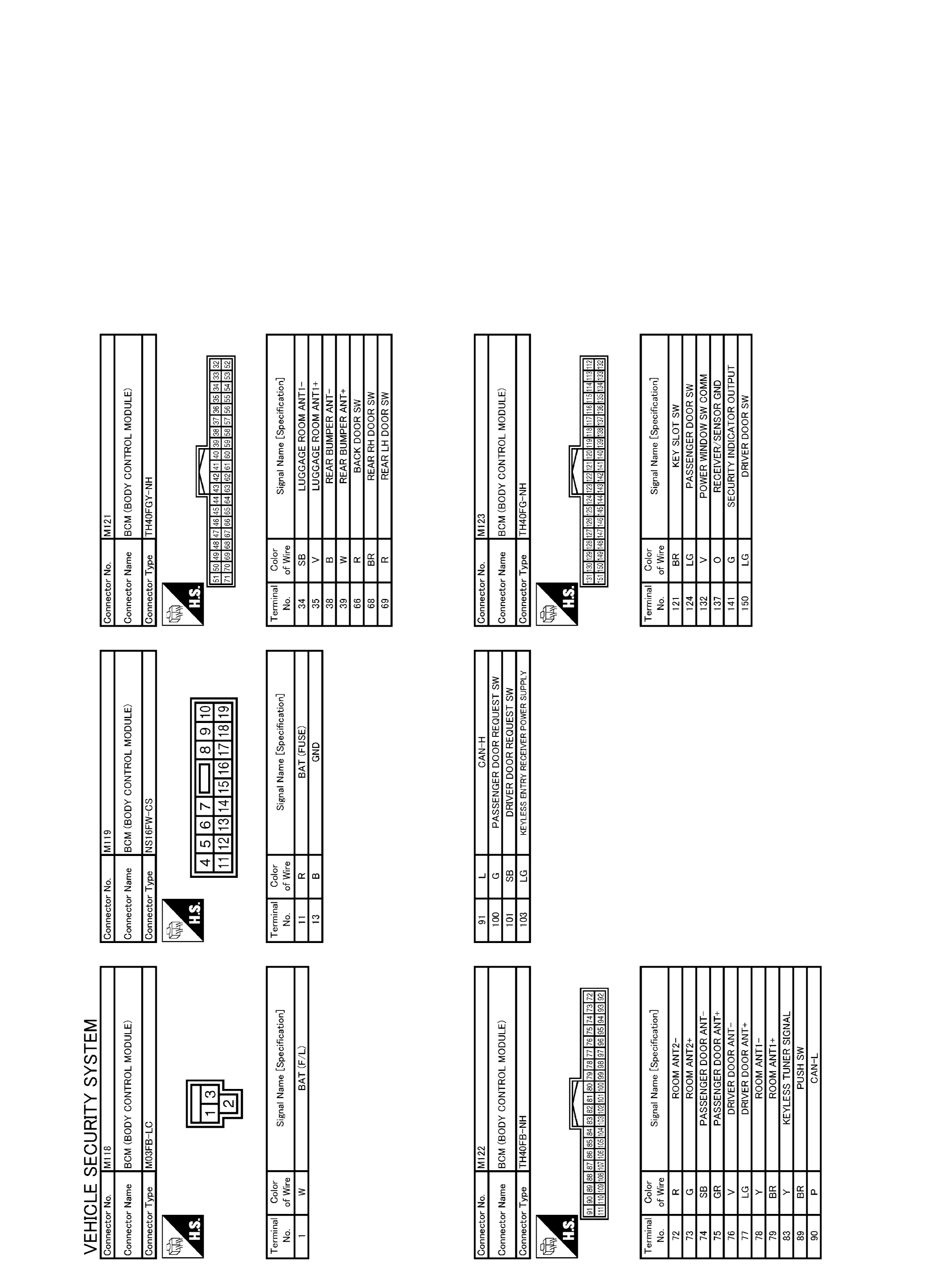
Fig 2: Identifying Vehicle Security System Connector Terminals (1 Of 5)
G05728405Courtesy of NISSAN MOTOR CO., U.S.A.
Fig 3: Identifying Vehicle Security System Connector Terminals (2 Of 5)
G05728406Courtesy of NISSAN MOTOR CO., U.S.A.
Fig 4: Identifying Vehicle Security System Connector Terminals (3 Of 5)
G05728407Courtesy of NISSAN MOTOR CO., U.S.A.
Fig 5: Identifying Vehicle Security System Connector Terminals (4 Of 5)
G05728408Courtesy of NISSAN MOTOR CO., U.S.A.
Fig 6: Identifying Vehicle Security System Connector Terminals (5 Of 5)
G05728409Courtesy of NISSAN MOTOR CO., U.S.A.