LEMON Manuals: Even more car manuals for everyone: 1960-2025
Home >> Infiniti >> 2013 >> EX37 Base, AWD >> Repair and Diagnosis >> Transmission >> Automatic Transmission >> Removal And Installation >> A/T Shift Selector >> Exploded View
April 5, 2026: LEMON Manuals is launched! Read the announcement.

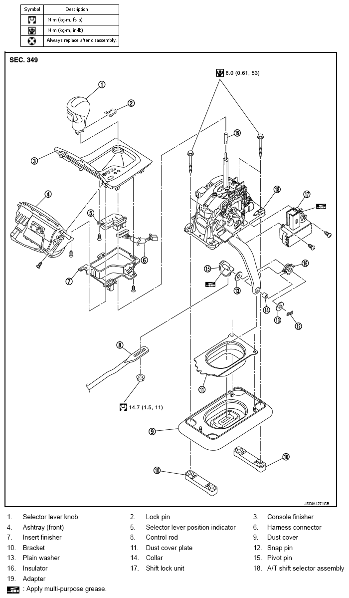
Exploded View

Fig 1: Exploded View Of A/T Shift Selector With Torque Specifications
G08992479Courtesy of NISSAN NORTH AMERICA, INC.

Refer to "COMPONENTS " for symbols not described on the above.