LEMON Manuals: Even more car manuals for everyone: 1960-2025
Home >> Infiniti >> 2013 >> FX37 Base, AWD >> Repair and Diagnosis >> Transmission >> Automatic Transmission >> System Description >> Shift Mechanism >> System Diagram
April 5, 2026: LEMON Manuals is launched! Read the announcement.

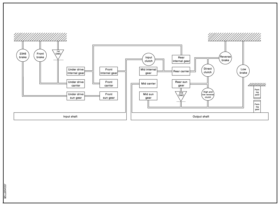
System Diagram

Fig 1: Shift Mechanism System Diagram
G09001717Courtesy of NISSAN NORTH AMERICA, INC.