LEMON Manuals: Even more car manuals for everyone: 1960-2025
Home >> Infiniti >> 2013 >> FX37 Base, RWD >> Repair and Diagnosis >> Engine Performance >> System >> Engine Control System - Component Testing >> Ecu Diagnosis Information >> VVEL Control Module >> Wiring Diagram - ENGINE CONTROL SYSTEM
April 5, 2026: LEMON Manuals is launched! Read the announcement.

Wiring Diagram - ENGINE CONTROL SYSTEM

For connector terminal arrangements, harness layouts, and letters in a "diamond shape" symbol (option abbreviation; if not described in wiring diagram), refer to "CONNECTOR INFORMATION ".

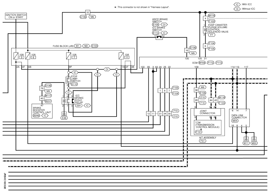
Fig 1: Engine Control System Wiring Diagram (1 Of 6)
G09001003Courtesy of NISSAN NORTH AMERICA, INC.
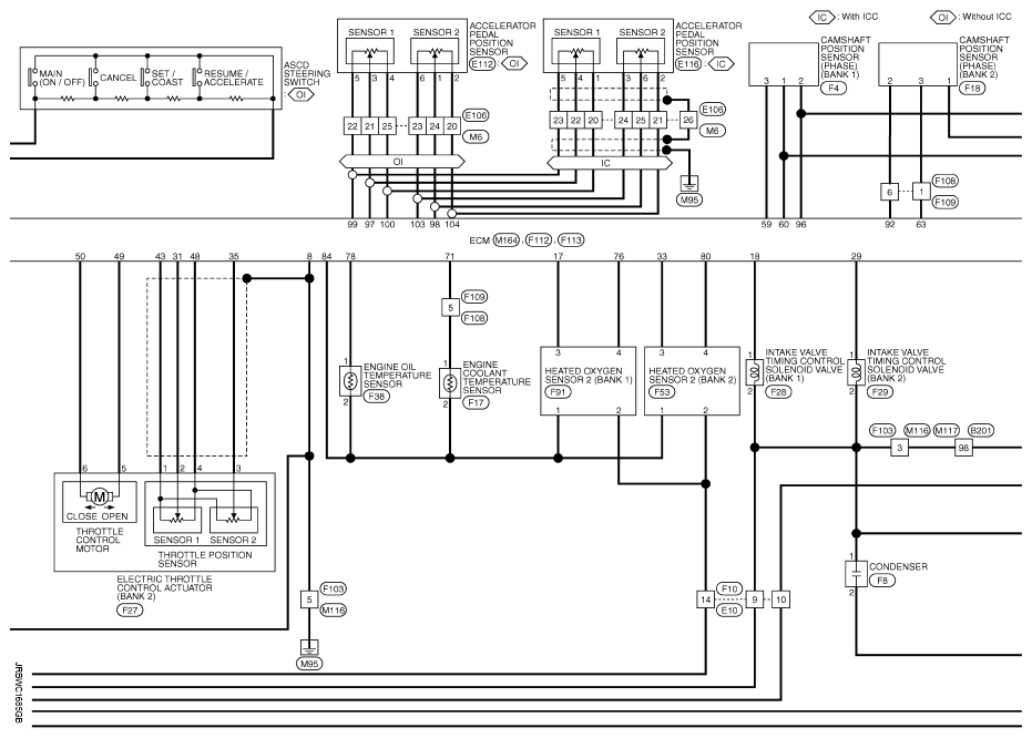
Fig 2: Engine Control System Wiring Diagram (2 Of 6)
G09001004Courtesy of NISSAN NORTH AMERICA, INC.
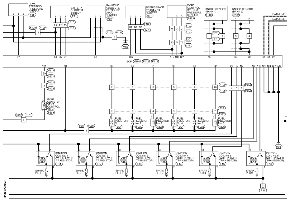
Fig 3: Engine Control System Wiring Diagram (3 Of 6)
G09001005Courtesy of NISSAN NORTH AMERICA, INC.
Fig 4: Engine Control System Wiring Diagram (4 Of 6)
G09001006Courtesy of NISSAN NORTH AMERICA, INC.
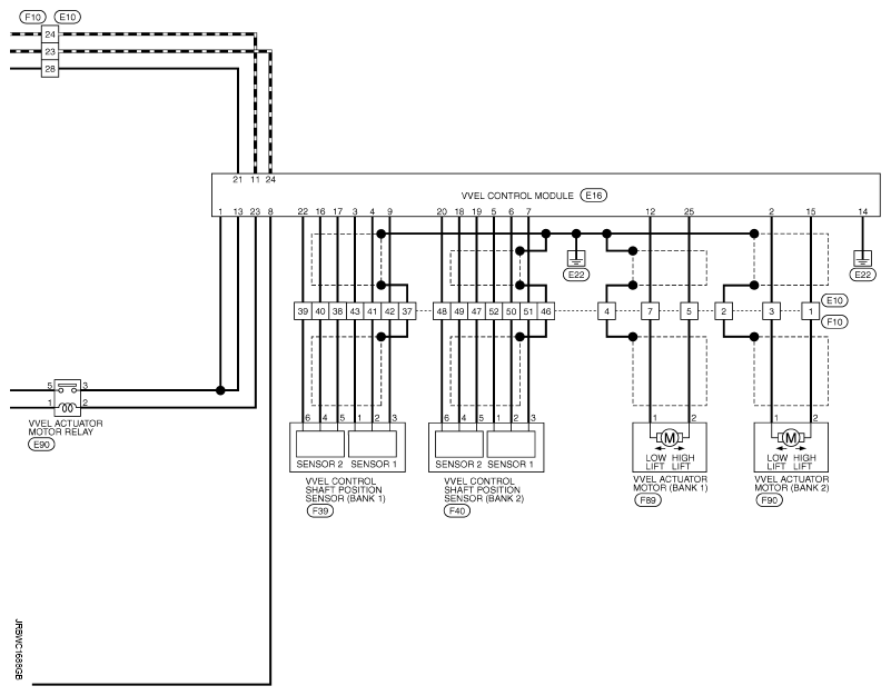
Fig 5: Engine Control System Wiring Diagram (5 Of 6)
G09001007Courtesy of NISSAN NORTH AMERICA, INC.
Fig 6: Engine Control System Wiring Diagram (6 Of 6)
G09001008Courtesy of NISSAN NORTH AMERICA, INC.