LEMON Manuals: Even more car manuals for everyone: 1960-2025
Home >> Infiniti >> 2013 >> FX37 Limited Edition >> Repair and Diagnosis >> Engine Mechanical >> Engine Lubrication System >> System Description >> Description >> Engine Lubrication System
April 5, 2026: LEMON Manuals is launched! Read the announcement.

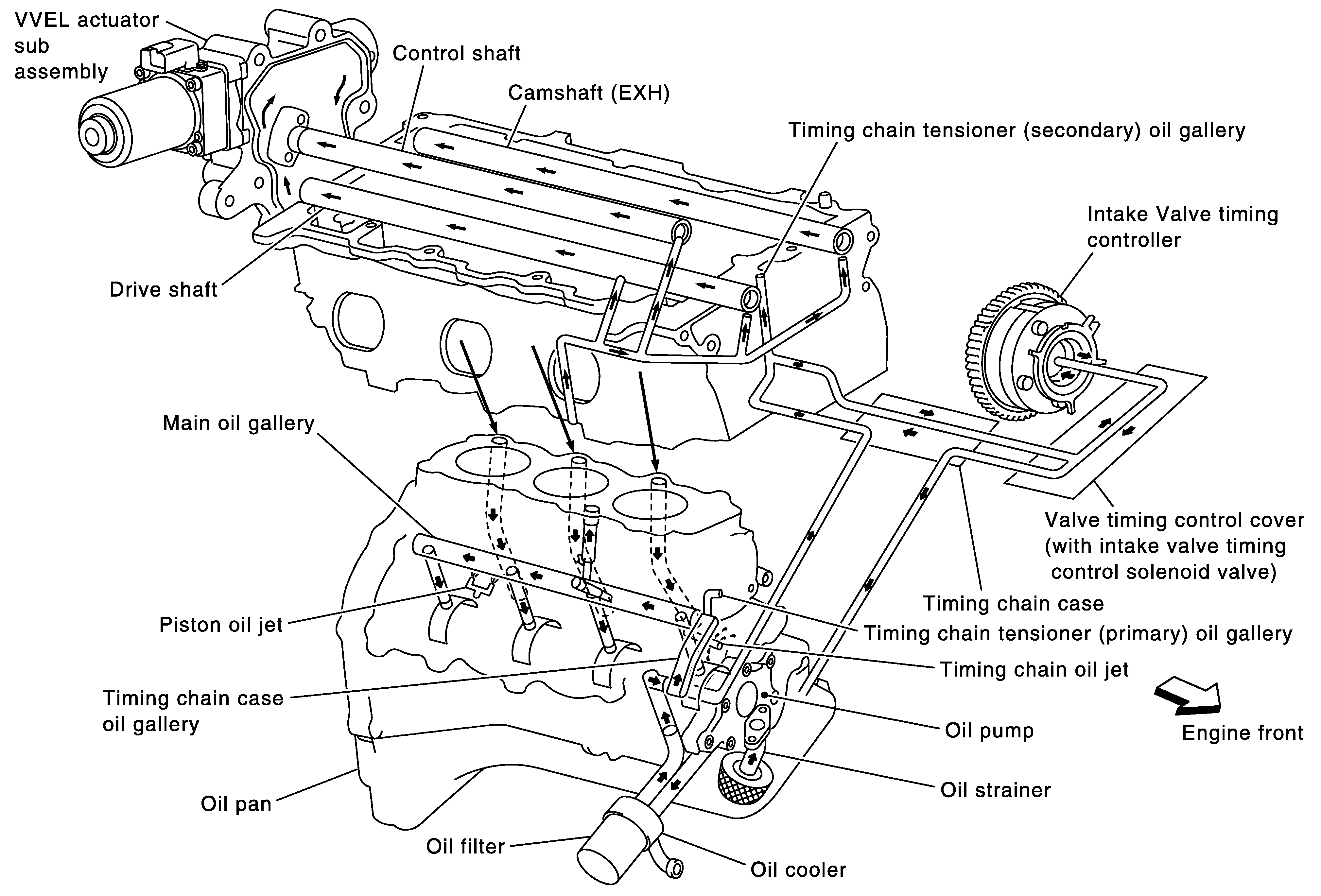
Engine Lubrication System

Fig 1: Engine Lubrication System Flow Diagram
G05733089Courtesy of NISSAN NORTH AMERICA, INC.
NOTE: Without oil cooler for 2WD models