LEMON Manuals: Even more car manuals for everyone: 1960-2025
Home >> Infiniti >> 2013 >> FX50 >> Repair and Diagnosis >> Engine Performance >> Testing & Diagnosis >> Engine Control System (Introduction) >> System Description >> Engine Control System >> System Diagram
April 5, 2026: LEMON Manuals is launched! Read the announcement.

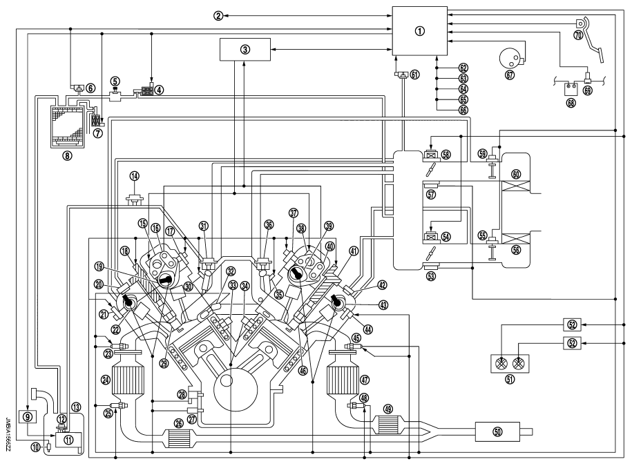
System Diagram

Fig 1: Engine Control System Diagram (1 Of 2)
G09001059Courtesy of NISSAN NORTH AMERICA, INC.
Fig 2: Engine Control System Diagram (2 Of 2)
G09001060Courtesy of NISSAN NORTH AMERICA, INC.

*: Except for Mexico