LEMON Manuals: Even more car manuals for everyone: 1960-2025
Home >> Infiniti >> 2013 >> G37 Base >> Repair and Diagnosis >> Transmission >> Automatic Transmission (Convertible) >> Unit Disassembly And Assembly >> Transmission Assembly >> Exploded View
April 5, 2026: LEMON Manuals is launched! Read the announcement.

Exploded View

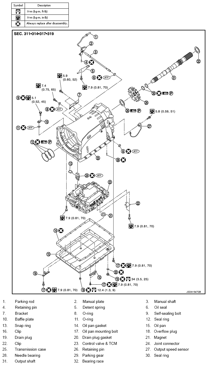
Fig 1: Exploded View Of Transmission Assembly With Torque Specifications (1 Of 5)
G08740245Courtesy of NISSAN NORTH AMERICA, INC.

Refer to "COMPONENTS " for symbols not described on the above.

Fig 2: Exploded View Of Transmission Assembly With Torque Specifications (2 Of 5)
G08740246Courtesy of NISSAN NORTH AMERICA, INC.

Refer to "COMPONENTS " for symbols not described on the above.

Fig 3: Exploded View Of Transmission Assembly With Torque Specifications (3 Of 5)
G08740247Courtesy of NISSAN NORTH AMERICA, INC.

Refer to "COMPONENTS " for symbols in the figure.

Fig 4: Exploded View Of Transmission Assembly With Torque Specifications (4 Of 5)
G08740248Courtesy of NISSAN NORTH AMERICA, INC.

Refer to "COMPONENTS " for symbols in the figure.

Fig 5: Exploded View Of Transmission Assembly With Torque Specifications (5 Of 5)
G08740249Courtesy of NISSAN NORTH AMERICA, INC.

Refer to "COMPONENTS " for symbols in the figure.