LEMON Manuals: Even more car manuals for everyone: 1960-2025
Home >> Infiniti >> 2013 >> G37 IPL, 2D Convertible >> Repair and Diagnosis >> Engine Performance >> System >> Engine Control System - Component Testing (Convertible) >> Ecu Diagnosis Information >> VVEL Control Module >> Wiring Diagram - ENGINE CONTROL SYSTEM
April 5, 2026: LEMON Manuals is launched! Read the announcement.

Wiring Diagram - ENGINE CONTROL SYSTEM

For connector terminal arrangements, harness layouts, and letters in a "diamond shape" symbol (option abbreviation; if not described in wiring diagram), refer to "CONNECTOR INFORMATION ".

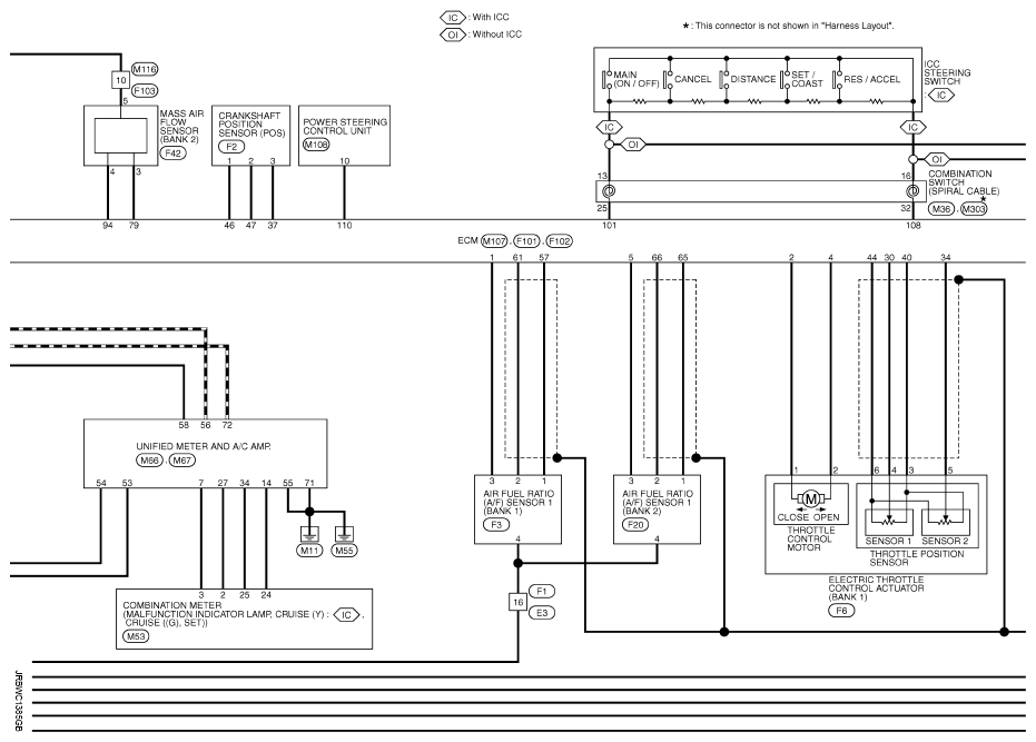
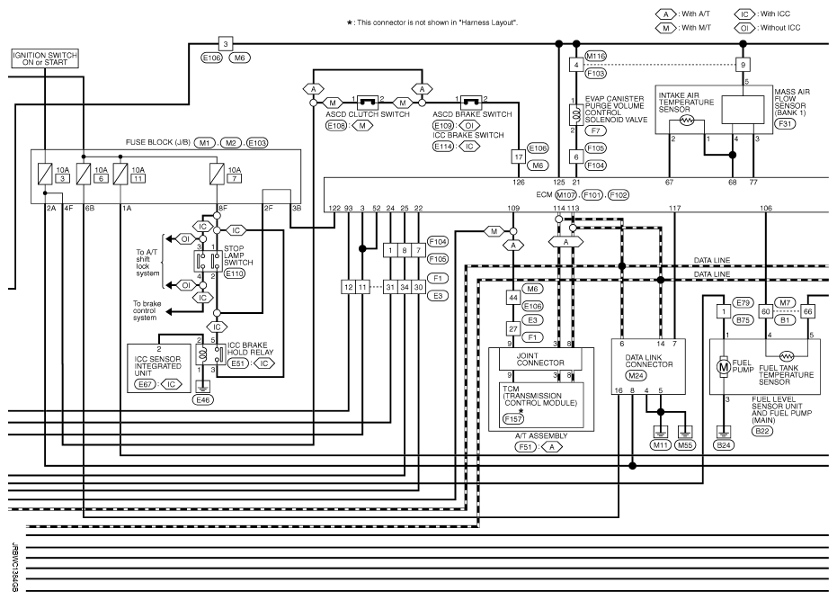
Fig 1: Engine Control System Wiring Diagram (1 Of 6)
G08736294Courtesy of NISSAN NORTH AMERICA, INC.
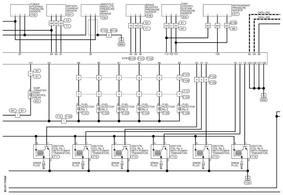
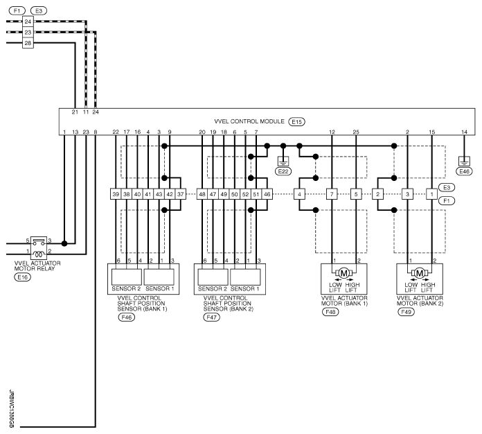
Fig 2: Engine Control System Wiring Diagram (2 Of 6)
G08736295Courtesy of NISSAN NORTH AMERICA, INC.
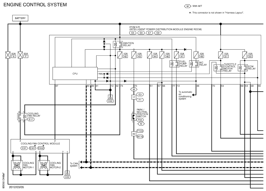
Fig 3: Engine Control System Wiring Diagram (3 Of 6)
G08736296Courtesy of NISSAN NORTH AMERICA, INC.
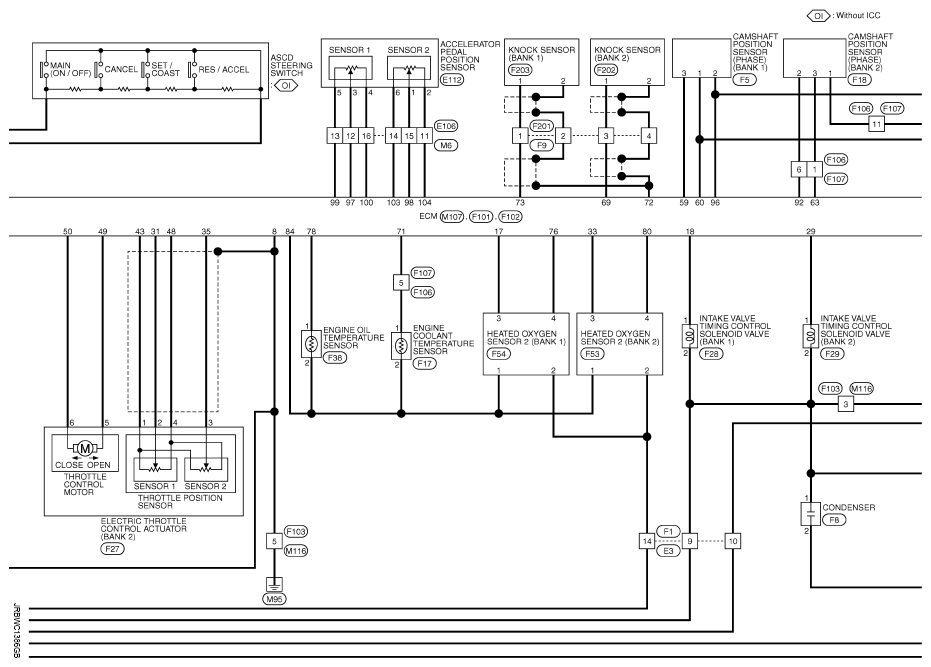
Fig 4: Engine Control System Wiring Diagram (4 Of 6)
G08736297Courtesy of NISSAN NORTH AMERICA, INC.
Fig 5: Engine Control System Wiring Diagram (5 Of 6)
G08736298Courtesy of NISSAN NORTH AMERICA, INC.
Fig 6: Engine Control System Wiring Diagram (6 Of 6)
G08736299Courtesy of NISSAN NORTH AMERICA, INC.