LEMON Manuals: Even more car manuals for everyone: 1960-2025
Home >> Infiniti >> 2013 >> G37 IPL, 2D Convertible >> Repair and Diagnosis >> External Pages >> Different variant/trim >> Section 64 (Power Control System (Power Distribution System) (Sedan)) >> Ecu Diagnosis Information >> BCM (Body Control Module) >> Wiring Diagram - BCM -
April 5, 2026: LEMON Manuals is launched! Read the announcement.

Wiring Diagram - BCM -

WARNING: This page is about a different variant/trim than selected.

For connector terminal arrangements, harness layouts, and letters in a (option abbreviation; if not described in wiring diagram), refer to "CONNECTOR INFORMATION ".

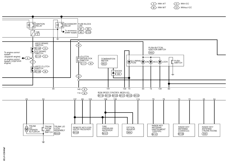
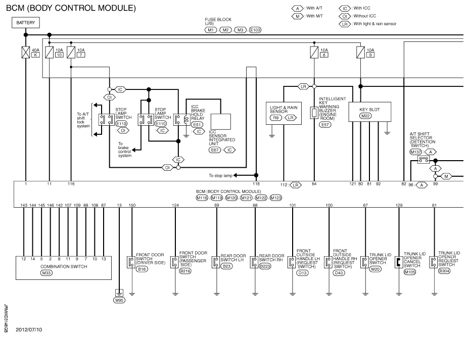
Fig 1: Body Control Module Wiring Diagram (1 Of 5)
G09013067Courtesy of NISSAN NORTH AMERICA, INC.
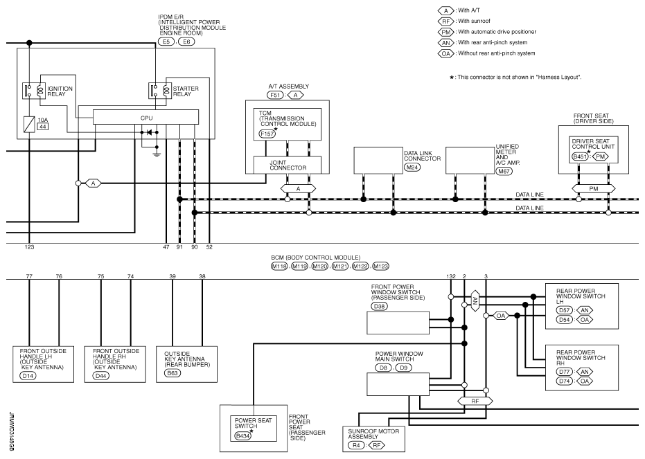
Fig 2: Body Control Module Wiring Diagram (2 Of 5)
G09013068Courtesy of NISSAN NORTH AMERICA, INC.
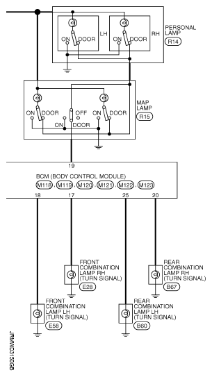
Fig 3: Body Control Module Wiring Diagram (3 Of 5)
G09013069Courtesy of NISSAN NORTH AMERICA, INC.
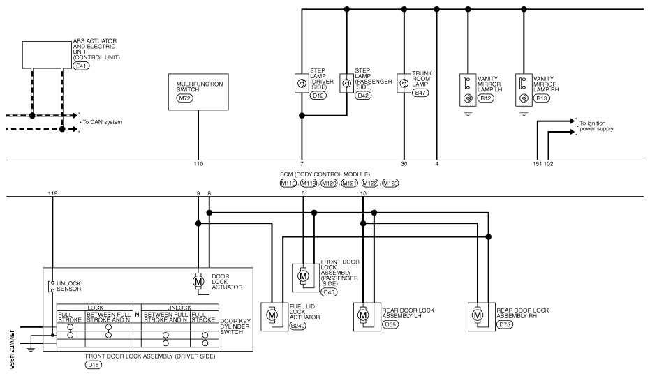
Fig 4: Body Control Module Wiring Diagram (4 Of 5)
G09013070Courtesy of NISSAN NORTH AMERICA, INC.
Fig 5: Body Control Module Wiring Diagram (5 Of 5)
G09013071Courtesy of NISSAN NORTH AMERICA, INC.