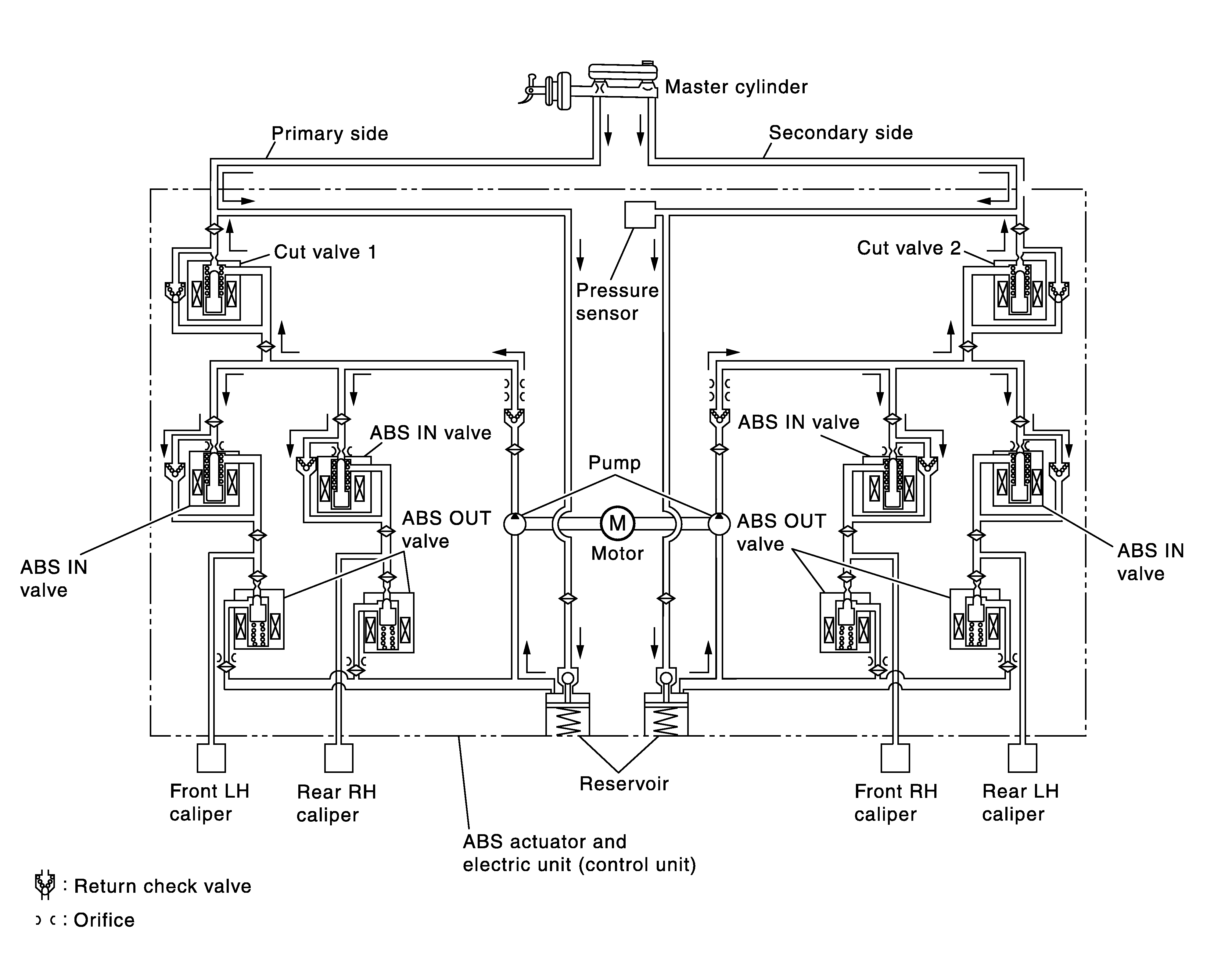
Valve Operation (Abs And EBD): Notes
Each valve is operated and fluid pressure of brake caliper is controlled.
When ordinary brake is applied and ABS is in operation (when pressure increases).
| Name | Not activated | When Pressure Increases |
|---|---|---|
| Cut valve 1 | Power supply is not supplied (open) | Power supply is not supplied (open) |
| Cut valve 2 | Power supply is not supplied (open) | Power supply is not supplied (open) |
| ABS IN valve | Power supply is not supplied (open) | Power supply is not supplied (open) |
| ABS OUT valve | Power supply is not supplied (close) | Power supply is not supplied (close) |
| Each caliper (fluid pressure) | - | Pressure increases |
When front RH wheel caliper pressure increases
- Motor is activated. Brake fluid is pressurized by pump and is sent to secondary line through cut valve 2. At the same time, pressurized brake fluid is supplied to front RH caliper through ABS IN valve.
When front LH wheel caliper pressure increases
- Motor is activated. Brake fluid is pressurized by pump and is sent to primary line through cut valve 1. At the same time, pressurized brake fluid is supplied to front LH wheel caliper through ABS IN valve.
When rear RH wheel caliper pressure increases
- Motor is activated. Brake fluid is pressurized by pump and is sent to primary line through cut valve 1. At the same time, pressurized brake fluid is supplied to rear RH wheel caliper through ABS IN valve.
When rear LH wheel caliper pressure increases
- Motor is activated. Brake fluid is pressurized by pump and is sent to secondary line through cut valve 2. At the same time, pressurized brake fluid is supplied to rear LH wheel caliper through ABS IN valve.
When ABS operation starts (when pressure holds)
| Name | Not activated | When pressure holds |
|---|---|---|
| Cut valve 1 | Power supply is not supplied (open) | Power supply is not supplied (open) |
| Cut valve 2 | Power supply is not supplied (open) | Power supply is not supplied (open) |
| ABS IN valve | Power supply is not supplied (open) | Power supply is supplied (close) |
| ABS OUT valve | Power supply is not supplied (close) | Power supply is not supplied (close) |
| Each caliper (fluid pressure) | - | Pressure holds |
When front RH wheel caliper pressure holds
- Motor is activated. Brake fluid is pressurized by pump and is sent to secondary line through cut valve 2. At the same time, because ABS IN valve and ABS OUT vale are closed, fluid pressure holds.
When front LH wheel caliper pressure holds
- Motor is activated. Brake fluid is pressurized by pump and is sent to primary line through cut valve 1. At the same time, because ABS IN valve and ABS OUT vale are closed, fluid pressure holds.
When rear RH wheel caliper pressure holds
- Motor is activated. Brake fluid is pressurized by pump and is sent to primary line through cut valve 1. At the same time, because ABS IN valve and ABS OUT vale are closed, fluid pressure holds.
When rear LH wheel caliper pressure holds
- Motor is activated. Brake fluid is pressurized by pump and is sent to secondary line through cut valve 2. At the same time, because ABS IN valve and ABS OUT vale are closed, fluid pressure holds.
ABS is in operation (when pressure decreases)
| Name | Not activated | When pressure decreases |
|---|---|---|
| Cut valve 1 | Power supply is not supplied (open) | Power supply is not supplied (open) |
| Cut valve 2 | Power supply is not supplied (open) | Power supply is not supplied (open) |
| ABS IN valve | Power supply is not supplied (open) | Power supply is supplied (close) |
| ABS OUT valve | Power supply is not supplied | (close) Power supply is supplied (open) |
| Each caliper (fluid pressure) | - | Pressure decreases |
When front RH wheel caliper pressure decreases
- Being supplied to reservoir through ABS OUT valve, the fluid pressure of brake caliper is decreased.
When front LH wheel caliper pressure decreases
- Being supplied to reservoir through ABS OUT valve, the fluid pressure of brake caliper is decreased.
When rear RH wheel caliper pressure decreases
- Being supplied to reservoir through ABS OUT valve, the fluid pressure of brake caliper is decreased.
When rear LH wheel caliper pressure decreases
- Being supplied to reservoir through ABS OUT valve, the fluid pressure of brake caliper is decreased.