LEMON Manuals: Even more car manuals for everyone: 1960-2025
Home >> Infiniti >> 2015 >> Q40 AWD >> Repair and Diagnosis >> Accessories & Equipment >> Anti-Theft Systems >> Security Control System >> DTC/Circuit Diagnosis >> Vehicle Security System >> Vehicle Security System Wiring Diagram
April 5, 2026: LEMON Manuals is launched! Read the announcement.

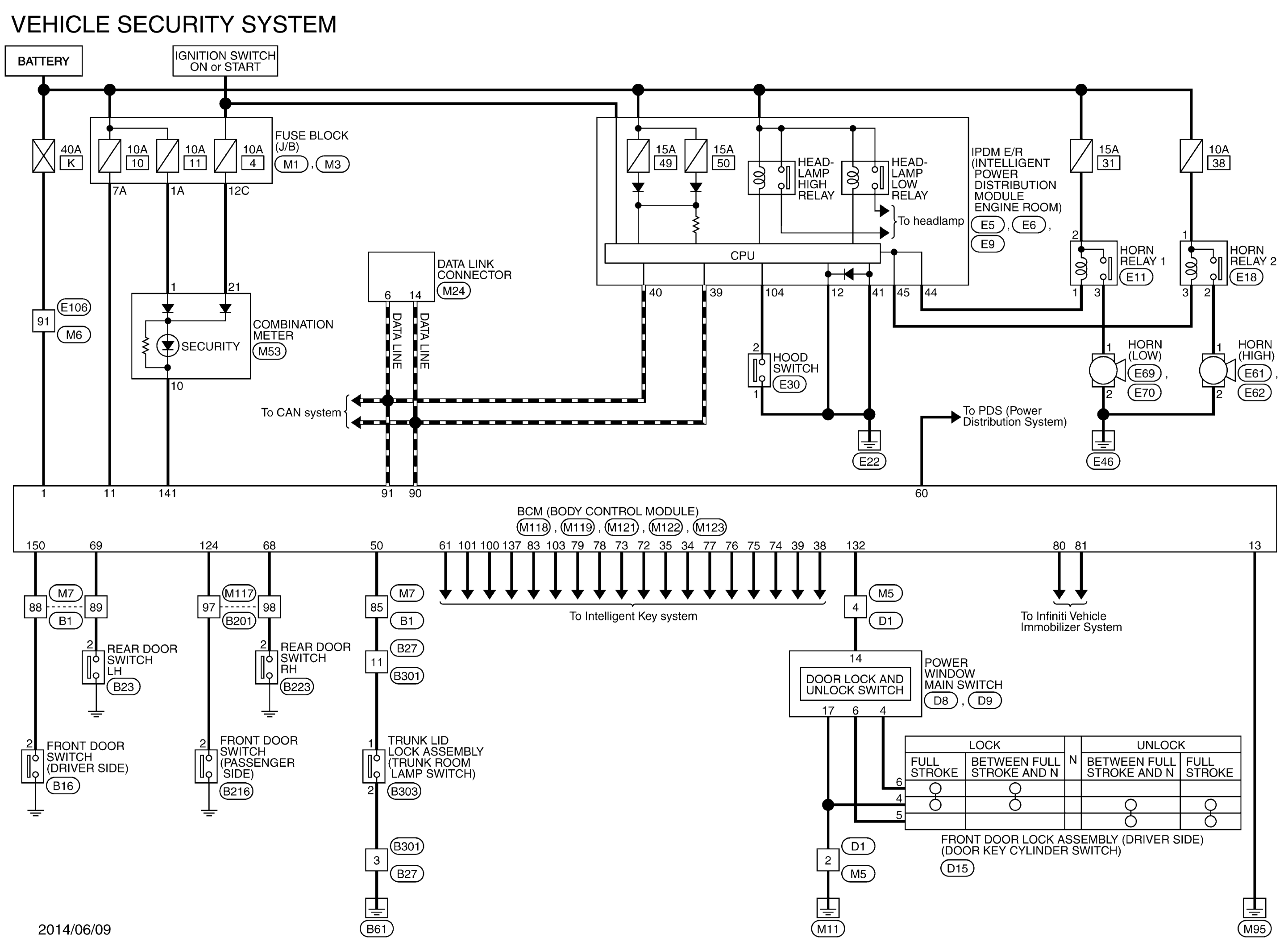
Vehicle Security System Wiring Diagram

Fig 1: Vehicle Security System Wiring Diagram
GNSJRKWD7583GB-583Courtesy of NISSAN NORTH AMERICA, INC.