LEMON Manuals: Even more car manuals for everyone: 1960-2025
Home >> Infiniti >> 2015 >> Q40 AWD >> Repair and Diagnosis >> Body & Frame >> Windows >> Power Window Control System >> Ecu Diagnosis Information >> Power Window Main Switch >> Power Window Control System Wiring Diagram
April 5, 2026: LEMON Manuals is launched! Read the announcement.

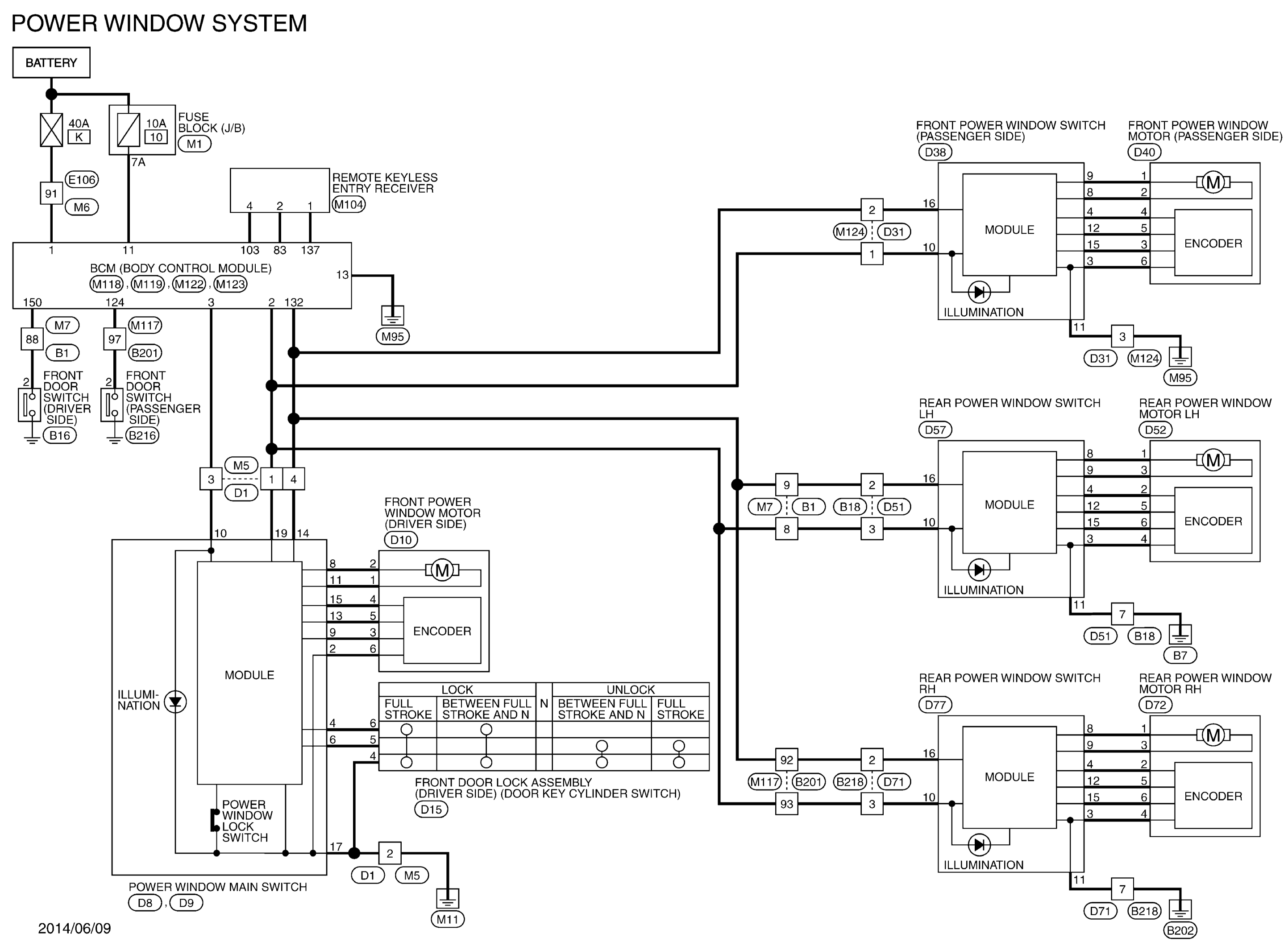
Power Window Control System Wiring Diagram

Fig 1: Power Window Control System Wiring Diagram
GNSJRKWD7584GB-584Courtesy of NISSAN NORTH AMERICA, INC.