LEMON Manuals: Even more car manuals for everyone: 1960-2025
Home >> Infiniti >> 2015 >> Q40 AWD >> Repair and Diagnosis >> Electrical >> Body Electrical >> Power Control System (Power Distribution System) >> DTC/Circuit Diagnosis >> Power Distribution System >> PDS (Power Distribution System) Wiring Diagram
April 5, 2026: LEMON Manuals is launched! Read the announcement.

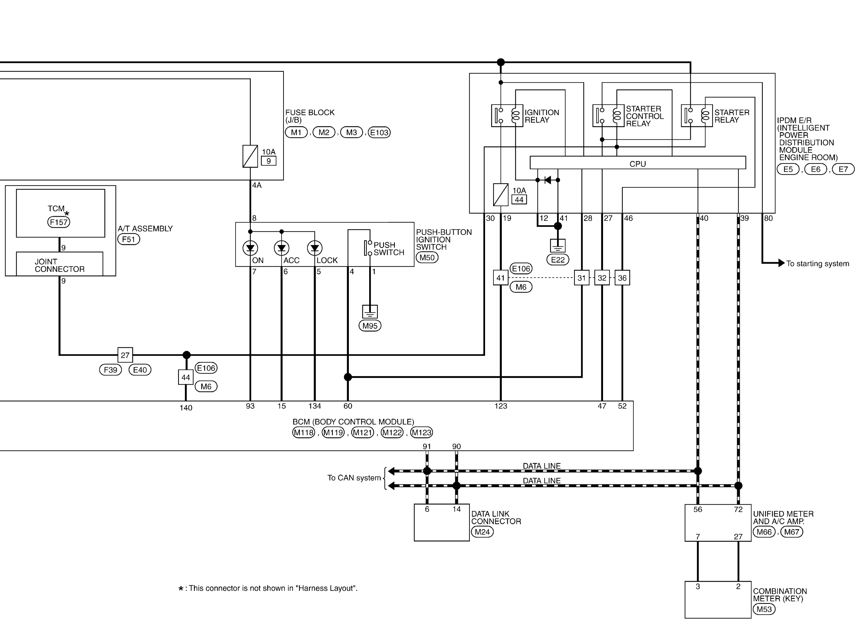
PDS (Power Distribution System) Wiring Diagram

Fig 1: PDS (Power Distribution System) Wiring Diagram (1 Of 2)
GNSJRMWF9367GB-367Courtesy of NISSAN NORTH AMERICA, INC.
Fig 2: PDS (Power Distribution System) Wiring Diagram (2 Of 2)
GNSJRMWF9368GB-368Courtesy of NISSAN NORTH AMERICA, INC.