LEMON Manuals: Even more car manuals for everyone: 1960-2025
Home >> Infiniti >> 2015 >> Q60 Base, 2D Convertible >> Repair and Diagnosis (Single Page) >> Electrical >> Body Electrical >> Power Control System (Power Distribution System) (Convertible) >> DTC/Circuit Diagnosis >> Power Distribution System >> Wiring Diagram - PDS (Power Distribution System) -
April 5, 2026: LEMON Manuals is launched! Read the announcement.

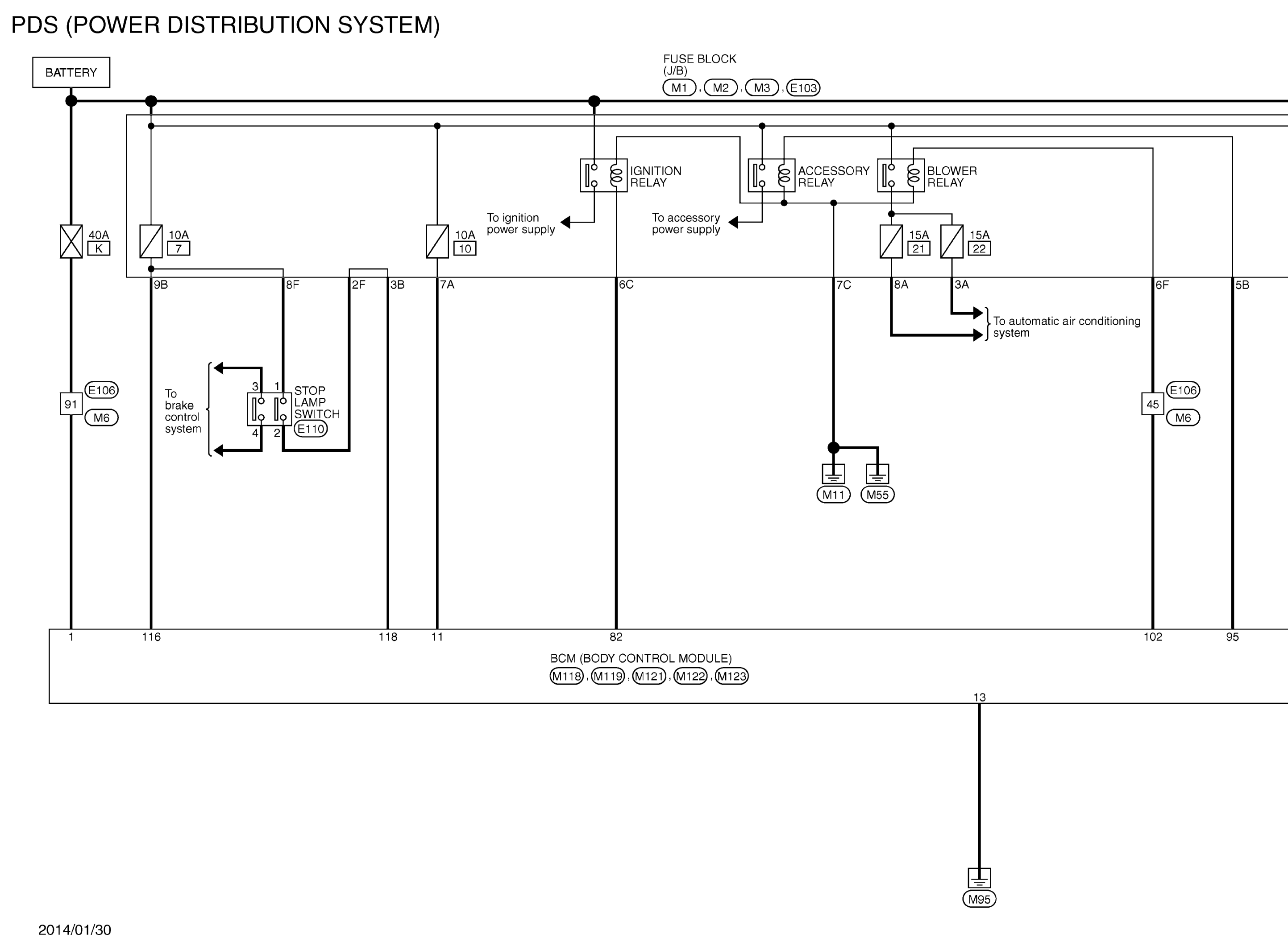
Wiring Diagram - PDS (Power Distribution System) -

Fig 1: PDS (Power Distribution System) Wiring Diagram (1 Of 2)
GNSJRMWF1763GB-763Courtesy of NISSAN NORTH AMERICA, INC.
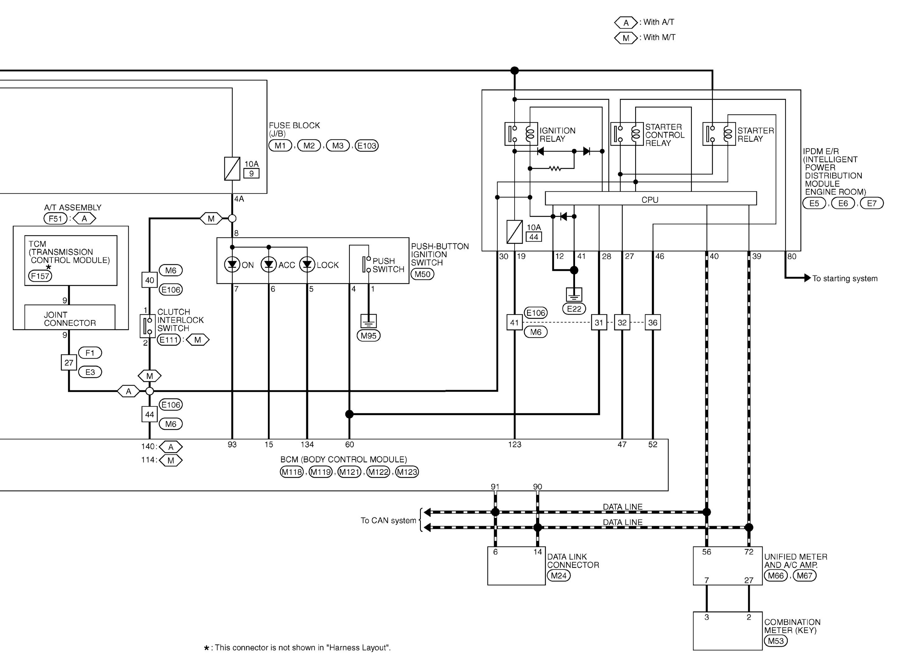
Fig 2: PDS (Power Distribution System) Wiring Diagram (2 Of 2)
GNSJRMWF1764GB-764Courtesy of NISSAN NORTH AMERICA, INC.