LEMON Manuals: Even more car manuals for everyone: 1960-2025
Home >> Infiniti >> 2015 >> Q60 IPL >> Repair and Diagnosis (Single Page) >> Accessories & Equipment >> Anti-Theft Systems >> Security Control System (Convertible) >> DTC/Circuit Diagnosis >> Vehicle Security System >> Wiring Diagram - Vehicle Security System -
April 5, 2026: LEMON Manuals is launched! Read the announcement.

Wiring Diagram - Vehicle Security System -

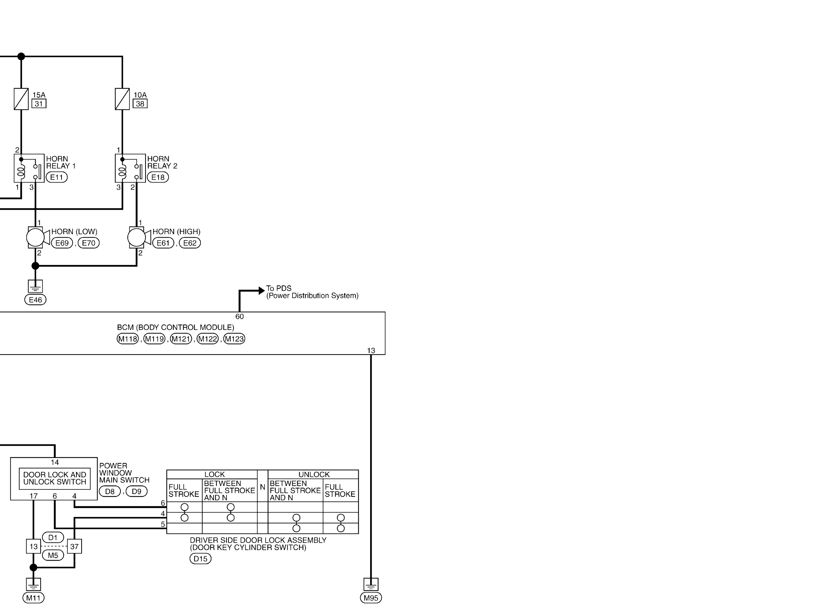
Fig 1: Vehicle Security System Wiring Diagram (1 Of 2)
G08448913Courtesy of NISSAN NORTH AMERICA, INC.
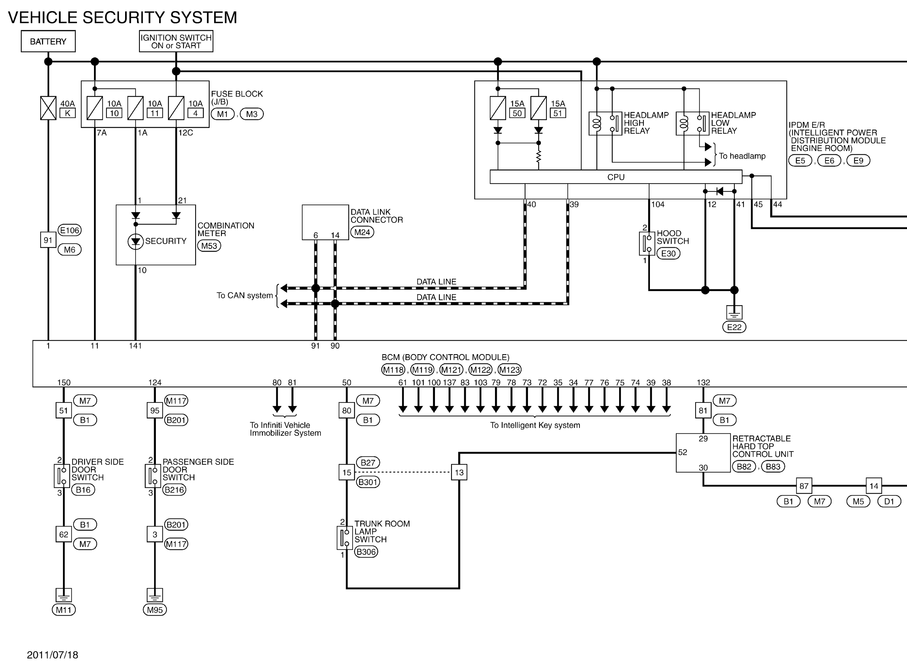
Fig 2: Vehicle Security System Wiring Diagram (2 Of 2)
G08448914Courtesy of NISSAN NORTH AMERICA, INC.