LEMON Manuals: Even more car manuals for everyone: 1960-2025
Home >> Infiniti >> 2015 >> QX50 Base, AWD >> Repair and Diagnosis (Single Page) >> Engine Performance >> System >> Engine Control System (Diagnostic Trouble Codes (DTCS) P2138-P219B & Symptom Tests) >> Ecu Diagnosis Information >> VVEL Control Module >> Wiring Diagram - Engine Control System -
April 5, 2026: LEMON Manuals is launched! Read the announcement.

Wiring Diagram - Engine Control System -

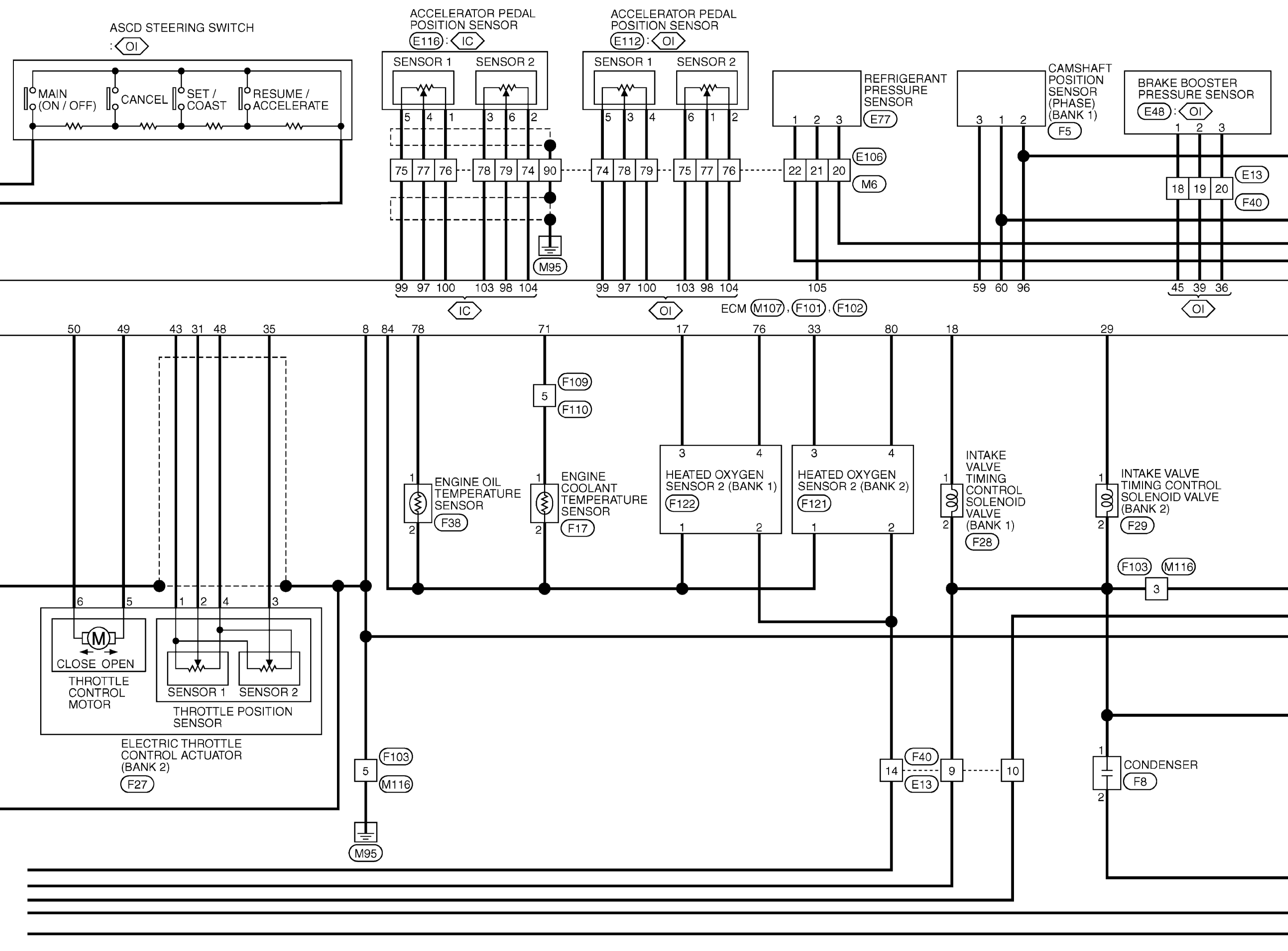
Fig 1: Engine Control System Wiring Diagram (1 Of 6)
GNSJRBWC7791GB-791Courtesy of NISSAN NORTH AMERICA, INC.
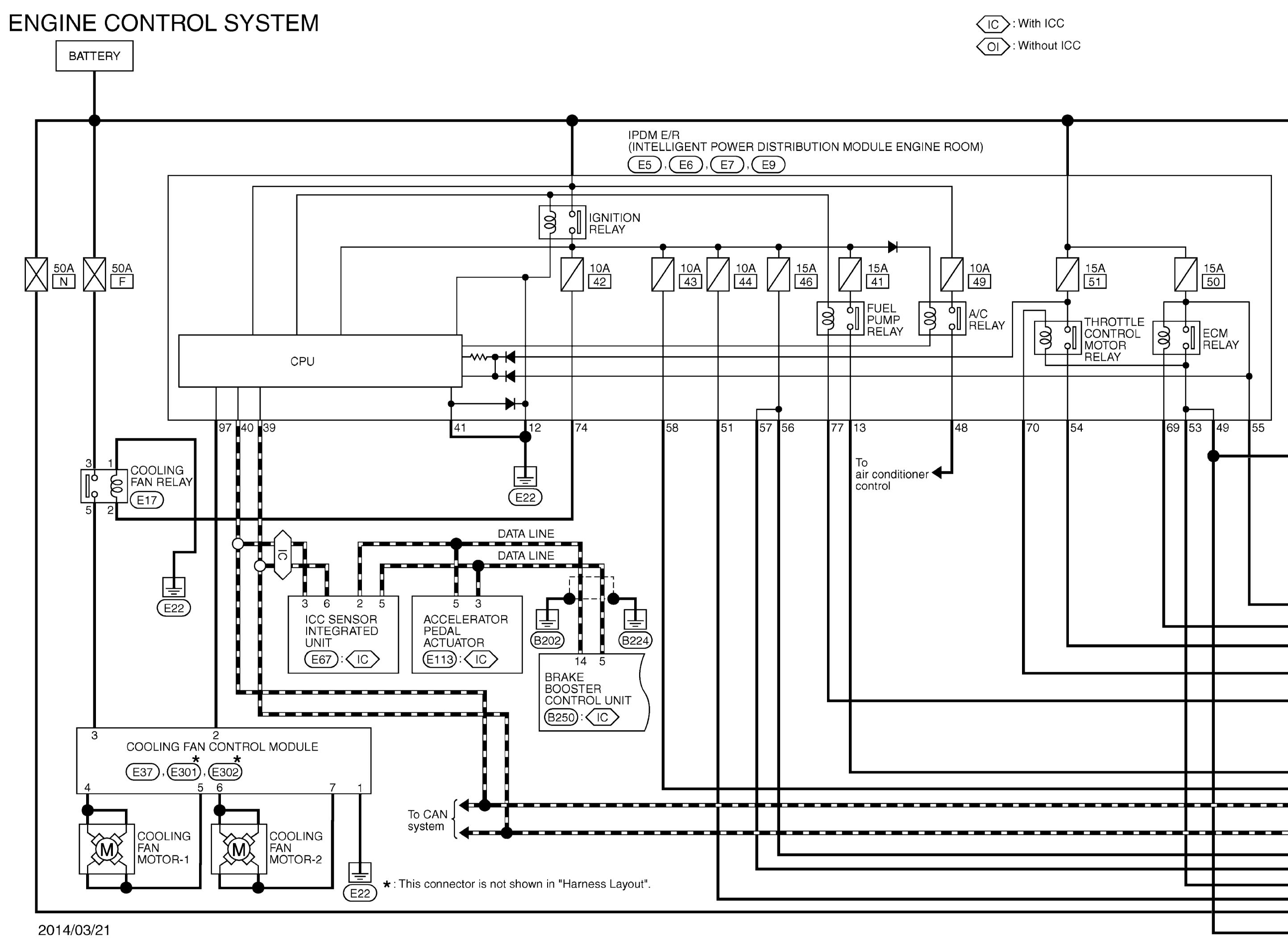
Fig 2: Engine Control System Wiring Diagram (2 Of 6)
GNSJRBWC7792GB-792Courtesy of NISSAN NORTH AMERICA, INC.
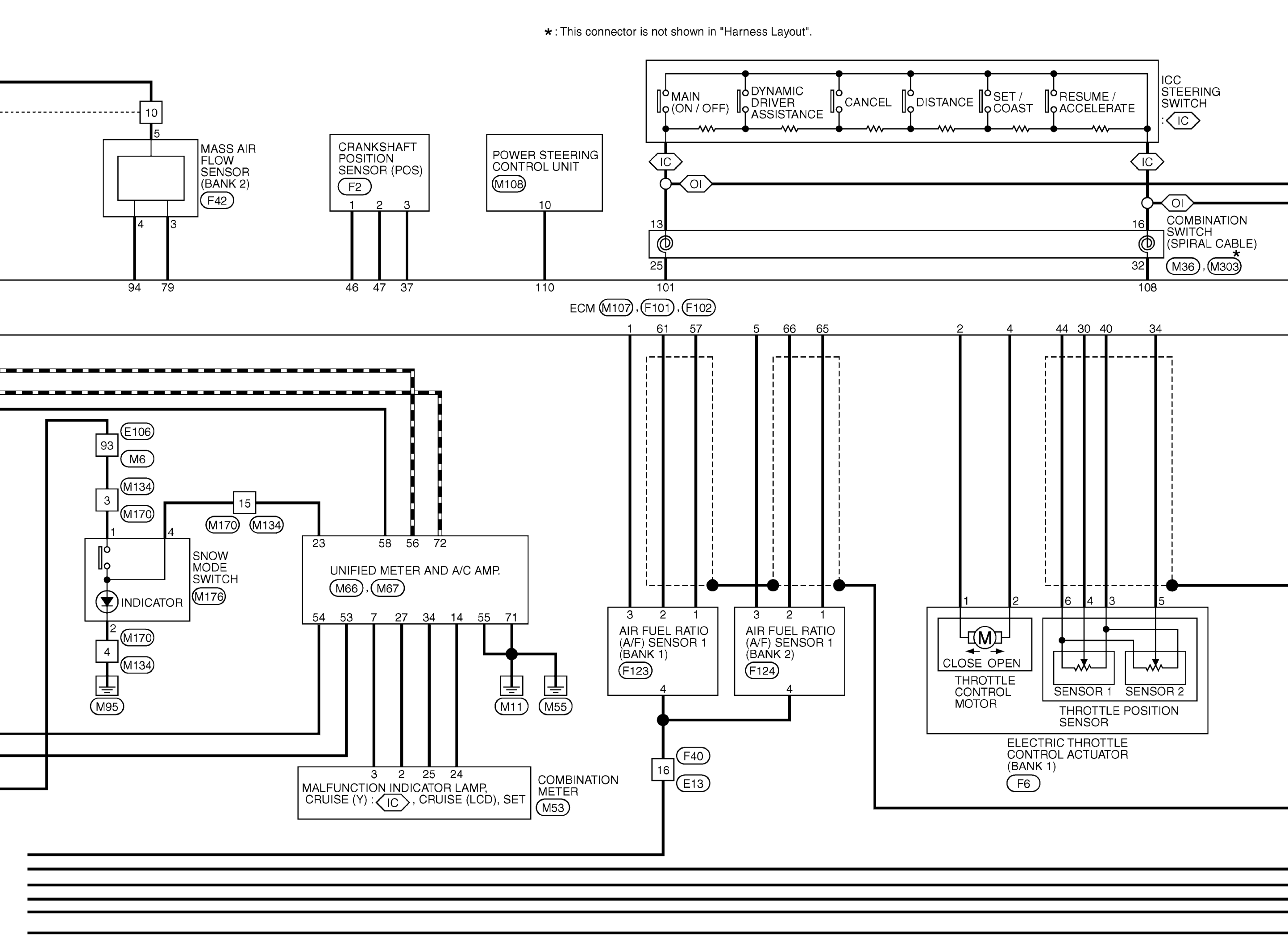
Fig 3: Engine Control System Wiring Diagram (3 Of 6)
GNSJRBWC7793GB-793Courtesy of NISSAN NORTH AMERICA, INC.
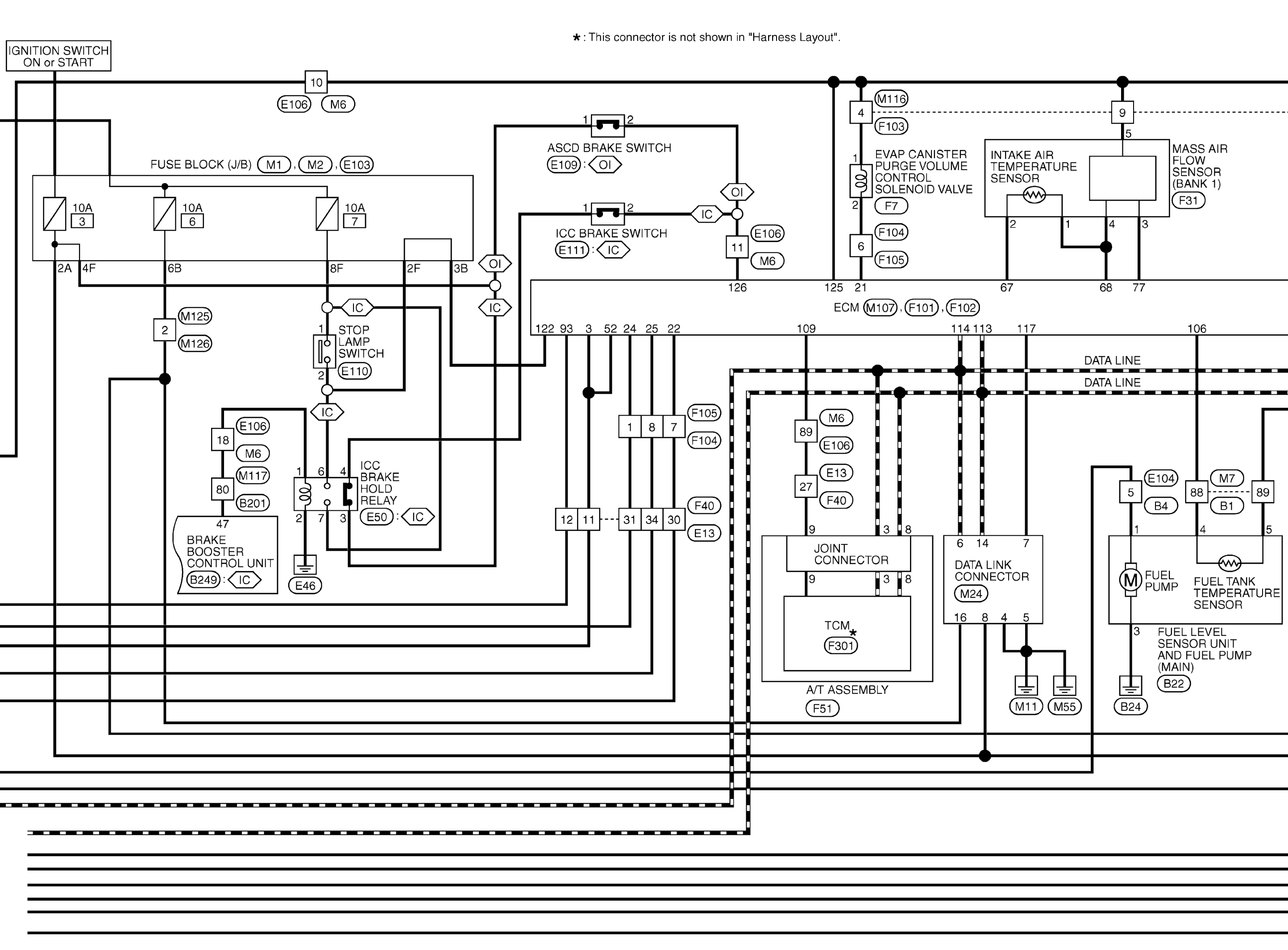
Fig 4: Engine Control System Wiring Diagram (4 Of 6)
GNSJRBWC7794GB-794Courtesy of NISSAN NORTH AMERICA, INC.
Fig 5: Engine Control System Wiring Diagram (5 Of 6)
GNSJRBWC7795GB-795Courtesy of NISSAN NORTH AMERICA, INC.
Fig 6: Engine Control System Wiring Diagram (6 Of 6)
GNSJRBWC7796GB-796Courtesy of NISSAN NORTH AMERICA, INC.