LEMON Manuals: Even more car manuals for everyone: 1960-2025
Home >> Infiniti >> 2015 >> QX50 Base, AWD >> Repair and Diagnosis >> Body & Frame >> Door Locks >> Security Control System >> DTC/Circuit Diagnosis >> Intelligent Key System/Engine Start Function >> Wiring Diagram - Intelligent Key System/Engine Start Function -
April 5, 2026: LEMON Manuals is launched! Read the announcement.

Wiring Diagram - Intelligent Key System/Engine Start Function -

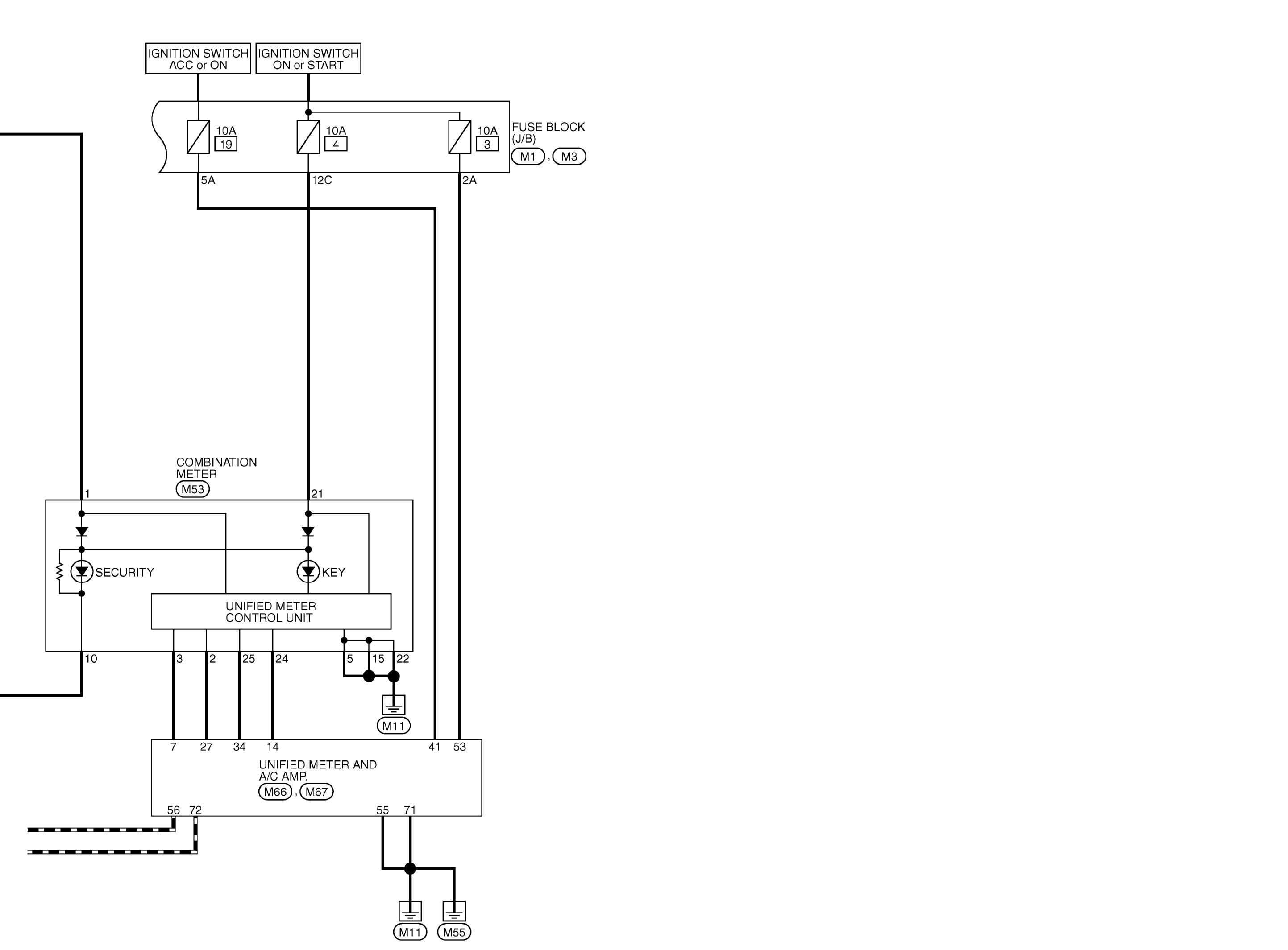
Fig 1: Intelligent Key System/Engine Start Function Wiring Diagram (1 Of 3)
GNSJRKWD4810GB-810Courtesy of NISSAN NORTH AMERICA, INC.
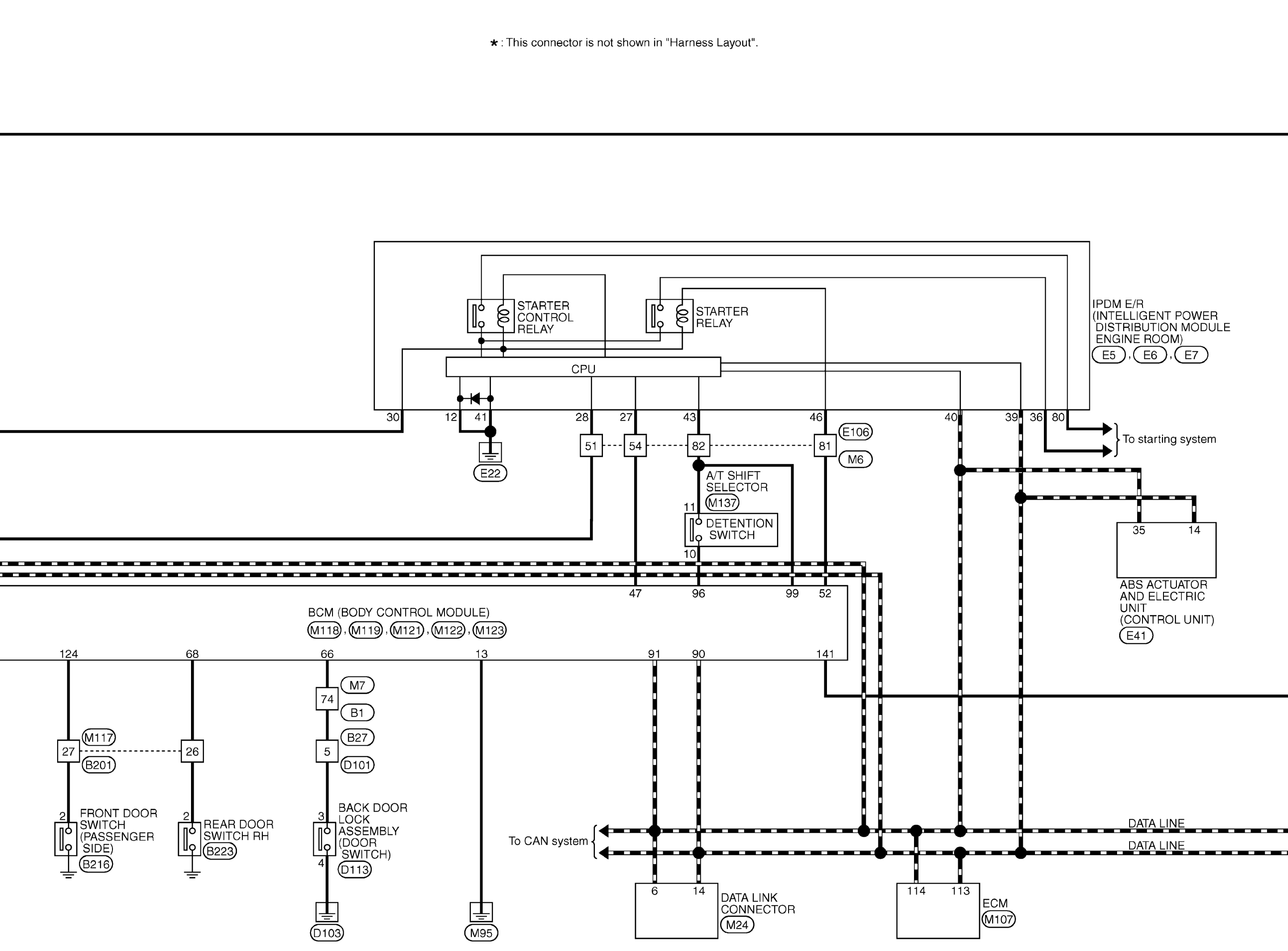
Fig 2: Intelligent Key System/Engine Start Function Wiring Diagram (2 Of 3)
GNSJRKWD4811GB-811Courtesy of NISSAN NORTH AMERICA, INC.
Fig 3: Intelligent Key System/Engine Start Function Wiring Diagram (3 Of 3)
GNSJRKWD4812GB-812Courtesy of NISSAN NORTH AMERICA, INC.