LEMON Manuals: Even more car manuals for everyone: 1960-2025
Home >> Infiniti >> 2015 >> QX70 AWD >> Repair and Diagnosis (Single Page) >> Engine Performance >> Testing & Diagnosis >> Engine Control System (Diagnostic Trouble Codes (DTCS) P2127-P2138, Symptom Tests, Service Data And Specifications) (VQ37VHR) >> Ecu Diagnosis Information >> VVEL Control Module >> Wiring Diagram - Engine Control System
April 5, 2026: LEMON Manuals is launched! Read the announcement.

Wiring Diagram - Engine Control System

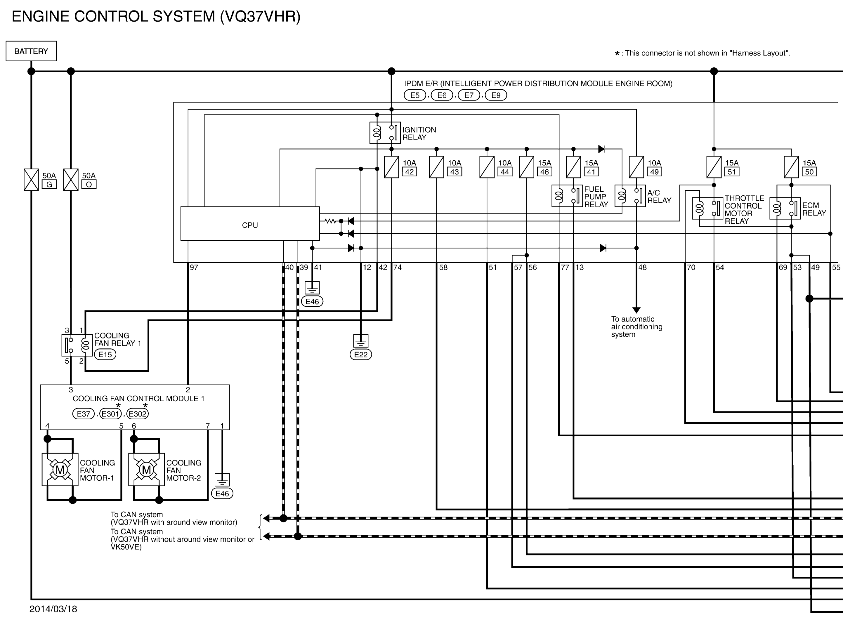
Fig 1: Engine Control System Wiring Diagram (1 Of 6)
GNSJRBWC7739GB-739Courtesy of NISSAN NORTH AMERICA, INC.
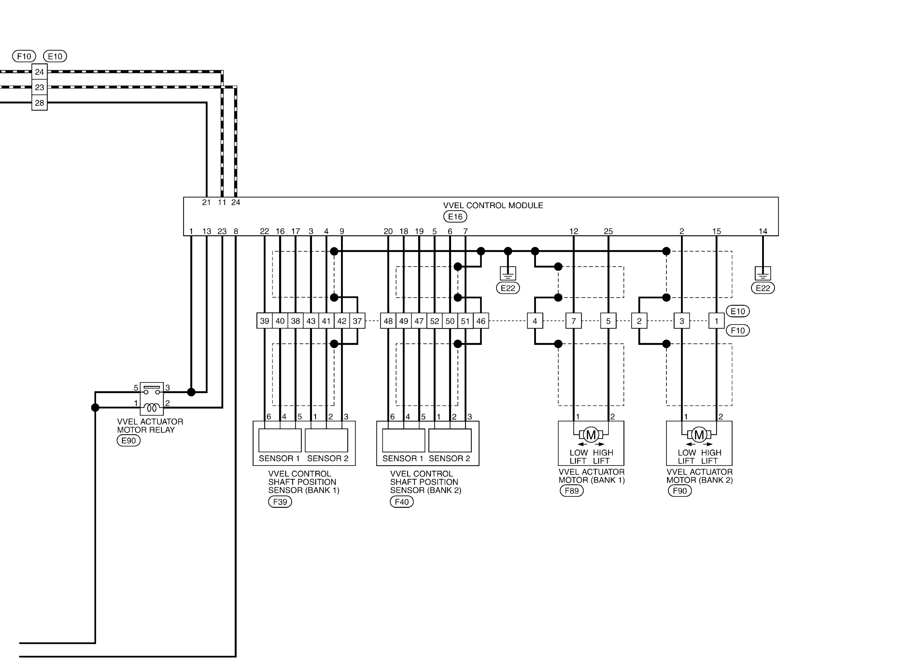
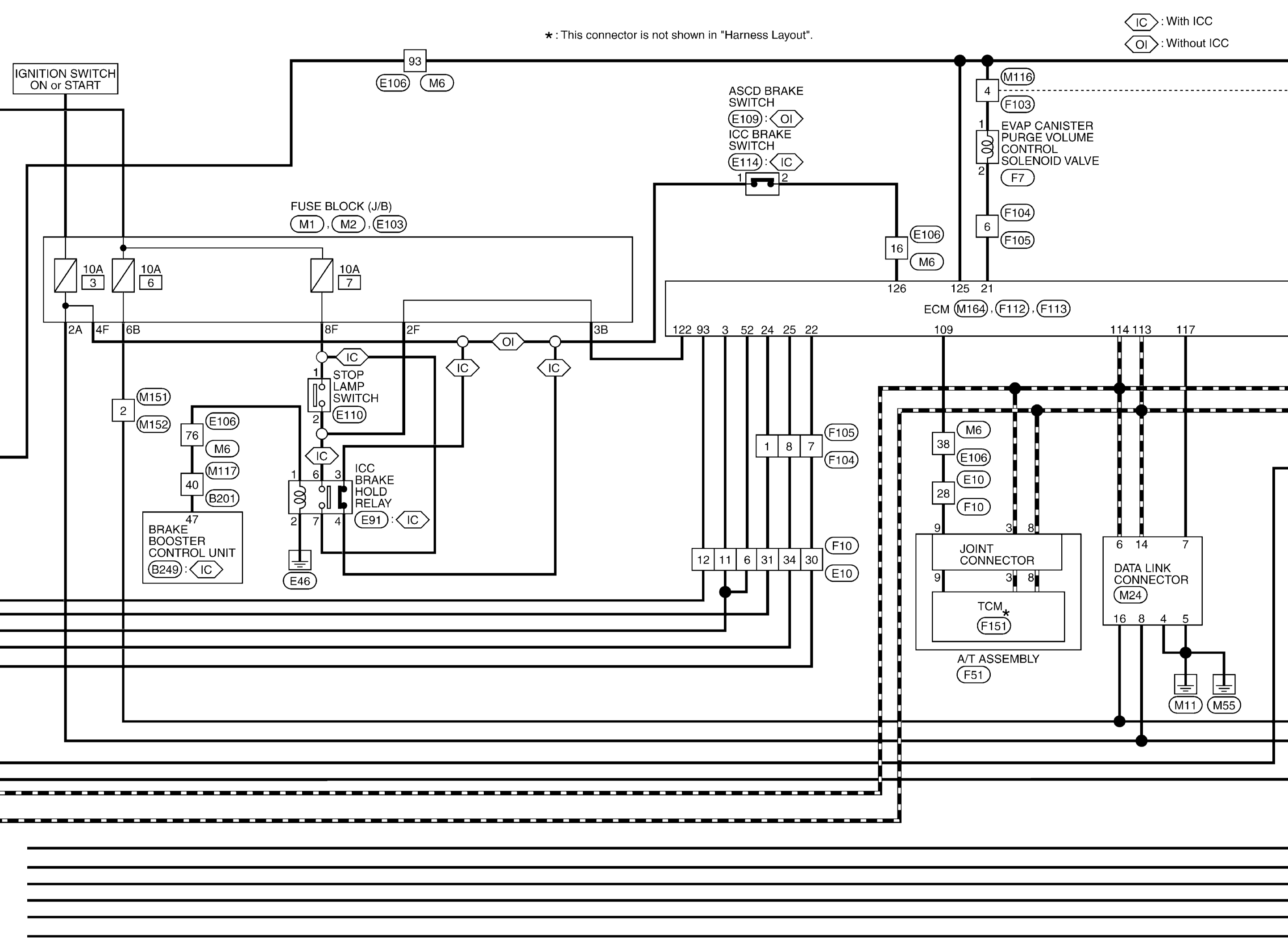
Fig 2: Engine Control System Wiring Diagram (2 Of 6)
GNSJRBWC7740GB-740Courtesy of NISSAN NORTH AMERICA, INC.
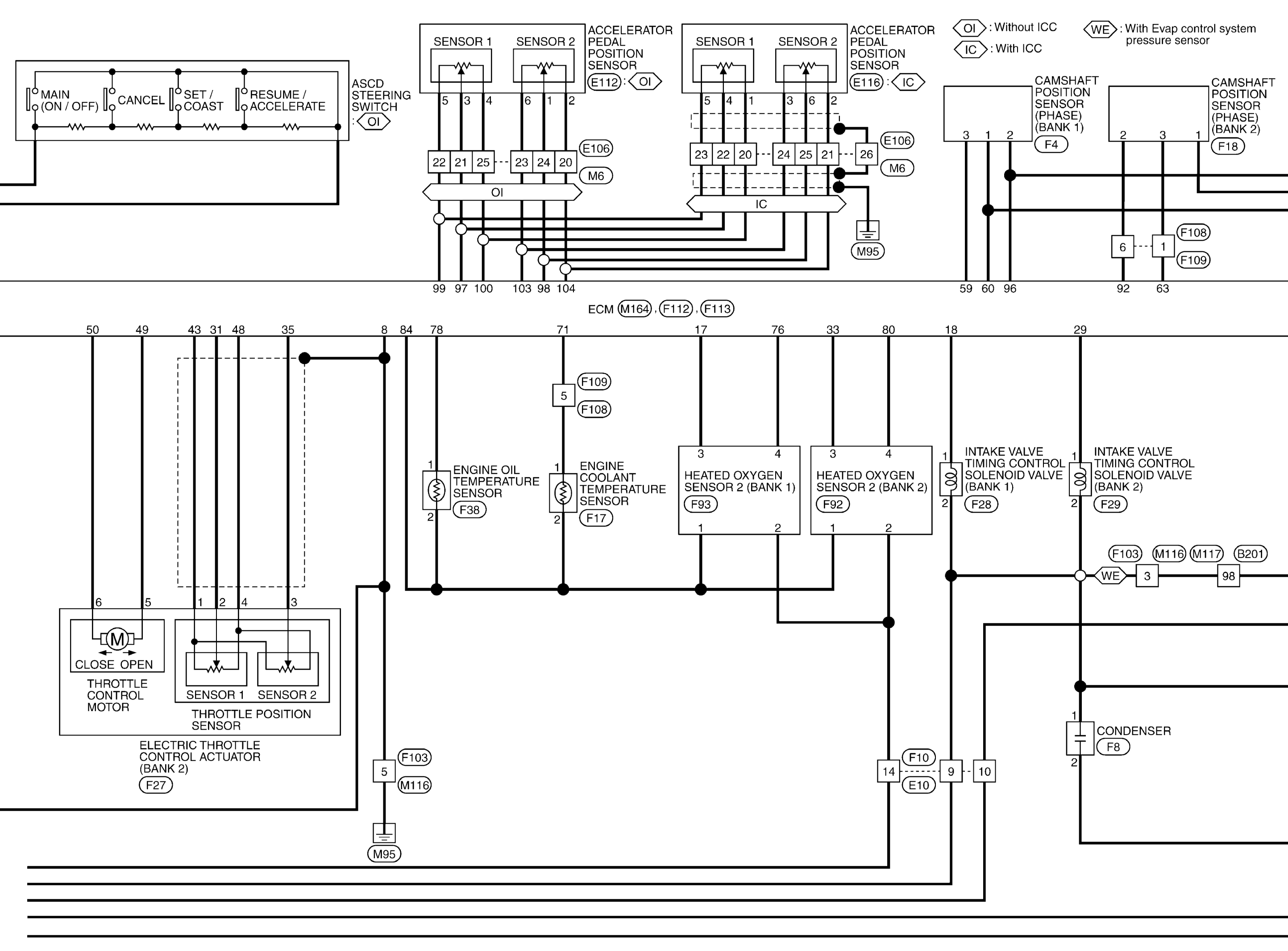
Fig 3: Engine Control System Wiring Diagram (3 Of 6)
GNSJRBWC7741GB-741Courtesy of NISSAN NORTH AMERICA, INC.
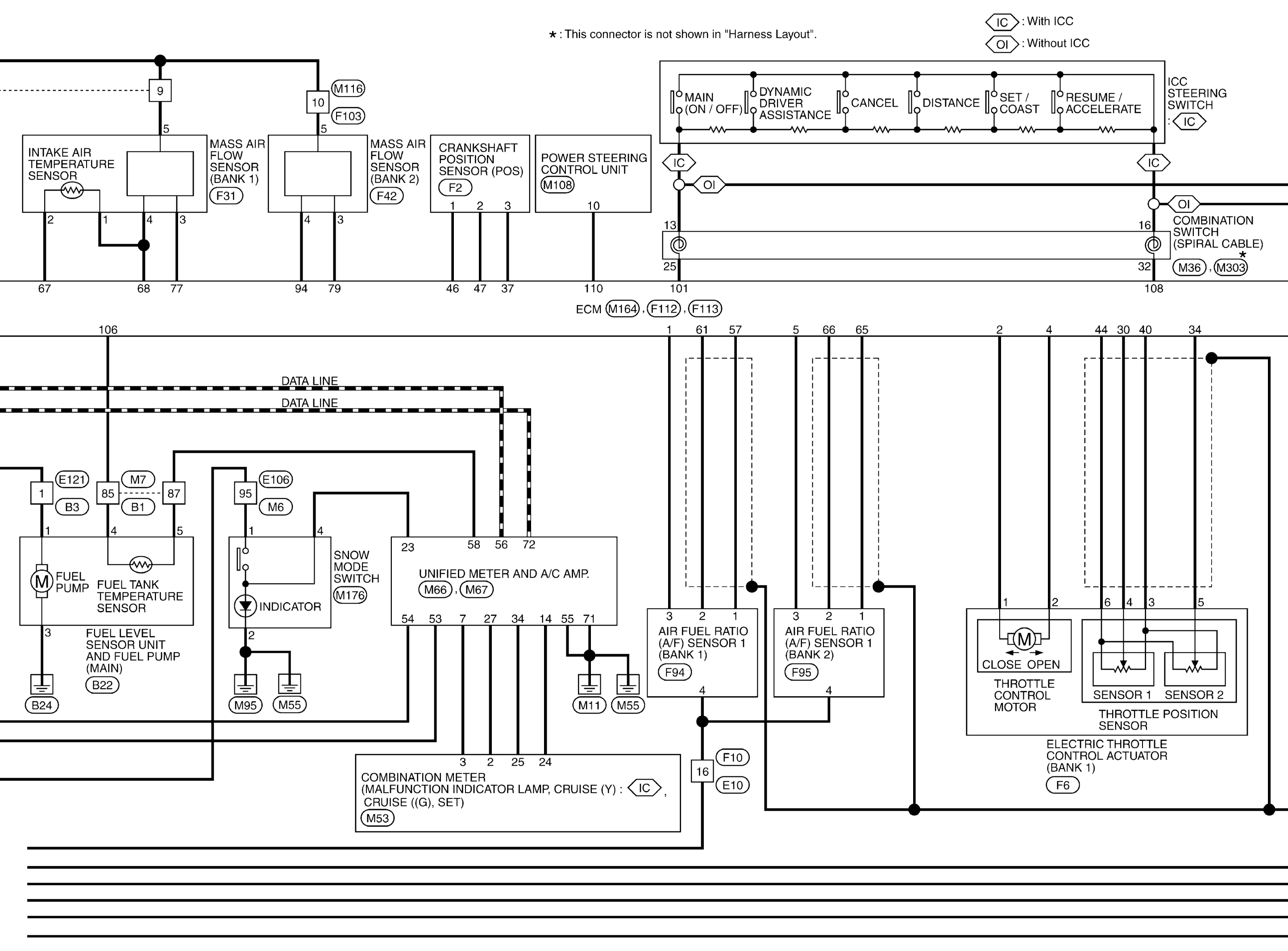
Fig 4: Engine Control System Wiring Diagram (4 Of 6)
GNSJRBWC7742GB-742Courtesy of NISSAN NORTH AMERICA, INC.
Fig 5: Engine Control System Wiring Diagram (5 Of 6)
GNSJRBWC7743GB-743Courtesy of NISSAN NORTH AMERICA, INC.
Fig 6: Engine Control System Wiring Diagram (6 Of 6)
GNSJRBWC7744GB-744Courtesy of NISSAN NORTH AMERICA, INC.
Fig 7: Engine Control System Connector End Views (1 Of 17)
GNSJRBWC7745GB-745Courtesy of NISSAN NORTH AMERICA, INC.
Fig 8: Engine Control System Connector End Views (2 Of 17)
GNSJRBWC7746GB-746Courtesy of NISSAN NORTH AMERICA, INC.
Fig 9: Engine Control System Connector End Views (3 Of 17)
GNSJRBWC7747GB-747Courtesy of NISSAN NORTH AMERICA, INC.
Fig 10: Engine Control System Connector End Views (4 Of 17)
GNSJRBWC7748GB-748Courtesy of NISSAN NORTH AMERICA, INC.
Fig 11: Engine Control System Connector End Views (5 Of 17)
GNSJRBWC7749GB-749Courtesy of NISSAN NORTH AMERICA, INC.
Fig 12: Engine Control System Connector End Views (6 Of 17)
GNSJRBWC7750GB-750Courtesy of NISSAN NORTH AMERICA, INC.
Fig 13: Engine Control System Connector End Views (7 Of 17)
GNSJRBWC7751GB-751Courtesy of NISSAN NORTH AMERICA, INC.
Fig 14: Engine Control System Connector End Views (8 Of 17)
GNSJRBWC7752GB-752Courtesy of NISSAN NORTH AMERICA, INC.
Fig 15: Engine Control System Connector End Views (9 Of 17)
GNSJRBWC7753GB-753Courtesy of NISSAN NORTH AMERICA, INC.
Fig 16: Engine Control System Connector End Views (10 Of 17)
GNSJRBWC7754GB-754Courtesy of NISSAN NORTH AMERICA, INC.
Fig 17: Engine Control System Connector End Views (11 Of 17)
GNSJRBWC7755GB-755Courtesy of NISSAN NORTH AMERICA, INC.
Fig 18: Engine Control System Connector End Views (12 Of 17)
GNSJRBWC7756GB-756Courtesy of NISSAN NORTH AMERICA, INC.
Fig 19: Engine Control System Connector End Views (13 Of 17)
GNSJRBWC7757GB-757Courtesy of NISSAN NORTH AMERICA, INC.
Fig 20: Engine Control System Connector End Views (14 Of 17)
GNSJRBWC7758GB-758Courtesy of NISSAN NORTH AMERICA, INC.
Fig 21: Engine Control System Connector End Views (15 Of 17)
GNSJRBWC7759GB-759Courtesy of NISSAN NORTH AMERICA, INC.
Fig 22: Engine Control System Connector End Views (16 Of 17)
GNSJRBWC7760GB-760Courtesy of NISSAN NORTH AMERICA, INC.
Fig 23: Engine Control System Connector End Views (17 Of 17)
GNSJRBWC7761GB-761Courtesy of NISSAN NORTH AMERICA, INC.