LEMON Manuals: Even more car manuals for everyone: 1960-2025
Home >> Infiniti >> 2015 >> QX80 Base, AWD >> Repair and Diagnosis >> Body & Frame >> Door Locks >> Security Control System >> Wiring Diagram >> Security Control System >> Wiring Diagram
April 5, 2026: LEMON Manuals is launched! Read the announcement.

Security Control System: Wiring Diagram

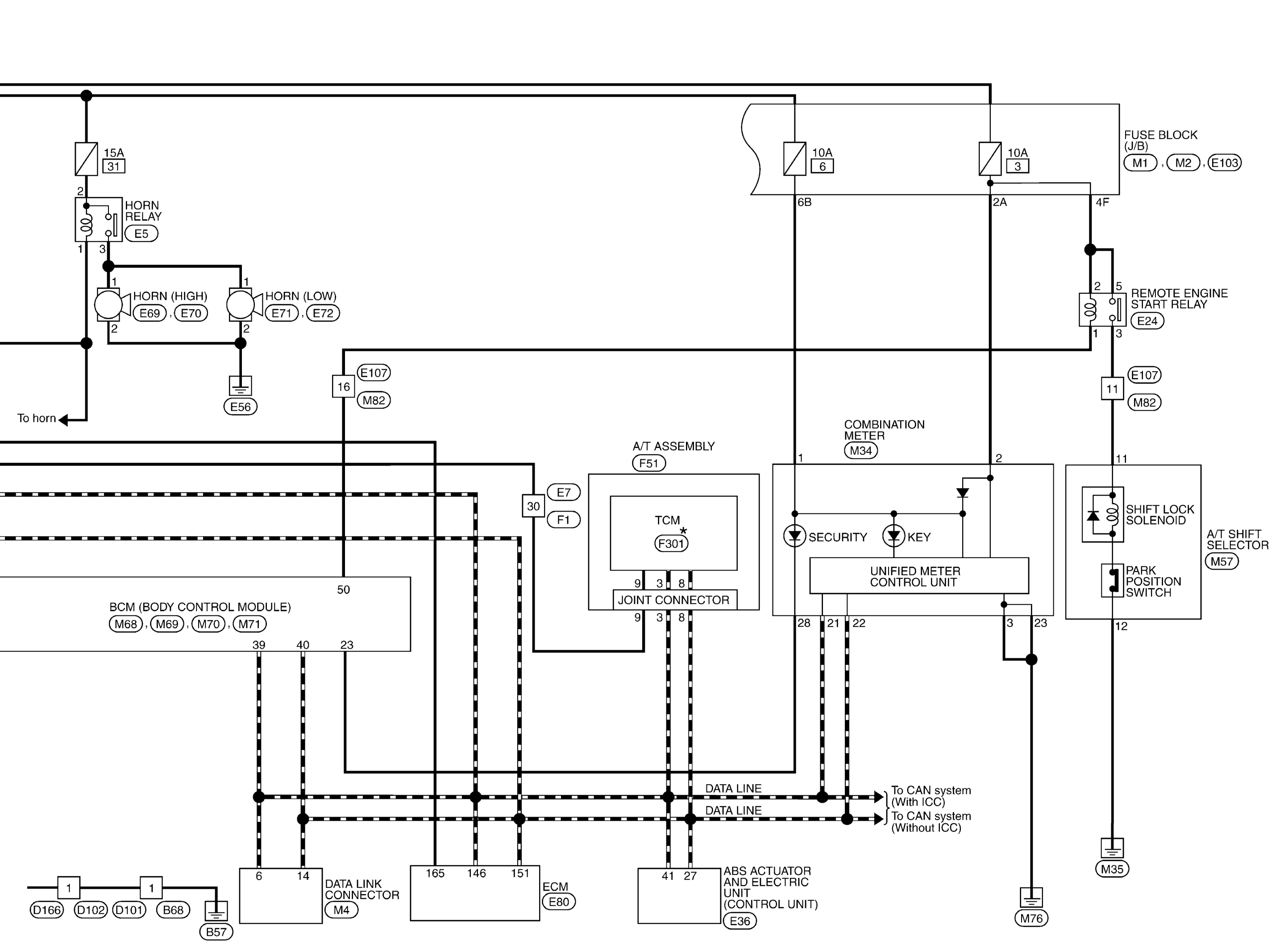
Fig 1: Security Control System Wiring Diagram (1 Of 3)
GNSJRKWD8775GB-775Courtesy of NISSAN NORTH AMERICA, INC.
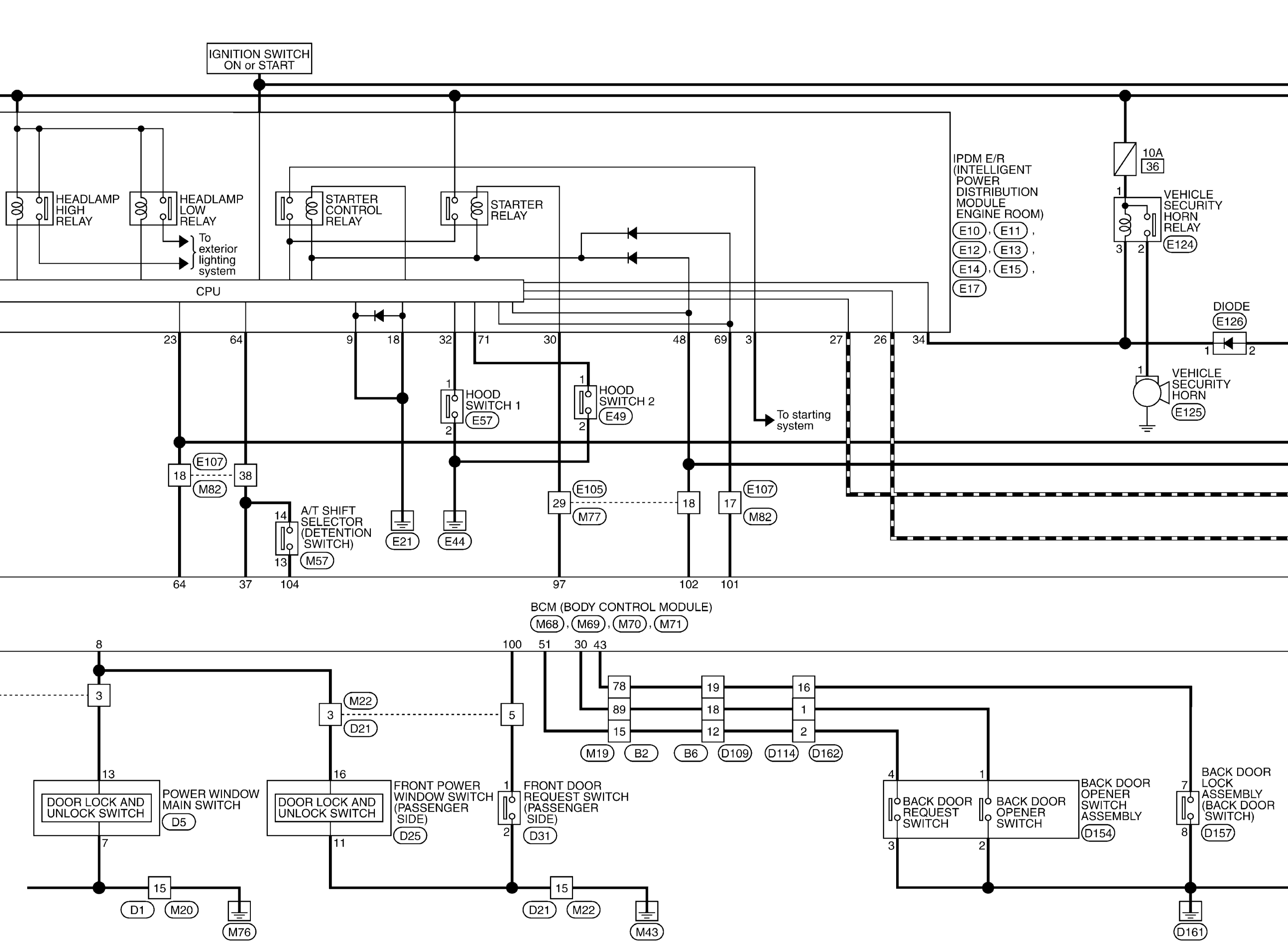
Fig 2: Security Control System Wiring Diagram (2 Of 3)
GNSJRKWD8776GB-776Courtesy of NISSAN NORTH AMERICA, INC.
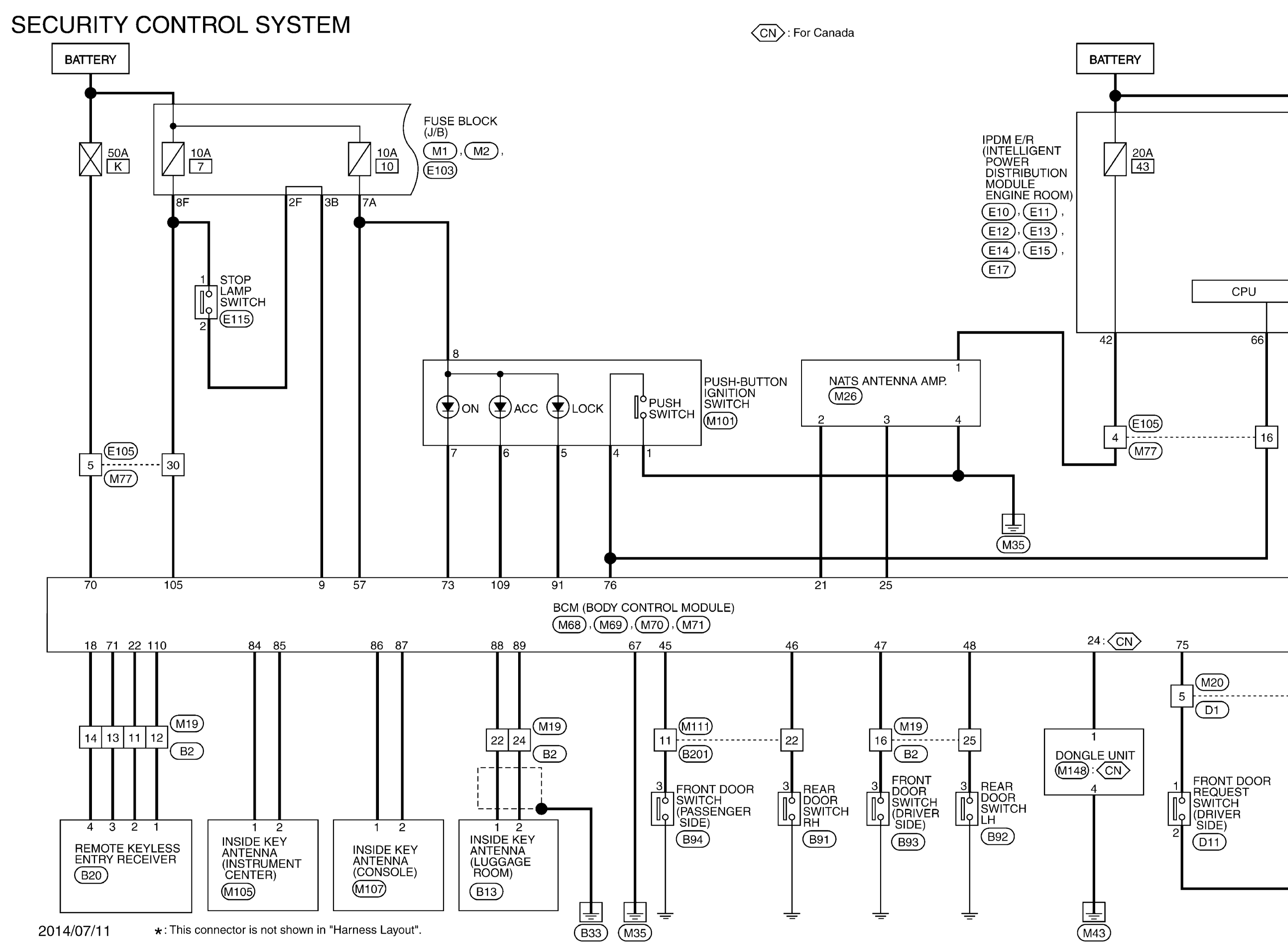
Fig 3: Security Control System Wiring Diagram (3 Of 3)
GNSJRKWD8777GB-777Courtesy of NISSAN NORTH AMERICA, INC.
Fig 4: Security Control System Connector End Views (1 Of 13)
GNSJRKWD8778GB-778Courtesy of NISSAN NORTH AMERICA, INC.
Fig 5: Security Control System Connector End Views (2 Of 13)
GNSJRKWD8779GB-779Courtesy of NISSAN NORTH AMERICA, INC.
Fig 6: Security Control System Connector End Views (3 Of 13)
GNSJRKWD8780GB-780Courtesy of NISSAN NORTH AMERICA, INC.
Fig 7: Security Control System Connector End Views (4 Of 13)
GNSJRKWD8781GB-781Courtesy of NISSAN NORTH AMERICA, INC.
Fig 8: Security Control System Connector End Views (5 Of 13)
GNSJRKWD8782GB-782Courtesy of NISSAN NORTH AMERICA, INC.
Fig 9: Security Control System Connector End Views (6 Of 13)
GNSJRKWD8783GB-783Courtesy of NISSAN NORTH AMERICA, INC.
Fig 10: Security Control System Connector End Views (7 Of 13)
GNSJRKWD8784GB-784Courtesy of NISSAN NORTH AMERICA, INC.
Fig 11: Security Control System Connector End Views (8 Of 13)
GNSJRKWD8785GB-785Courtesy of NISSAN NORTH AMERICA, INC.
Fig 12: Security Control System Connector End Views (9 Of 13)
GNSJRKWD8786GB-786Courtesy of NISSAN NORTH AMERICA, INC.
Fig 13: Security Control System Connector End Views (10 Of 13)
GNSJRKWD8787GB-787Courtesy of NISSAN NORTH AMERICA, INC.
Fig 14: Security Control System Connector End Views (11 Of 13)
GNSJRKWD8788GB-788Courtesy of NISSAN NORTH AMERICA, INC.
Fig 15: Security Control System Connector End Views (12 Of 13)
GNSJRKWD8789GB-789Courtesy of NISSAN NORTH AMERICA, INC.
Fig 16: Security Control System Connector End Views (13 Of 13)
GNSJRKWD8790GB-790Courtesy of NISSAN NORTH AMERICA, INC.