LEMON Manuals: Even more car manuals for everyone: 1960-2025
Home >> Infiniti >> 2015 >> QX80 Base, AWD >> Repair and Diagnosis >> Body & Frame >> Windows >> Power Window Control System >> Wiring Diagram >> Power Window System >> Wiring Diagram
April 5, 2026: LEMON Manuals is launched! Read the announcement.

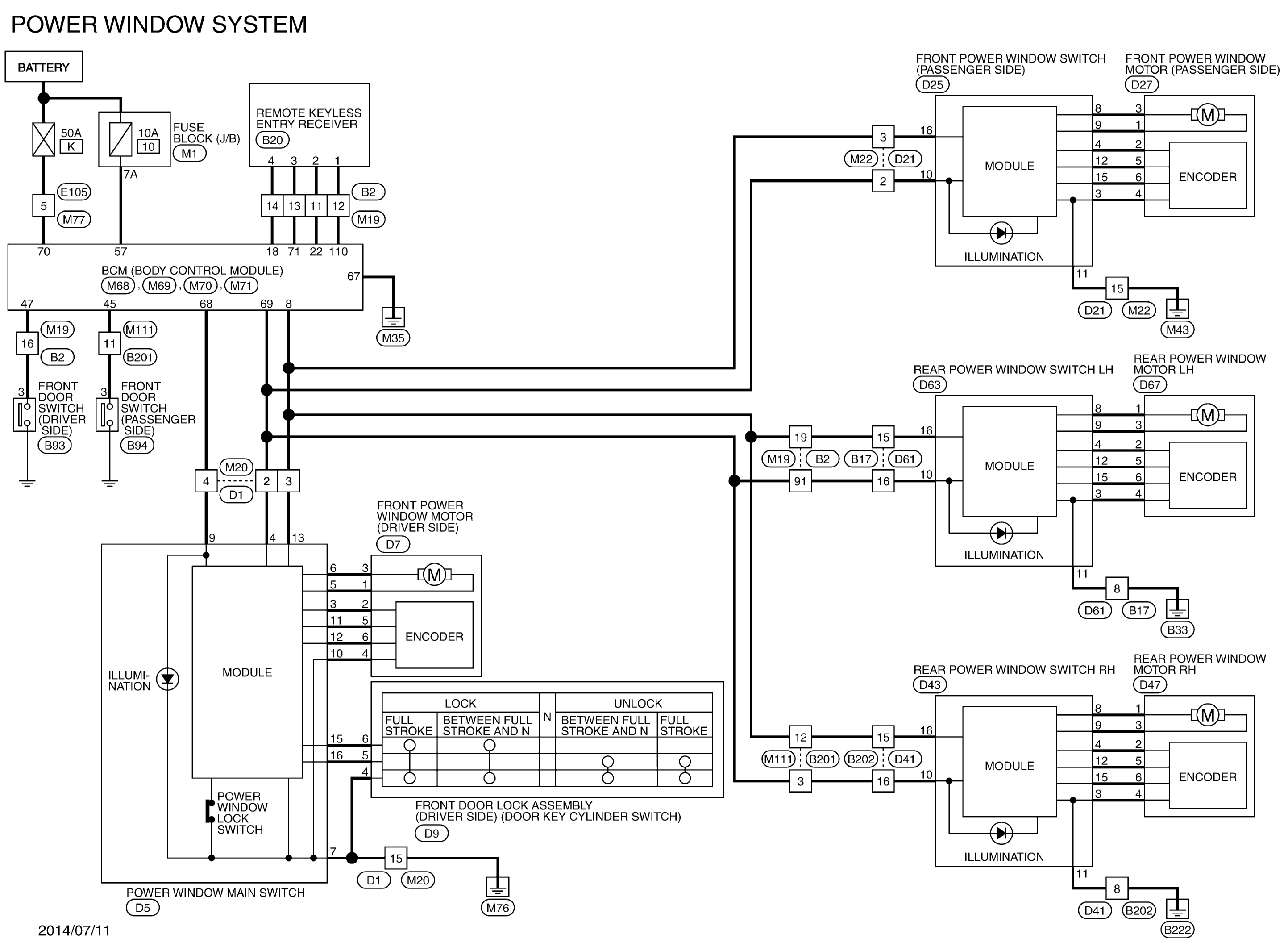
Power Window System: Wiring Diagram

Fig 1: Power Window System Wiring Diagram
GNSJRKWD8791GB-791Courtesy of NISSAN NORTH AMERICA, INC.
Fig 2: Power Window System Connector End Views (1 Of 7)
GNSJRKWD8792GB-792Courtesy of NISSAN NORTH AMERICA, INC.
Fig 3: Power Window System Connector End Views (2 Of 7)
GNSJRKWD8793GB-793Courtesy of NISSAN NORTH AMERICA, INC.
Fig 4: Power Window System Connector End Views (3 Of 7)
GNSJRKWD8794GB-794Courtesy of NISSAN NORTH AMERICA, INC.
Fig 5: Power Window System Connector End Views (4 Of 7)
GNSJRKWD8795GB-795Courtesy of NISSAN NORTH AMERICA, INC.
Fig 6: Power Window System Connector End Views (5 Of 7)
GNSJRKWD8796GB-796Courtesy of NISSAN NORTH AMERICA, INC.
Fig 7: Power Window System Connector End Views (6 Of 7)
GNSJRKWD8797GB-797Courtesy of NISSAN NORTH AMERICA, INC.
Fig 8: Power Window System Connector End Views (7 Of 7)
GNSJRKWD8798GB-798Courtesy of NISSAN NORTH AMERICA, INC.