LEMON Manuals: Even more car manuals for everyone: 1960-2025
Home >> Infiniti >> 2016 >> Q50 Base, AWD >> Repair and Diagnosis (Single Page) >> Body & Frame >> Door Locks >> Security Control System (Except Hybrid) >> System Description >> System >> Intelligent Key System/Engine Start Function >> Circuit Diagram >> For VR30DDTT Engine Models
April 5, 2026: LEMON Manuals is launched! Read the announcement.

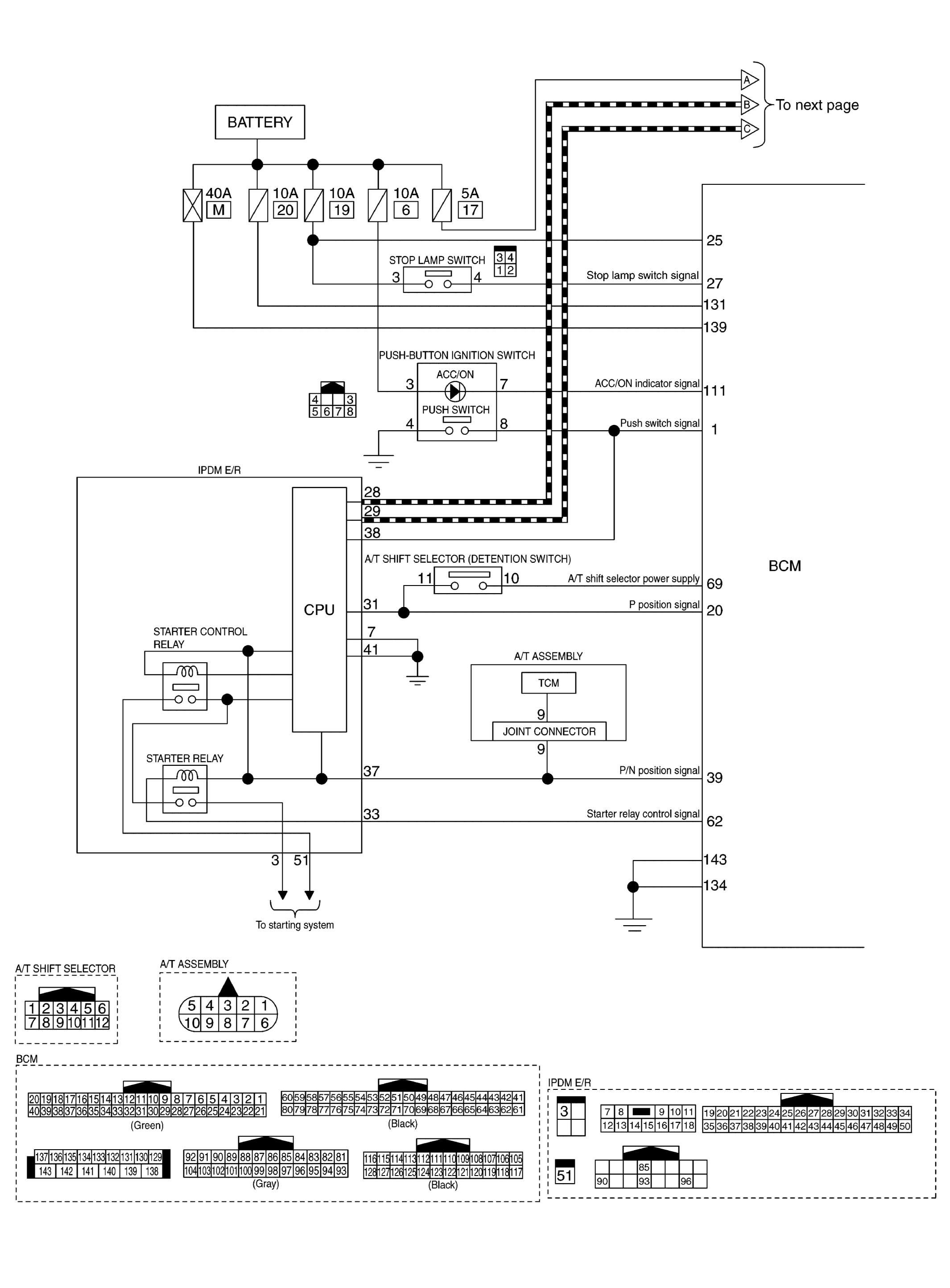
For VR30DDTT Engine Models

G09159525Courtesy of NISSAN NORTH AMERICA, INC.
GNSJMKIB6355GB-355Courtesy of NISSAN NORTH AMERICA, INC.