LEMON Manuals: Even more car manuals for everyone: 1960-2025
Home >> Infiniti >> 2016 >> Q50 Base, AWD >> Repair and Diagnosis >> External Pages >> Different car >> Section 366 (ADAS Control Unit) >> System Description >> System >> Circuit Diagram >> 2.0L Turbo Gasoline Engine
April 5, 2026: LEMON Manuals is launched! Read the announcement.

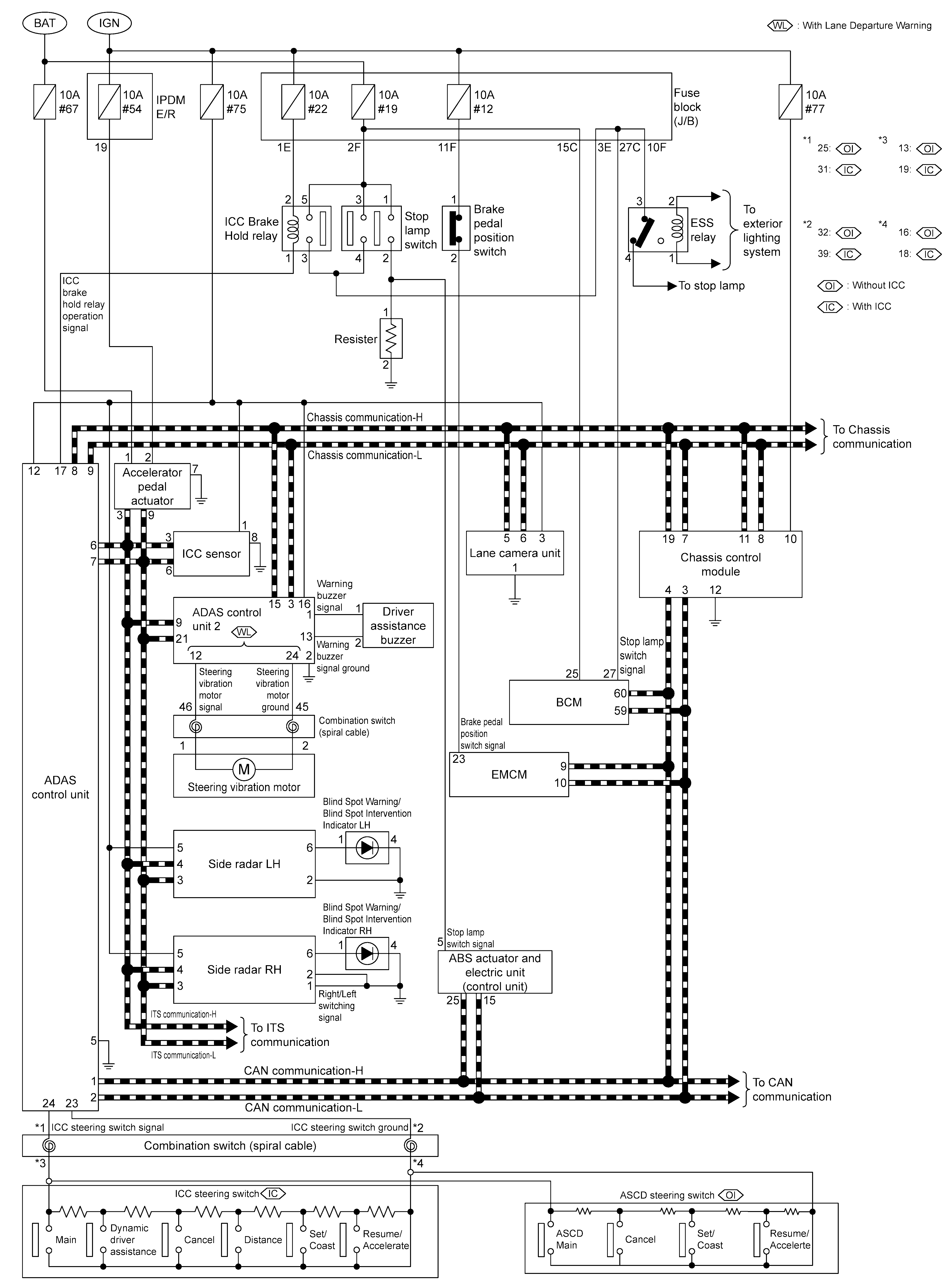
2.0L Turbo Gasoline Engine

WARNING: This page is about a different car, the 2019 Infiniti Q50. However, it is still accessible from the selected car via links, so may be relevant.
GNSILL0223691-691Courtesy of NISSAN NORTH AMERICA, INC.
GNSILL0223692-692Courtesy of NISSAN NORTH AMERICA, INC.