LEMON Manuals: Even more car manuals for everyone: 1960-2025
Home >> Infiniti >> 2016 >> Q50 Base, AWD >> Repair and Diagnosis >> External Pages >> Different variant/trim >> Section 47 (Engine Control System (Introduction) (Hybrid)) >> System Description >> System >> Engine Control System >> Circuit Diagram
April 5, 2026: LEMON Manuals is launched! Read the announcement.

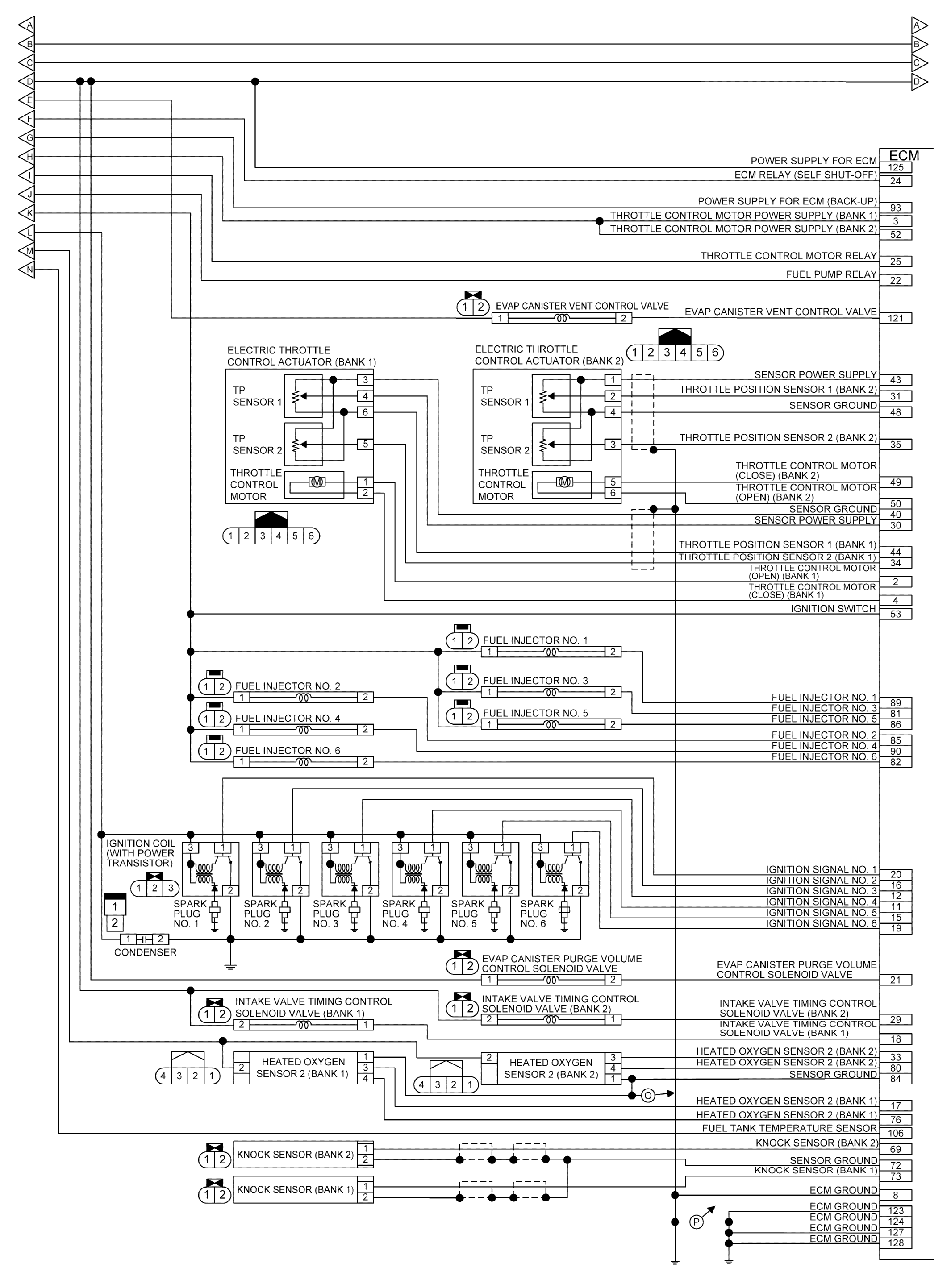
Circuit Diagram

WARNING: This page is about a different variant/trim than selected.
GNSJSBIA9513GB-513Courtesy of NISSAN NORTH AMERICA, INC.
GNSJSBIA9514GB-514Courtesy of NISSAN NORTH AMERICA, INC.
GNSJSBIA5894GB-894Courtesy of NISSAN NORTH AMERICA, INC.