LEMON Manuals: Even more car manuals for everyone: 1960-2025
Home >> Infiniti >> 2016 >> Q50 Base, AWD >> Repair and Diagnosis >> External Pages >> Different variant/trim >> Section 47 (Engine Control System (Introduction) (Hybrid)) >> System Description >> System >> Engine Control System >> System Description >> System Diagram
April 5, 2026: LEMON Manuals is launched! Read the announcement.

System Diagram

WARNING: This page is about a different variant/trim than selected.
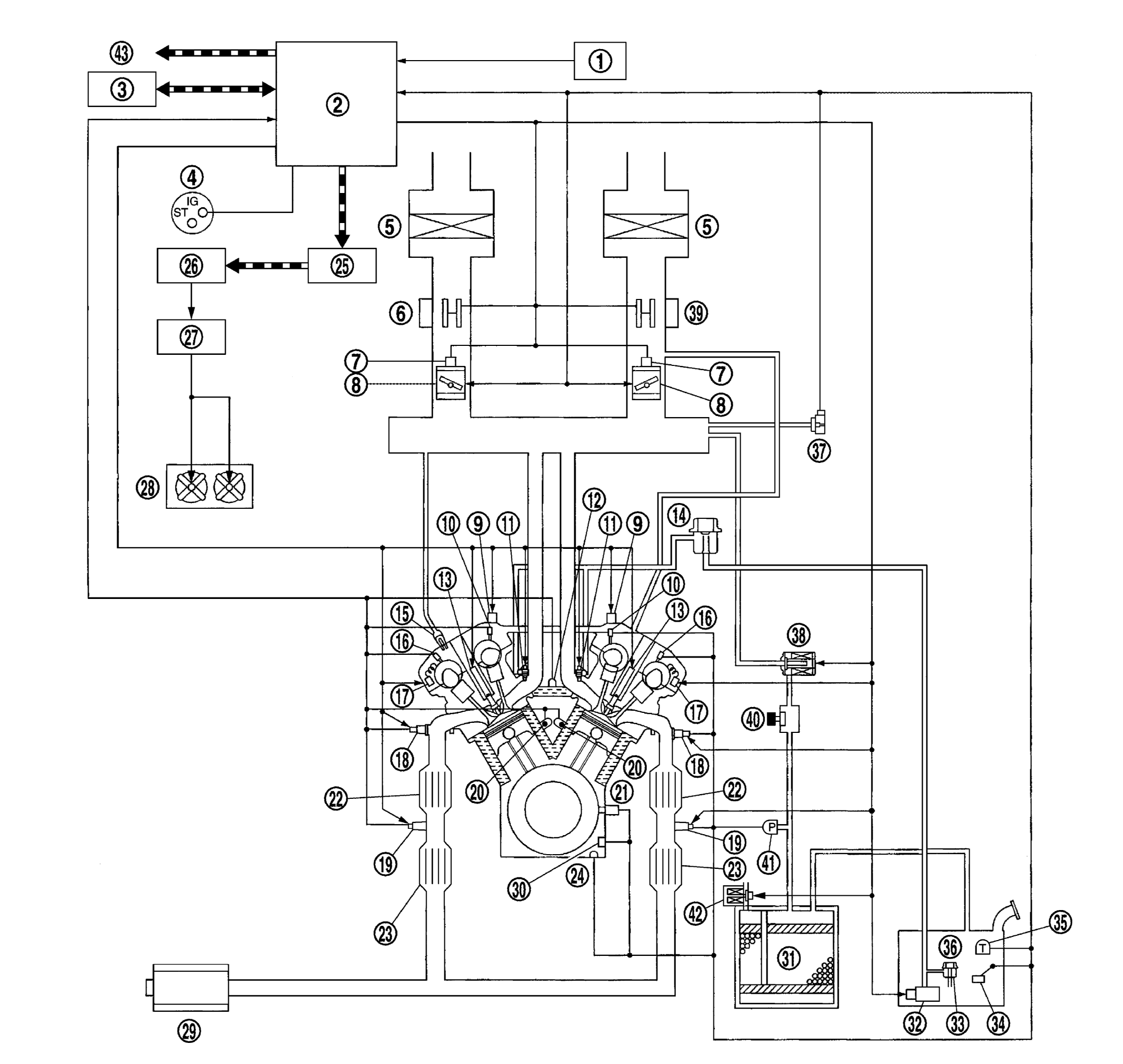
GNSJSBIA1259ZZ-259Courtesy of NISSAN NORTH AMERICA, INC.
WHITE-1 PNP signal WHITE-2 ECM WHITE-3 Combination meter
WHITE-4 Ignition switch WHITE-5 Air cleaner WHITE-6 Mass air flow sensor (bank 2)
WHITE-7 Throttle position sensor WHITE-8 Electric throttle control actuator WHITE-9 Intake valve timing control solenoid valve
WHITE-10 Camshaft position sensor WHITE-11 Fuel injector WHITE-12 Engine coolant temperature sensor
WHITE-13 Spark plug WHITE-14 Fuel damper WHITE-15 PCV valve
WHITE-16 Exhaust valve timing control position sensor WHITE-17 Exhaust valve timing control solenoid valve WHITE-18 A/F sensor 1
WHITE-19 Heated oxygen sensor 2 WHITE-20 Knock sensor CIRCLE WHITE-21 Crankshaft position sensor
CIRCLE WHITE-22 Three way catalyst 1 CIRCLE WHITE-23 Three way catalyst 2 CIRCLE WHITE-24 Engine oil temperature sensor
CIRCLE WHITE-25 HPCM CIRCLE WHITE-26 A/C auto amp. CIRCLE WHITE-27 Cooling fan control module
CIRCLE WHITE-28 Cooling fan CIRCLE WHITE-29 Muffler CIRCLE WHITE-30 Engine oil pressure sensor
CIRCLE WHITE-31 EVAP canister CIRCLE WHITE-32 Fuel pump CIRCLE WHITE-33 Fuel pressure regulator
CIRCLE WHITE-34 Fuel level sensor CIRCLE WHITE-35 Fuel tank temperature sensor CIRCLE WHITE-36 Fuel tank
CIRCLE WHITE-37 Manifold absolute pressure (MAP) sensor CIRCLE WHITE-38 EVAP canister purge volume control solenoid valve CIRCLE WHITE-39 Mass air flow sensor (with intake air temperature sensor) (bank 1)
CIRCLE WHITE-40 EVAP service port CIRCLE WHITE-41 EVAP control system pressure sensor CIRCLE WHITE-42 EVAP canister vent control valve
CIRCLE WHITE-43 CAN communication