LEMON Manuals: Even more car manuals for everyone: 1960-2025
Home >> Infiniti >> 2016 >> Q50 Base, RWD >> Repair and Diagnosis (Single Page) >> Accessories & Equipment >> Drivers Assistance Systems - ADAS >> Driver Assistance System (ADAS Control Unit) (Introduction, Wiring Diagrams, Basic Inspection And DTCS) (Except Hybrid) >> System Description >> System >> Circuit Diagram >> VR30DDTT
April 5, 2026: LEMON Manuals is launched! Read the announcement.

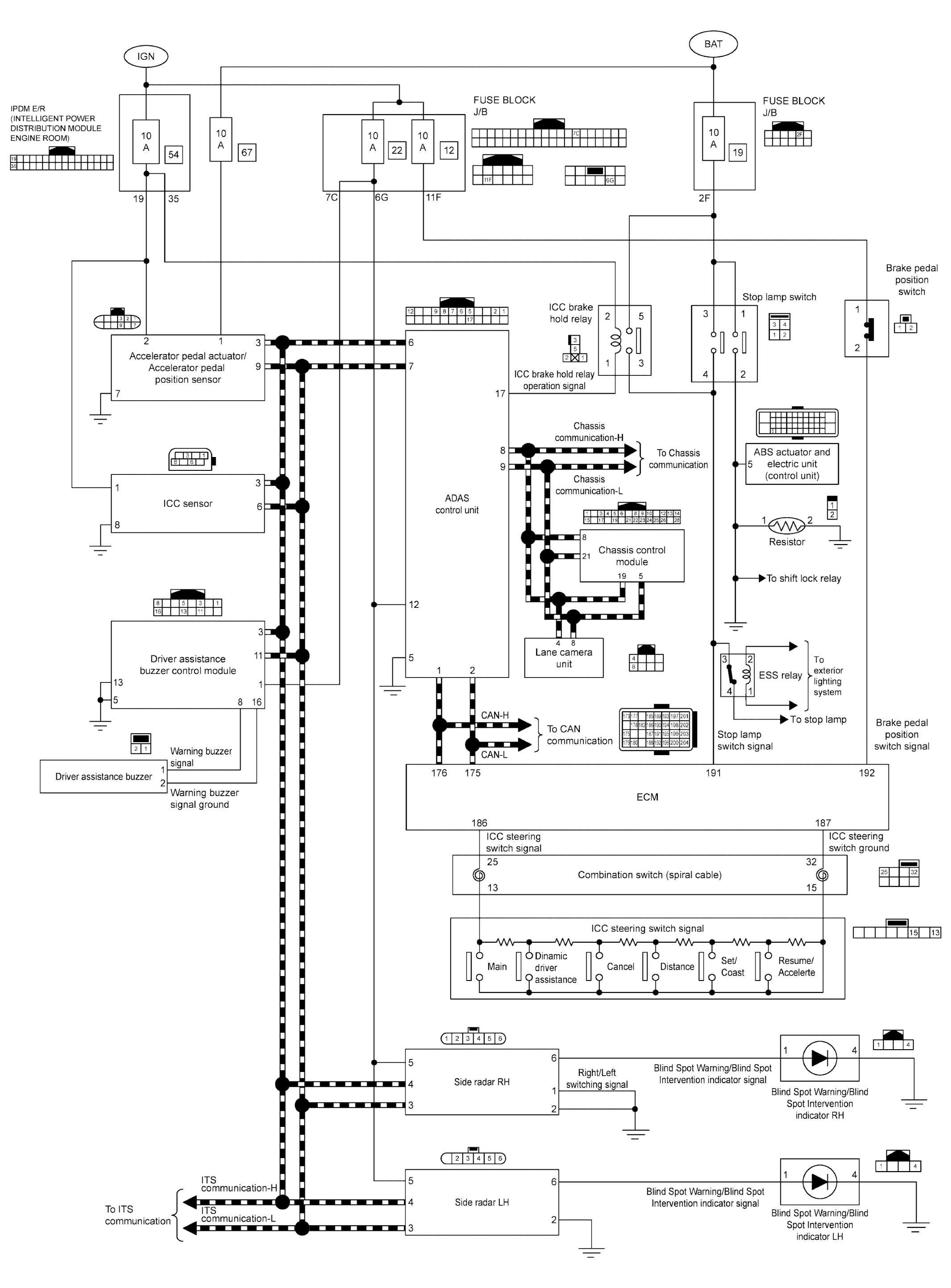
Circuit Diagram: VR30DDTT

GNSJSOIA2371GB-371Courtesy of NISSAN NORTH AMERICA, INC.