LEMON Manuals: Even more car manuals for everyone: 1960-2025
Home >> Infiniti >> 2016 >> Q50 Base, RWD >> Repair and Diagnosis (Single Page) >> Accessories & Equipment >> Infotainment >> Audio, Visual & Navigation System (Around View Monitor System) (Introduction, Wiring Diagrams And Basic Inspection) (Except Hybrid) >> System Description >> Around View Monitor System >> Circuit Diagram
April 5, 2026: LEMON Manuals is launched! Read the announcement.

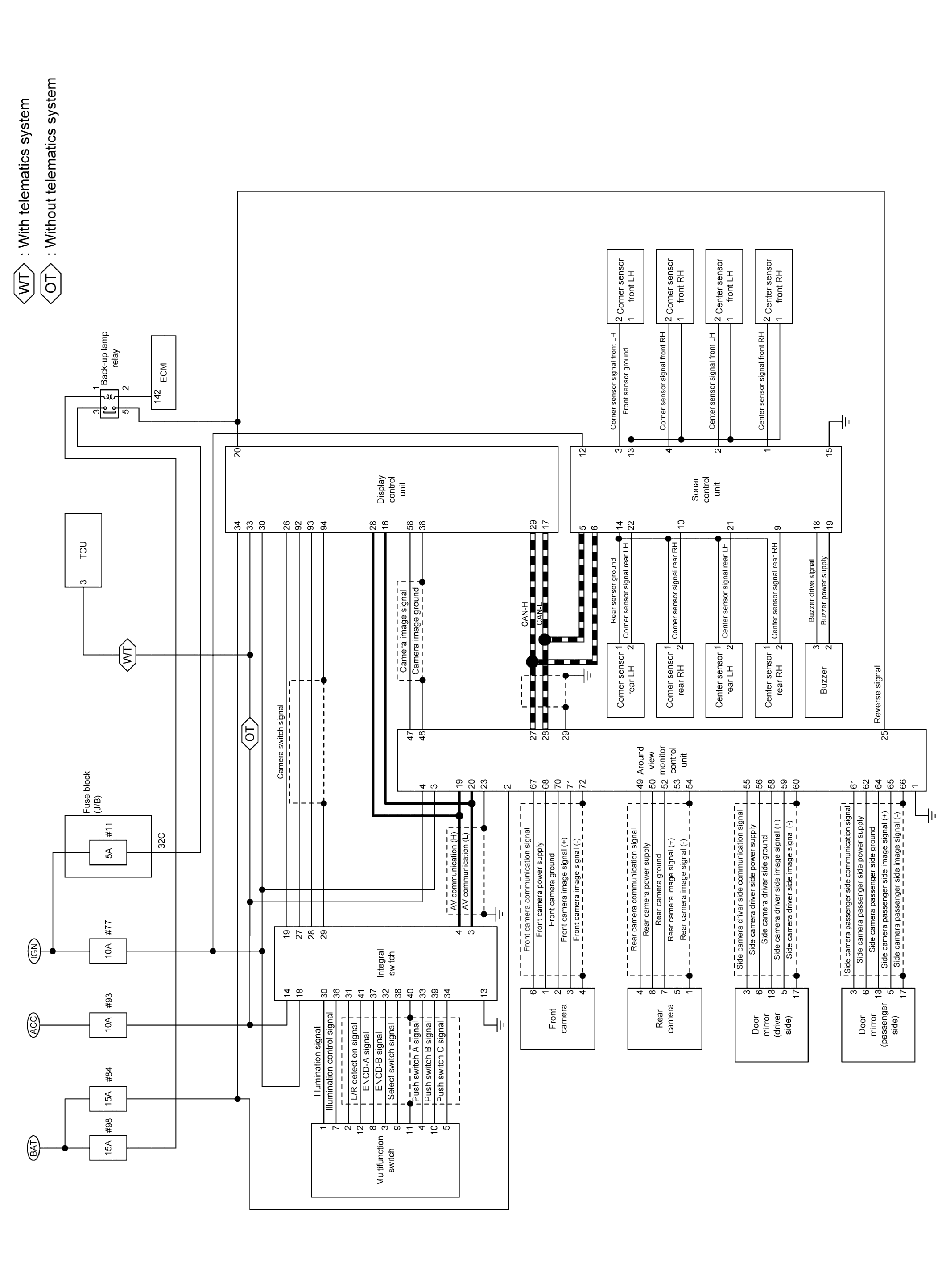
Circuit Diagram

GNSJSNIB0037GB-037Courtesy of NISSAN NORTH AMERICA, INC.
GNSJSNIA8548GB-548Courtesy of NISSAN NORTH AMERICA, INC.