LEMON Manuals: Even more car manuals for everyone: 1960-2025
Home >> Infiniti >> 2016 >> QX50 AWD >> Repair and Diagnosis (Single Page) >> Accessories & Equipment >> Anti-Theft Systems >> Security Control System (DTC/Circuit Diagnosis) >> DTC/Circuit Diagnosis >> Vehicle Security System >> Wiring Diagram - Vehicle Security System -
April 5, 2026: LEMON Manuals is launched! Read the announcement.

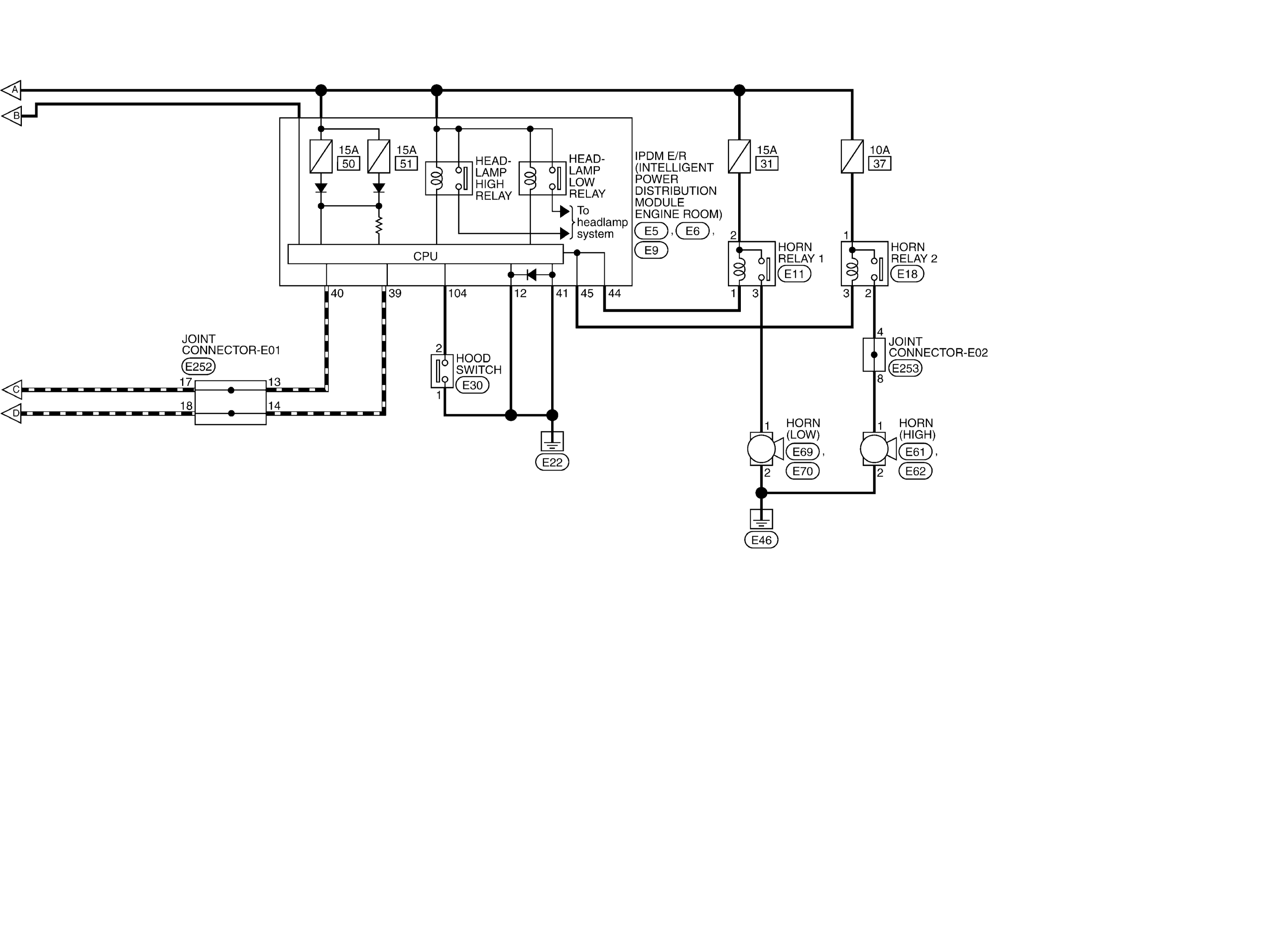
Wiring Diagram - Vehicle Security System -

GNSJRKWF3775GB-775Courtesy of NISSAN NORTH AMERICA, INC.
GNSJRKWF3776GB-776Courtesy of NISSAN NORTH AMERICA, INC.
GNSJRKWF3777GB-777Courtesy of NISSAN NORTH AMERICA, INC.
GNSJRKWF3778GB-778Courtesy of NISSAN NORTH AMERICA, INC.
GNSJRKWF3779GB-779Courtesy of NISSAN NORTH AMERICA, INC.
GNSJRKWF3780GB-780Courtesy of NISSAN NORTH AMERICA, INC.
GNSJRKWF3781GB-781Courtesy of NISSAN NORTH AMERICA, INC.
GNSJRKWF3782GB-782Courtesy of NISSAN NORTH AMERICA, INC.
GNSJRKWF3783GB-783Courtesy of NISSAN NORTH AMERICA, INC.
GNSJRKWF3784GB-784Courtesy of NISSAN NORTH AMERICA, INC.
GNSJRKWF3785GB-785Courtesy of NISSAN NORTH AMERICA, INC.