LEMON Manuals: Even more car manuals for everyone: 1960-2025
Home >> Infiniti >> 2016 >> QX50 AWD >> Repair and Diagnosis (Single Page) >> Body & Frame >> Door Locks >> Security Control System (DTC/Circuit Diagnosis) >> DTC/Circuit Diagnosis >> Intelligent Key System/Engine Start Function >> Wiring Diagram - Intelligent Key System/Engine Start Function -
April 5, 2026: LEMON Manuals is launched! Read the announcement.

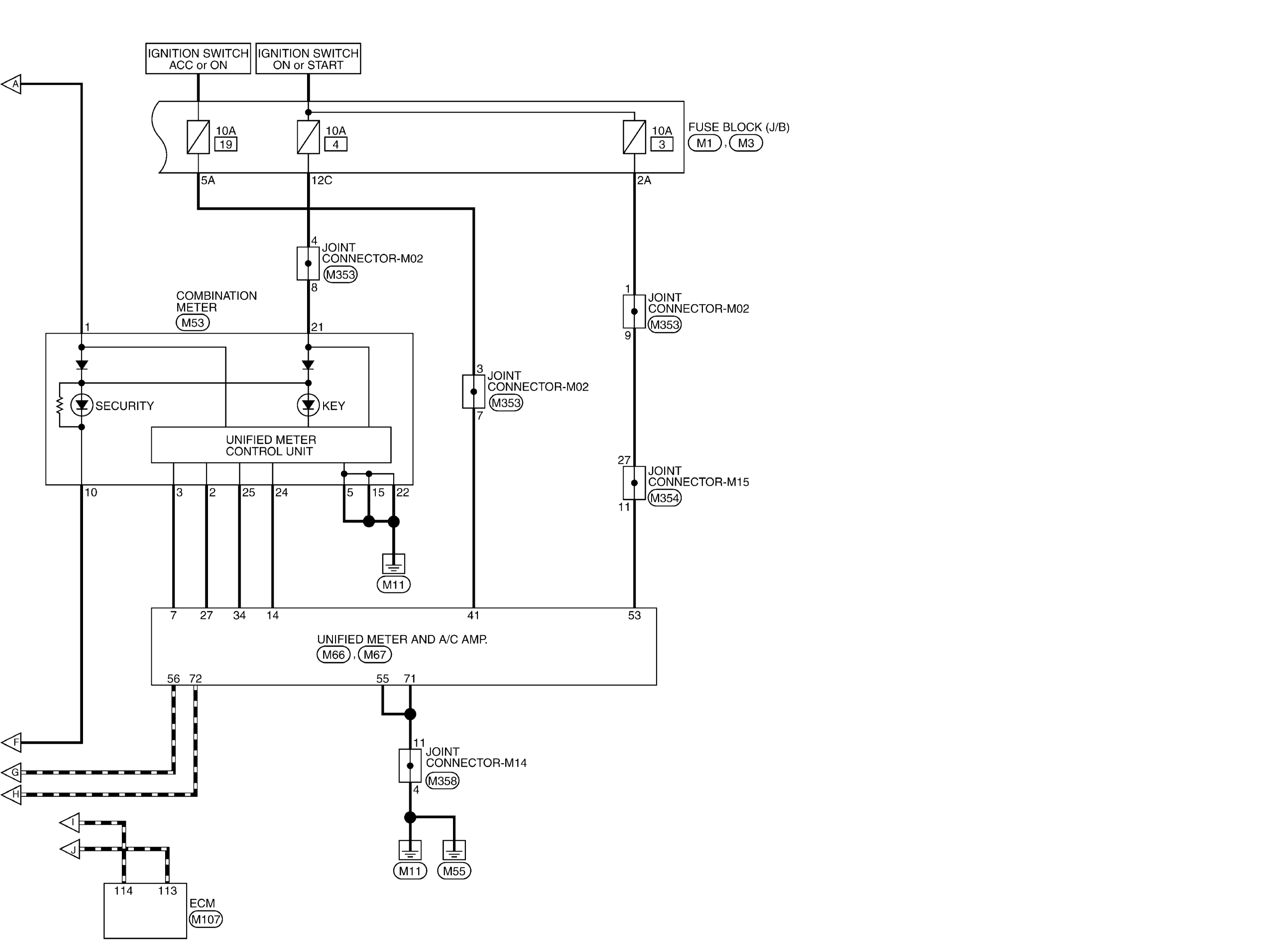
Wiring Diagram - Intelligent Key System/Engine Start Function -

GNSJRKWF3761GB-761Courtesy of NISSAN NORTH AMERICA, INC.
GNSJRKWF3762GB-762Courtesy of NISSAN NORTH AMERICA, INC.
GNSJRKWF3763GB-763Courtesy of NISSAN NORTH AMERICA, INC.
GNSJRKWF3764GB-764Courtesy of NISSAN NORTH AMERICA, INC.
GNSJRKWF3765GB-765Courtesy of NISSAN NORTH AMERICA, INC.
GNSJRKWF3766GB-766Courtesy of NISSAN NORTH AMERICA, INC.
GNSJRKWF3767GB-767Courtesy of NISSAN NORTH AMERICA, INC.
GNSJRKWF3768GB-768Courtesy of NISSAN NORTH AMERICA, INC.
GNSJRKWF3769GB-769Courtesy of NISSAN NORTH AMERICA, INC.
GNSJRKWF3770GB-770Courtesy of NISSAN NORTH AMERICA, INC.
GNSJRKWF3771GB-771Courtesy of NISSAN NORTH AMERICA, INC.
GNSJRKWF3772GB-772Courtesy of NISSAN NORTH AMERICA, INC.
GNSJRKWF3773GB-773Courtesy of NISSAN NORTH AMERICA, INC.
GNSJRKWF3774GB-774Courtesy of NISSAN NORTH AMERICA, INC.