LEMON Manuals: Even more car manuals for everyone: 1960-2025
Home >> Infiniti >> 2017 >> Q60 Base, AWD >> Repair and Diagnosis (Single Page) >> Engine Performance >> System >> Engine Control System (Basic Inspection) (2.0L Turbo) >> Basic Inspection >> Chassis Dynamometer Mode >> Work Procedure >> Diagnostic Test
April 5, 2026: LEMON Manuals is launched! Read the announcement.

Diagnostic Test

  1. PRECONDITIONING

    Check the following before performing test.

    • No DTC is detected in all ECU.
    • Stop lamp switch and brake pedal position switch operate normally.
    • Stop/Start OFF switch operates normally.
    • Battery voltage is 10 V or more at Ignition Switch ON.

    GO TO STEP 2  .

  2. SET THE VEHICLE TO CHASSIS DYNAMOMETER MODE

    G-20 With CONSULT

    1. Start the engine.
    2. Check that the charging system does not have a malfunction. (Charge warning lamp is OFF.)
    3. On CONSULT screen, select "EMCM" >> "WORK SUPPORT" >> "CHASSIS DYNAMOMETER MODE".
    4. Touch "ON".
    5. Check that the charge warning lamp is blinking in a few seconds.

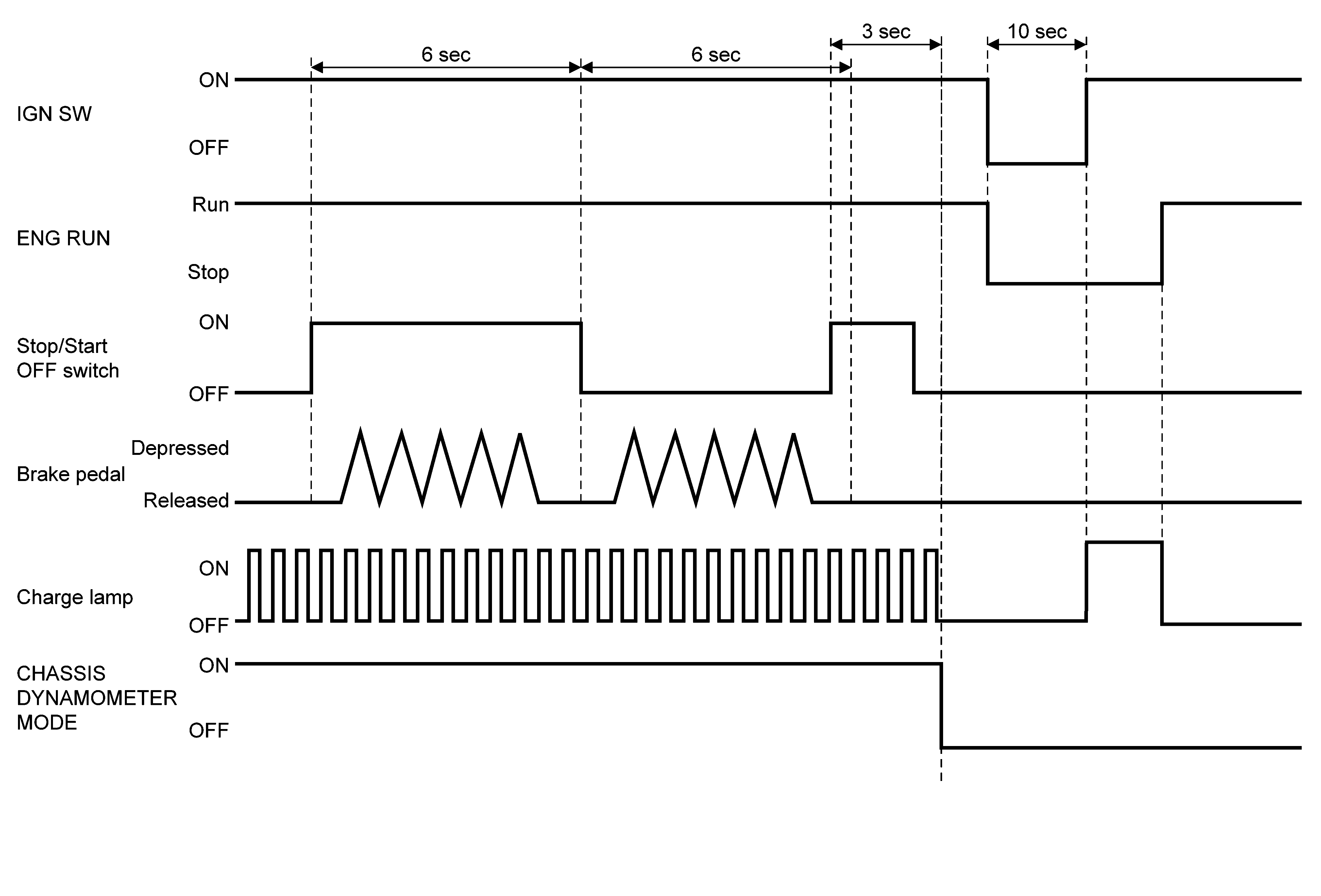
    G-21 Without CONSULT

    1. Turn Ignition Switch OFF and wait at least 10 seconds.
    2. Turn Ignition Switch ON.
    3. With the stop/start OFF switch pushed, repeat depress and release the brake 5 times within 6 seconds.
    4. Release the stop/start OFF switch and repeat depress and release the brake 5 times within 6 seconds.
    5. With the brake pedal released, press the stop/start OFF switch within 2 seconds.
      CAUTION:

      Never push stop/start OFF switch more than once.

    6. Check that the stop/start status indicator is blinking in a few seconds. (Stop/Start status indicator repeats ON → OFF up to 6 times.)
    7. Start the engine and let it idle under the following conditions:
      • Vehicle stopped.
      • Selector lever: P or N
      • Parking brake: applied
    8. Check that the charge warning lamp is blinking in a few seconds.
      GNSJSBIA5269GB-269Courtesy of NISSAN NORTH AMERICA, INC.

    Is the charge warning lamp blinking?

    YES 

    GO TO STEP 3  .

    NO 

    Repeat work procedure 2.

  3. PERFORM 2-WHEEL DRIVE TEST

    1. Turn VDC OFF switch is ON. (Check that the VDC OFF indicator lamp is ON)
    2. Perform the test using the chassis dynamometer.

    GO TO STEP 4  .

  4. CANCEL CHASSIS DYNAMOMETER MODE - 1

    CAUTION:

    Always cancel Chassis Dynamometer Mode after the test.

    1. Move the vehicle from the tester.
    2. Turn Ignition Switch OFF and wait at least 10 seconds.
    3. Start the engine.
    4. Drive the vehicle at 20 km/h (13 MPH) or more at least 10 seconds.
    5. Stop the vehicle.
    6. Check that the charge warning lamp is not blinking.

    Is the charge warning lamp blinking?

    YES 

    GO TO STEP 5  .

    NO 

    GO TO STEP 6  .

  5. CANCEL CHASSIS DYNAMOMETER MODE - 2

    CAUTION:
    • Always cancel Chassis Dynamometer Mode after the test.
    • Erase DTC after this procedure otherwise MIL may turn ON.

    G-20 With CONSULT

    1. Turn Ignition Switch OFF and wait at least 10 seconds.
    2. Start the engine.
    3. On CONSULT screen, select "EMCM" >> "WORK SUPPORT" >> "CHASSIS DYNAMOMETER MODE".
    4. Touch "OFF".
    5. Turn Ignition Switch OFF and wait at least 10 seconds.
    6. Turn Ignition Switch ON and check that the charge warning lamp turns ON.
    7. Start the engine and check that the charge warning lamp turns OFF.

    G-21 Without CONSULT

    1. Turn Ignition Switch OFF and wait at least 10 seconds.
    2. Start the engine.
    3. Set the vehicle under the following conditions:
      • Engine is running
      • Vehicle stopped.
      • Selector lever: P or N
      • Parking brake: applied
    4. Check that the charging system does not have a malfunction. (Charge warning lamp is blinking.)
    5. With the stop/start OFF switch pushed, repeat depress and release the brake 5 times within 6 seconds.
    6. Release the stop/start OFF switch and repeat depress and release the brake 5 times within 6 seconds.
    7. With the brake pedal released, press the stop/start OFF switch within 2 seconds.
      CAUTION:

      Never push stop/start OFF switch more than once.

    8. Check that the charge warning lamp turns OFF in a few seconds.
    9. Turn Ignition Switch OFF and wait at least 10 seconds.
    10. Turn Ignition Switch ON and check that the charge warning lamp turns ON.
    11. Start the engine and check that the charge warning lamp turns OFF.
    GNSJSBIA5270GB-270Courtesy of NISSAN NORTH AMERICA, INC.

    Does the charge warning lamp turn OFF?

    YES 

    GO TO STEP 6  .

    NO 

    Check that DTC is not detected in all ECU. And then repeat work procedure 5.

  6. CHECK DTC

    1. Turn Ignition Switch OFF and wait at least 30 seconds.
    2. Turn Ignition Switch ON.
    3. Check that DTC is not detected in all ECU.

    Is inspection result normal?

    YES 

    END

    NO 

    Erase DTC.