LEMON Manuals: Even more car manuals for everyone: 1960-2025
Home >> Infiniti >> 2017 >> Q60 Base, AWD >> Repair and Diagnosis (Single Page) >> Transmission >> Automatic Trans >> Automatic Transmission (Removal And Installation) >> Unit Disassembly And Assembly >> Transmission Assembly >> Exploded View With Torque Specifications >> AWD Models
April 5, 2026: LEMON Manuals is launched! Read the announcement.

AWD Models

G07233578Courtesy of NISSAN NORTH AMERICA, INC.
WHITE-1 Torque Converter WHITE-2 Converter Housing WHITE-3 Oil Pump Housing Oil Seal
WHITE-4 Oil Pump Housing WHITE-5 O-Ring WHITE-6 Oil Pump Cover
WHITE-7 O-Ring WHITE-8 D-Ring WHITE-9 D-Ring
WHITE-10 Front Brake Piston WHITE-11 Front Brake Spring Retainer WHITE-12 Snap Ring
WHITE-13 D-Ring WHITE-14 D-Ring WHITE-15 2346 Brake Piston
WHITE-16 2346 Brake Spring Retainer WHITE-17 Snap Ring WHITE-18 Seal Ring
WHITE-19 2346 Brake Dish Plate WHITE-20 2346 Brake Driven Plate CIRCLE WHITE-21 2346 Brake Drive Plate
CIRCLE WHITE-22 2346 Brake Retaining Plate CIRCLE WHITE-23 Snap Ring CIRCLE WHITE-24 Bearing Race
CIRCLE WHITE-25 Needle Bearing CIRCLE WHITE-26 Under Drive Sun Gear CIRCLE WHITE-27 Needle Bearing
CIRCLE WHITE-28 Front Brake Retaining Plate CIRCLE WHITE-29 Front Brake Drive Plate CIRCLE WHITE-30 Front Brake Driven Plate
CIRCLE WHITE-31 Front Brake Retaining Plate CIRCLE WHITE-32 Snap Ring CIRCLE WHITE-33 1st One-Way Clutch
CIRCLE WHITE-34 Snap Ring CIRCLE WHITE-35 Under Drive Carrier Assembly CIRCLE WHITE-36 Front Brake Hub Assembly
DISAS : Always replace after every disassembly.
BOLT : N•m (kg-m, ft-lb)        
BOLTIN : N•m (kg-m, in-lb)        
STARF : Select with proper thickness.        
ATF : Apply ATF.        
GP : Apply petroleum jelly.        
SEAL : Apply Genuine RTV silicone sealant or equivalent. Refer to RECOMMENDED CHEMICAL PRODUCTS AND SEALANTS .
GNSJPDIA1188ZZ-188Courtesy of NISSAN NORTH AMERICA, INC.
WHITE-1 Needle Bearing WHITE-2 Snap Ring WHITE-3 Front Carrier Assembly
WHITE-4 Needle Bearing WHITE-5 O-Ring WHITE-6 Seal Ring
WHITE-7 Input Clutch Assembly WHITE-8 Rear Internal Gear WHITE-9 Needle Bearing
WHITE-10 Mid Carrier Assembly WHITE-11 Needle Bearing WHITE-12 Bearing Race
WHITE-13 Rear Carrier Assembly WHITE-14 Needle Bearing WHITE-15 Mid Sun Gear
WHITE-16 Seal Ring WHITE-17 Rear Sun Gear WHITE-18 2nd One-Way Clutch
WHITE-19 Snap Ring WHITE-20 Needle Bearing CIRCLE WHITE-21 High And Low Reverse Clutch Hub
CIRCLE WHITE-22 Snap Ring CIRCLE WHITE-23 Bearing Race CIRCLE WHITE-24 Needle Bearing
DISAS : Always replace after every disassembly.
ATF : Apply ATF.        
GP : Apply petroleum jelly.        
GNSJPDIA1190ZZ-190Courtesy of NISSAN NORTH AMERICA, INC.
WHITE-1 Bearing Race WHITE-2 High And Low Reverse Clutch Assembly WHITE-3 Needle Bearing
WHITE-4 Direct Clutch Assembly WHITE-5 Needle Bearing WHITE-6 Reverse Brake Dish Plate
WHITE-7 Reverse Brake Dish Plate WHITE-8 Reverse Brake Driven Plate WHITE-9 N-Spring
WHITE-10 Snap Ring WHITE-11 Reverse Brake Retaining Plate WHITE-12 Reverse Brake Drive Plate
WHITE-13 Snap Ring WHITE-14 Reverse Brake Spring Retainer WHITE-15 Reverse Brake Return Spring
WHITE-16 Reverse Brake Piston WHITE-17 D-Ring WHITE-18 D-Ring
DISAS : Always replace after every disassembly.
STARF : Select with proper thickness.        
ATF : Apply ATF.        
GP : Apply petroleum jelly.        
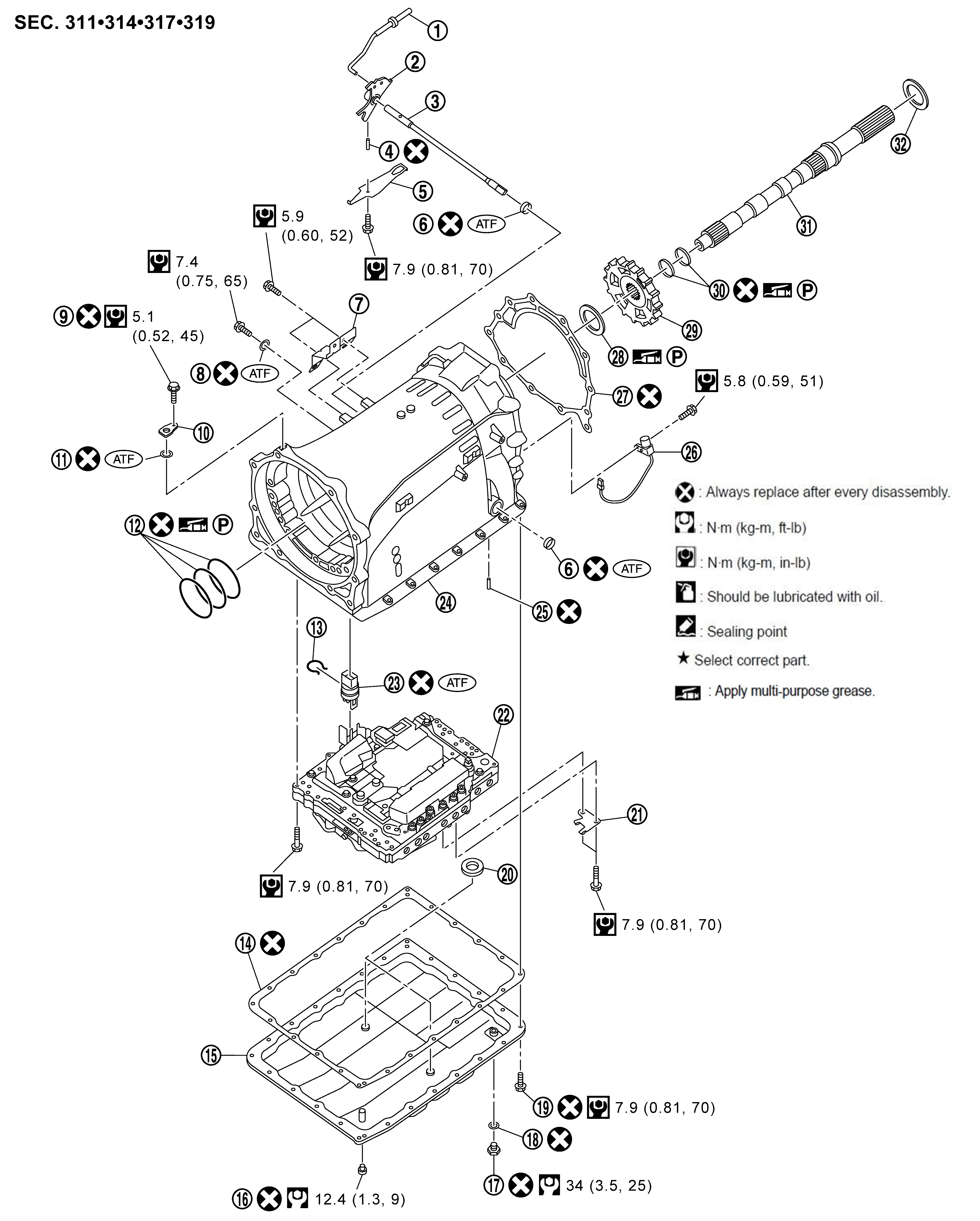
GNSJSDIA9112GB-112Courtesy of NISSAN NORTH AMERICA, INC.
WHITE-1 Parking Rod WHITE-2 Manual Plate WHITE-3 Manual Shaft
WHITE-4 Retaining Pin WHITE-5 Detent Spring WHITE-6 Oil Seal
WHITE-7 Bracket WHITE-8 O-Ring WHITE-9 Self-Sealing Bolt
WHITE-10 Baffle Plate WHITE-11 O-Ring WHITE-12 Seal Ring
WHITE-13 Snap Ring WHITE-14 Oil Pan Gasket WHITE-15 Oil Pan
WHITE-16 Overflow Plug WHITE-17 Drain Plug WHITE-18 Drain Plug Gasket
WHITE-19 Oil Pan Mounting Bolt WHITE-20 Magnet CIRCLE WHITE-21 Clip
CIRCLE WHITE-22 Control Valve & TCM CIRCLE WHITE-23 Joint Connector CIRCLE WHITE-24 Transmission Case
CIRCLE WHITE-25 Retaining Pin CIRCLE WHITE-26 Output Speed Sensor CIRCLE WHITE-27 Gasket
CIRCLE WHITE-28 Needle Bearing CIRCLE WHITE-29 Parking Gear CIRCLE WHITE-30 Seal Ring
CIRCLE WHITE-31 Output Shaft CIRCLE WHITE-32 Bearing Race    
DISAS : Always replace after every disassembly.
BOLT : N•m (kg-m, ft-lb)        
BOLTIN : N•m (kg-m, in-lb)        
ATF : Apply ATF.        
GP : Apply petroleum jelly.        
GNSJSDIA9109GB-109Courtesy of NISSAN NORTH AMERICA, INC.
WHITE-1 Parking Actuator Support WHITE-2 Parking Pawl WHITE-3 Pawl Shaft
WHITE-4 Return Spring WHITE-5 Needle Bearing WHITE-6 Rear Oil Seal
WHITE-7 Adapter Case WHITE-8 Bracket    
DISAS : Always replace after every disassembly.
BOLT : N•m (kg-m, ft-lb)        
ATF : Apply ATF.        
GP : Apply petroleum jelly.