LEMON Manuals: Even more car manuals for everyone: 1960-2025
Home >> Infiniti >> 2017 >> Q60 Base, AWD >> Repair and Diagnosis >> Accessories & Equipment >> Cruise Control Systems >> Cruise Control System (ASCD) >> System Description >> System >> Circuit Diagram
April 5, 2026: LEMON Manuals is launched! Read the announcement.

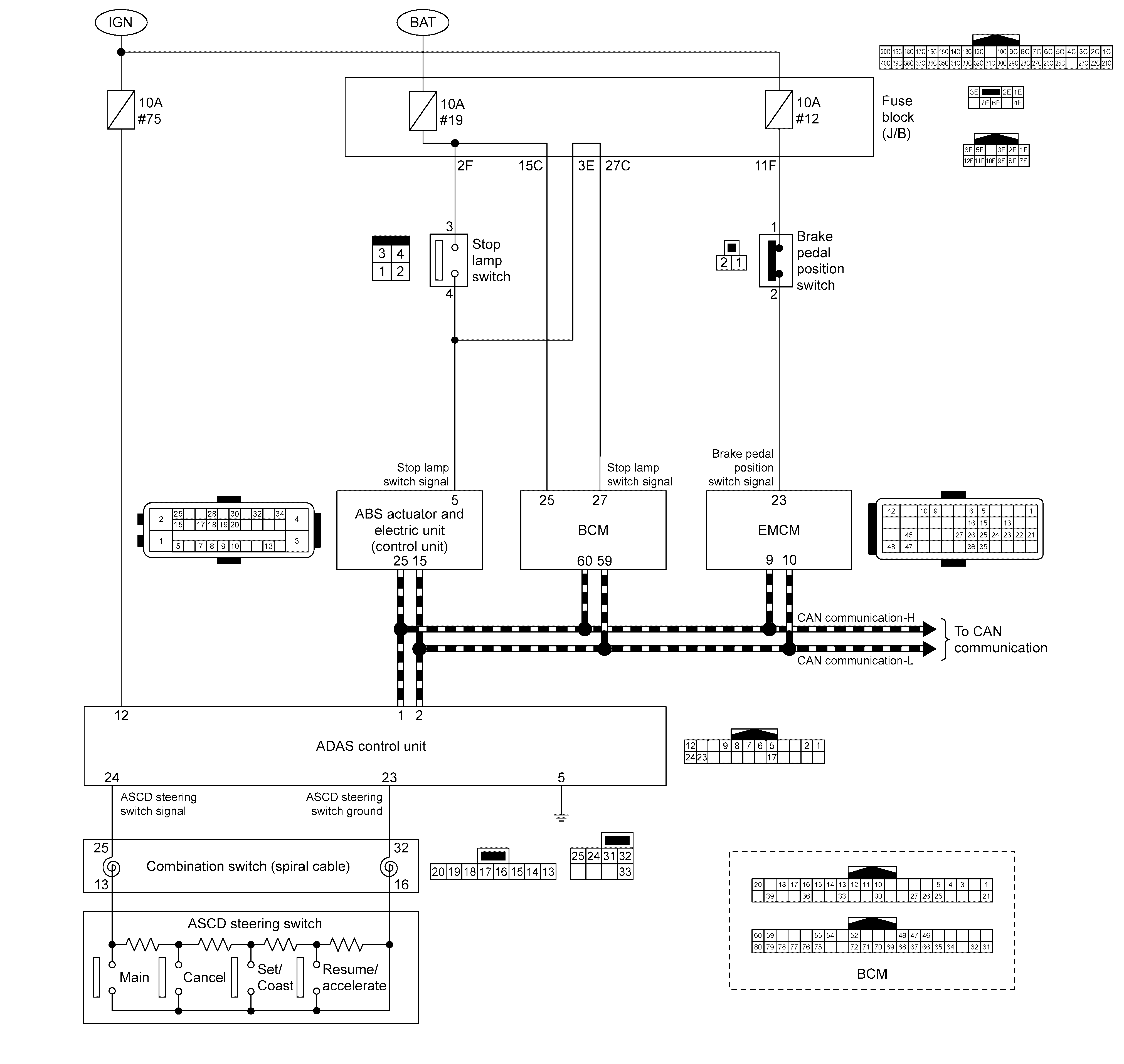
Circuit Diagram

GNSJSOIA2538GB-538Courtesy of NISSAN NORTH AMERICA, INC.