LEMON Manuals: Even more car manuals for everyone: 1960-2025
Home >> Infiniti >> 2017 >> Q60 Base, AWD >> Repair and Diagnosis >> Engine Performance >> Testing & Diagnosis >> Engine Control System (Introduction) (2.0L Turbo) >> System Description >> System >> Engine Control System >> Circuit Diagram
April 5, 2026: LEMON Manuals is launched! Read the announcement.

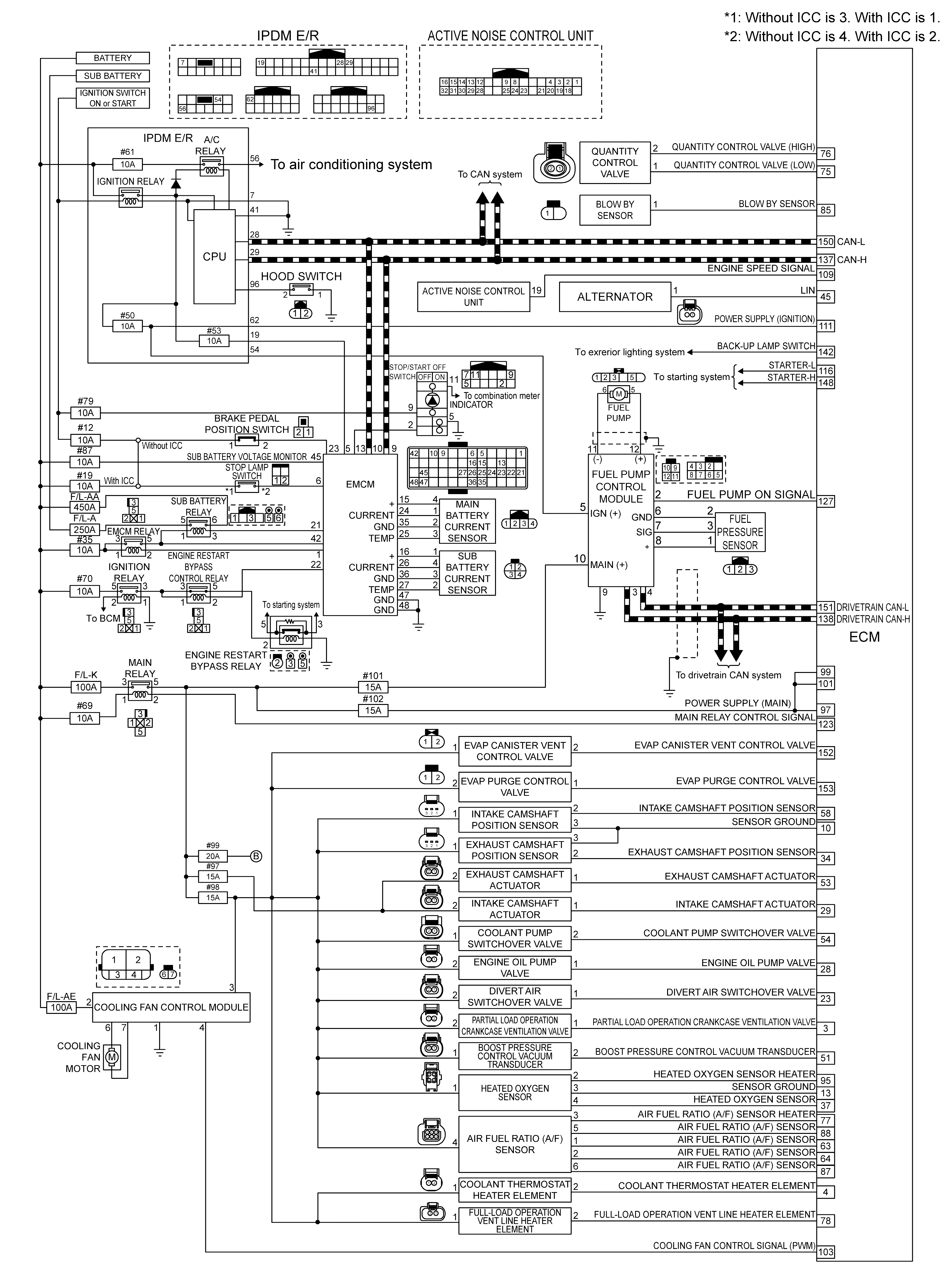
Circuit Diagram

GNSJSBIB0022GB-022Courtesy of NISSAN NORTH AMERICA, INC.
GNSJSBIB0023GB-023Courtesy of NISSAN NORTH AMERICA, INC.