LEMON Manuals: Even more car manuals for everyone: 1960-2025
Home >> Infiniti >> 2017 >> Q60 Base, RWD >> Repair and Diagnosis (Single Page) >> Accessories & Equipment >> Drivers Assistance Systems - ADAS >> Driver Assistance System (ADAS Control Unit) (Introduction, Basic Diagnosis, DTC/Circuit Diagnosis) (1 Of 2) >> System Description >> System >> Circuit Diagram >> 2.0L Turbo Gasoline Engine
April 5, 2026: LEMON Manuals is launched! Read the announcement.

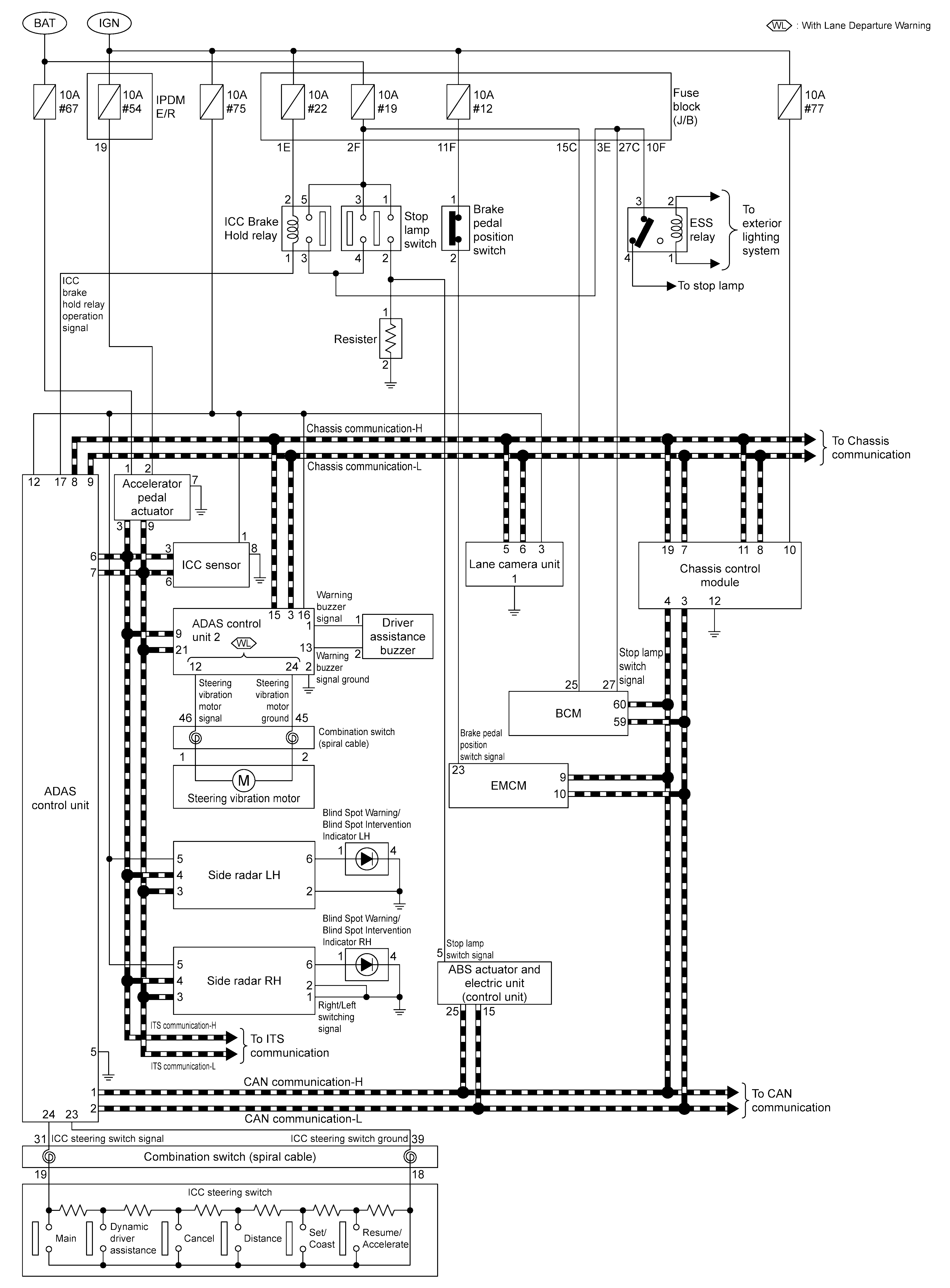
2.0L Turbo Gasoline Engine

GNSJSOIA2588GB-588Courtesy of NISSAN NORTH AMERICA, INC.
GNSJSOIA2589GB-589Courtesy of NISSAN NORTH AMERICA, INC.