LEMON Manuals: Even more car manuals for everyone: 1960-2025
Home >> Infiniti >> 2017 >> Q60 Base, RWD >> Repair and Diagnosis (Single Page) >> Accessories & Equipment >> Entertainment Systems >> Audio, Visual & Navigation System (Around View Monitor System) (Introduction, Wiring Diagrams And Basic Inspection) >> System Description >> Around View Monitor System >> Circuit Diagram >> 2.0L Turbo Gasoline Engine
April 5, 2026: LEMON Manuals is launched! Read the announcement.

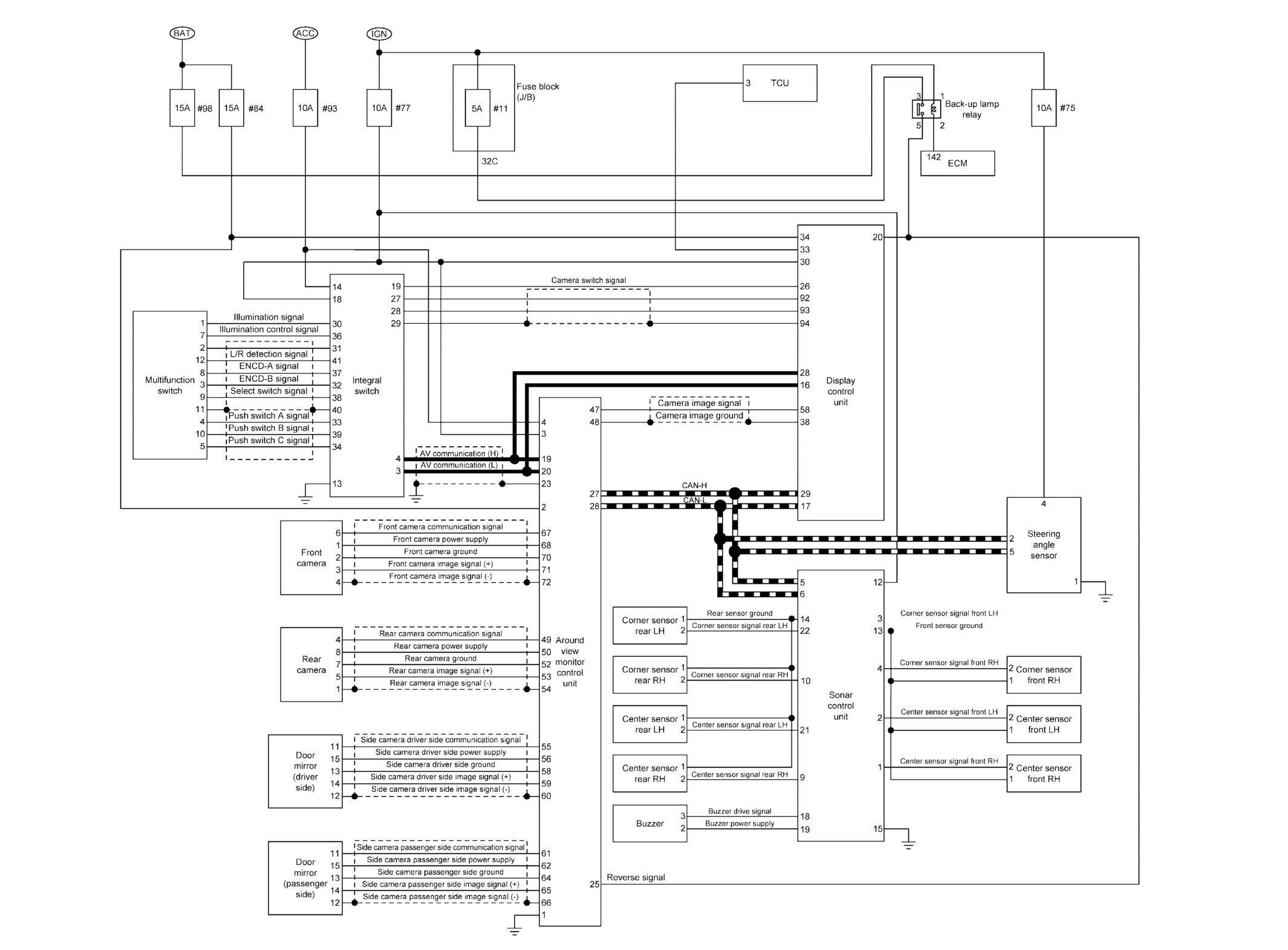
2.0L Turbo Gasoline Engine

GNSJSNIB0556GB-556Courtesy of NISSAN NORTH AMERICA, INC.
GNSJSNIB0557GB-557Courtesy of NISSAN NORTH AMERICA, INC.