LEMON Manuals: Even more car manuals for everyone: 1960-2025
Home >> Infiniti >> 2017 >> Q60 Base, RWD >> Repair and Diagnosis (Single Page) >> Heating, Ventilation & A/C (HVAC) >> HVAC Control Systems >> Heater & Air Conditioning Control System >> System Description >> System >> Stop/Start System >> Circuit Diagram
April 5, 2026: LEMON Manuals is launched! Read the announcement.

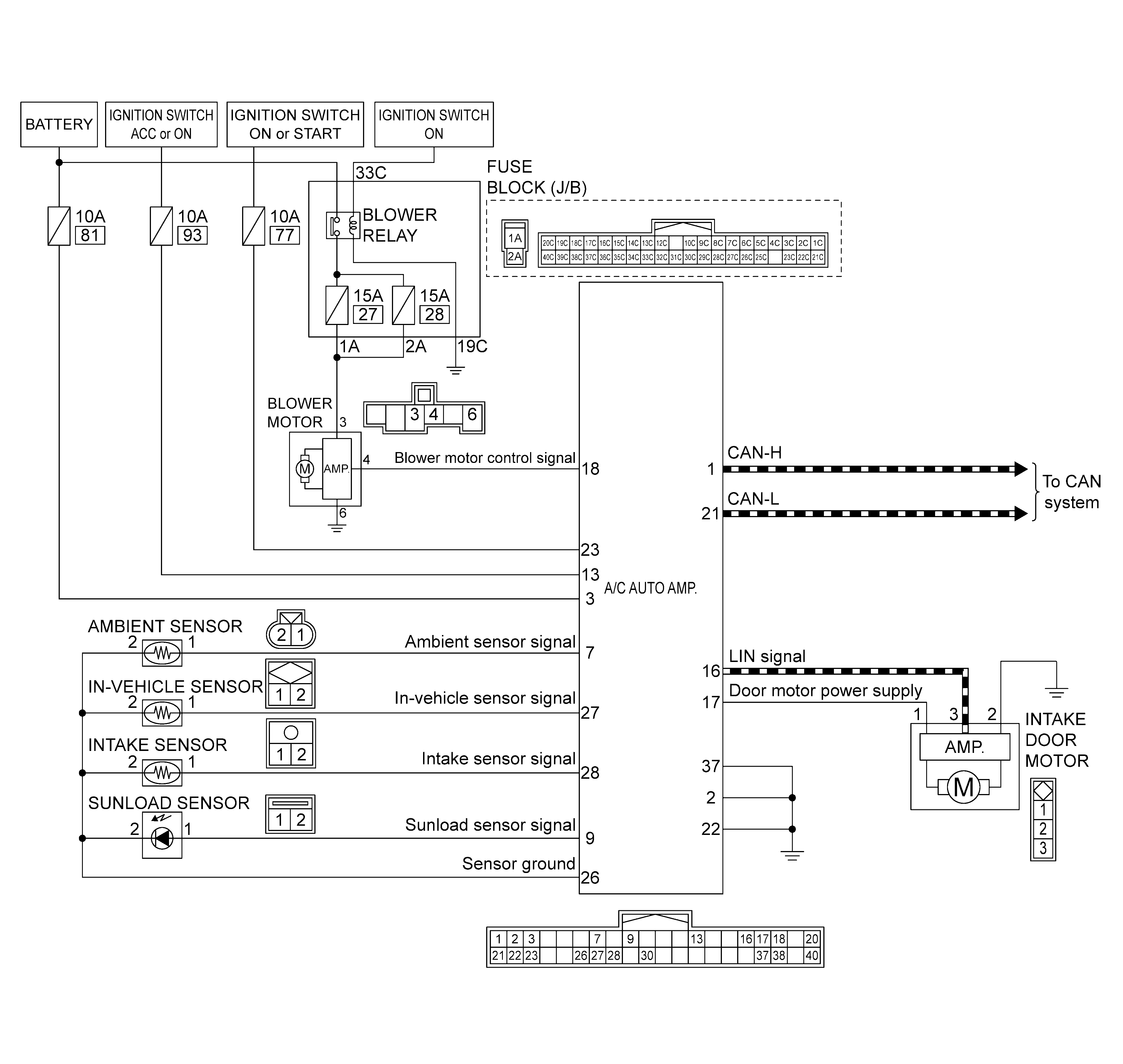
Circuit Diagram

GNSJMIIA4779GB-779Courtesy of NISSAN NORTH AMERICA, INC.