LEMON Manuals: Even more car manuals for everyone: 1960-2025
Home >> Infiniti >> 2017 >> Q60 Base, RWD >> Repair and Diagnosis (Single Page) >> Transmission >> Automatic Trans >> Automatic Transmission (Introduction, Wiring Diagrams And Basic Inspection) >> System Description >> System >> A/T Control System >> Circuit Diagram >> VR30DDTT Engine
April 5, 2026: LEMON Manuals is launched! Read the announcement.

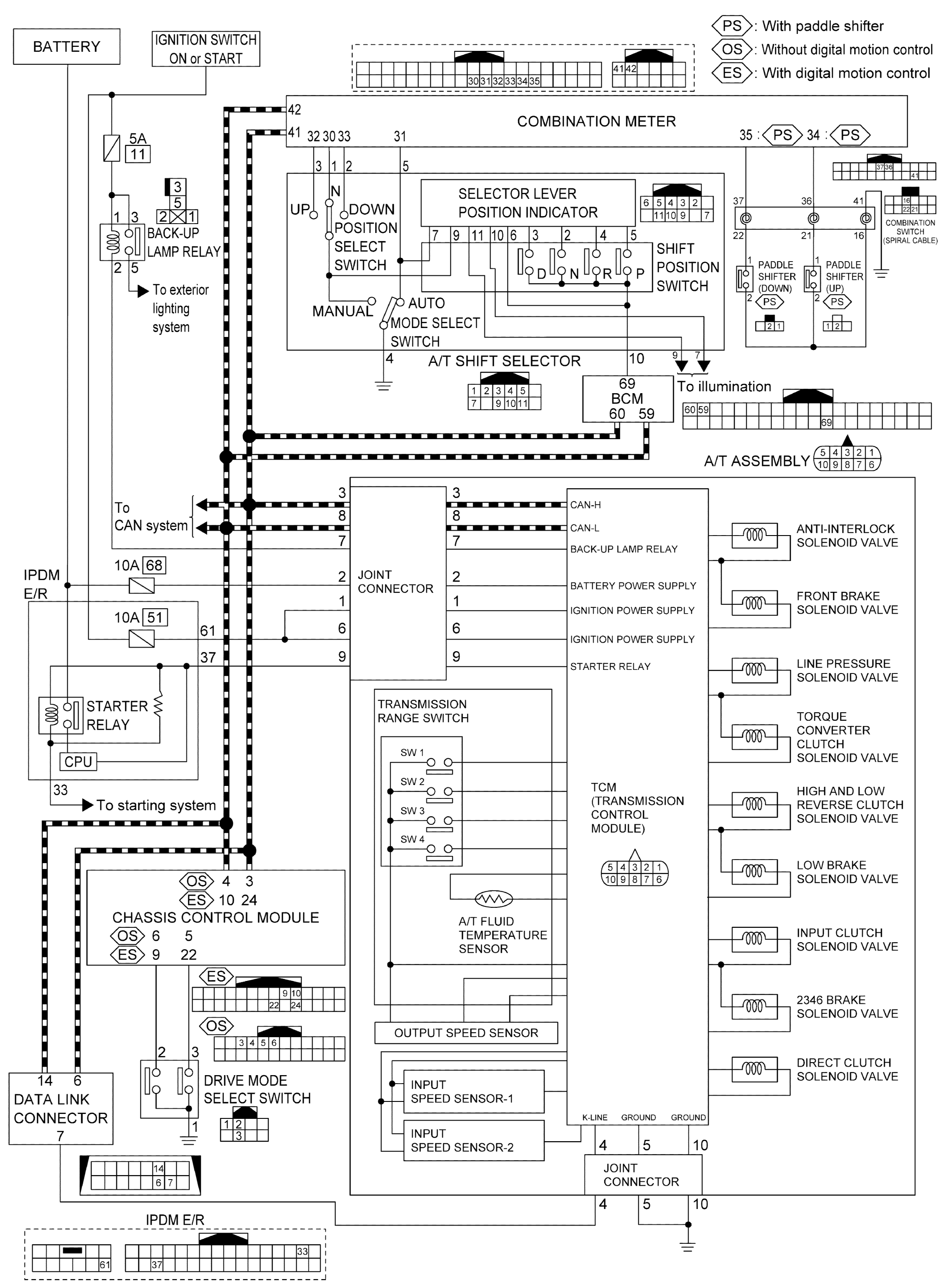
VR30DDTT Engine

GNSJSDIB0203GB-203Courtesy of NISSAN NORTH AMERICA, INC.