LEMON Manuals: Even more car manuals for everyone: 1960-2025
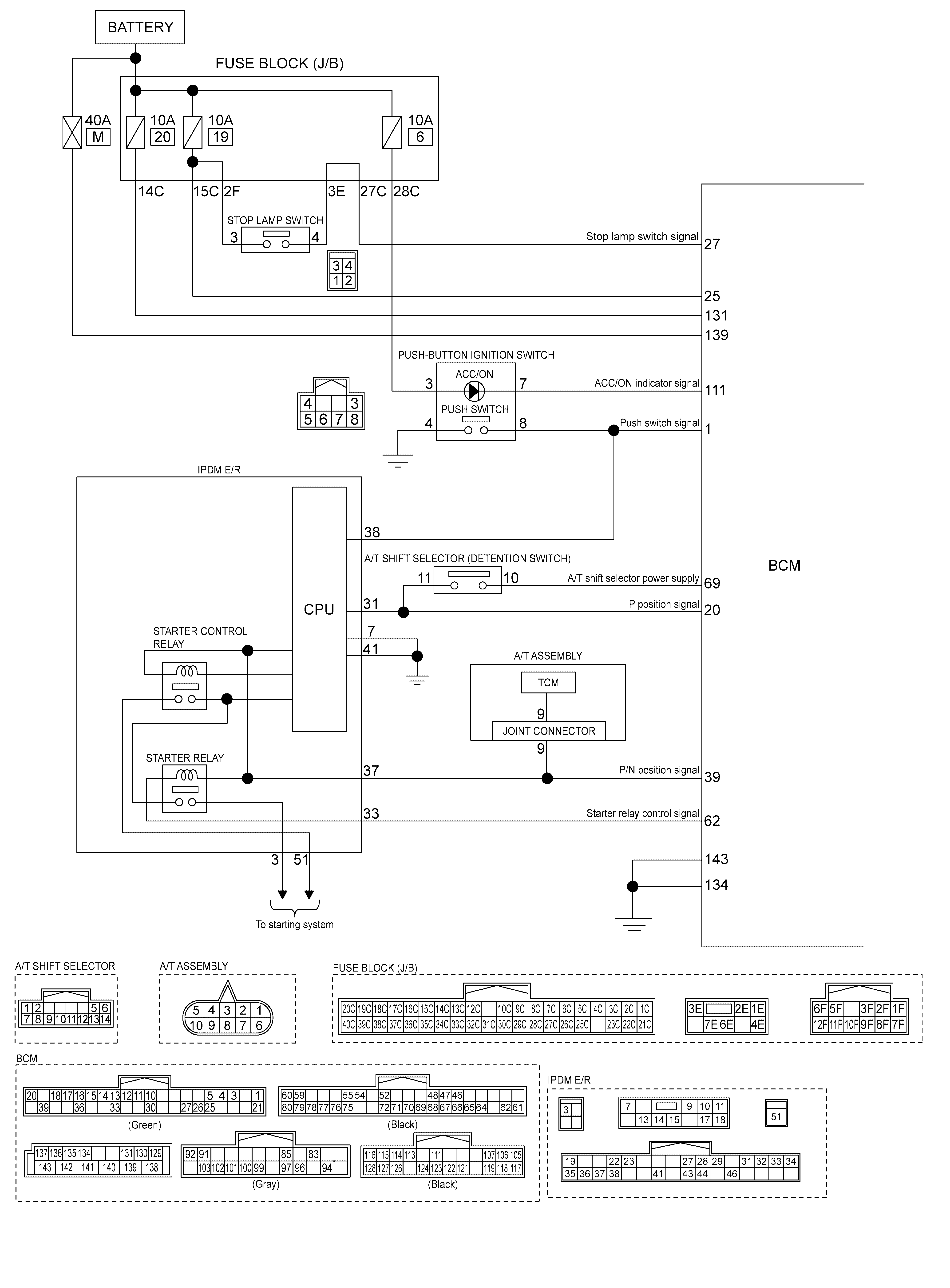
Home >> Infiniti >> 2017 >> Q60 Base, RWD >> Repair and Diagnosis >> Accessories & Equipment >> Anti-Theft Systems >> Security Control System >> System Description >> System >> INFINITI Vehicle Immobilizer System-NATS >> Circuit Diagram >> For VR30DDTT Engine Models
April 5, 2026: LEMON Manuals is launched! Read the announcement.

For VR30DDTT Engine Models

GNSJMKIB6821GB-821Courtesy of NISSAN NORTH AMERICA, INC.
GNSJMKIB6822GB-822Courtesy of NISSAN NORTH AMERICA, INC.