LEMON Manuals: Even more car manuals for everyone: 1960-2025
Home >> Infiniti >> 2017 >> Q60 Base, RWD >> Repair and Diagnosis >> Electrical >> Body Electrical >> Power Control System (Power Distribution System) >> Wiring Diagram >> Power Distribution System >> Wiring Diagram >> VR Engine Models
April 5, 2026: LEMON Manuals is launched! Read the announcement.

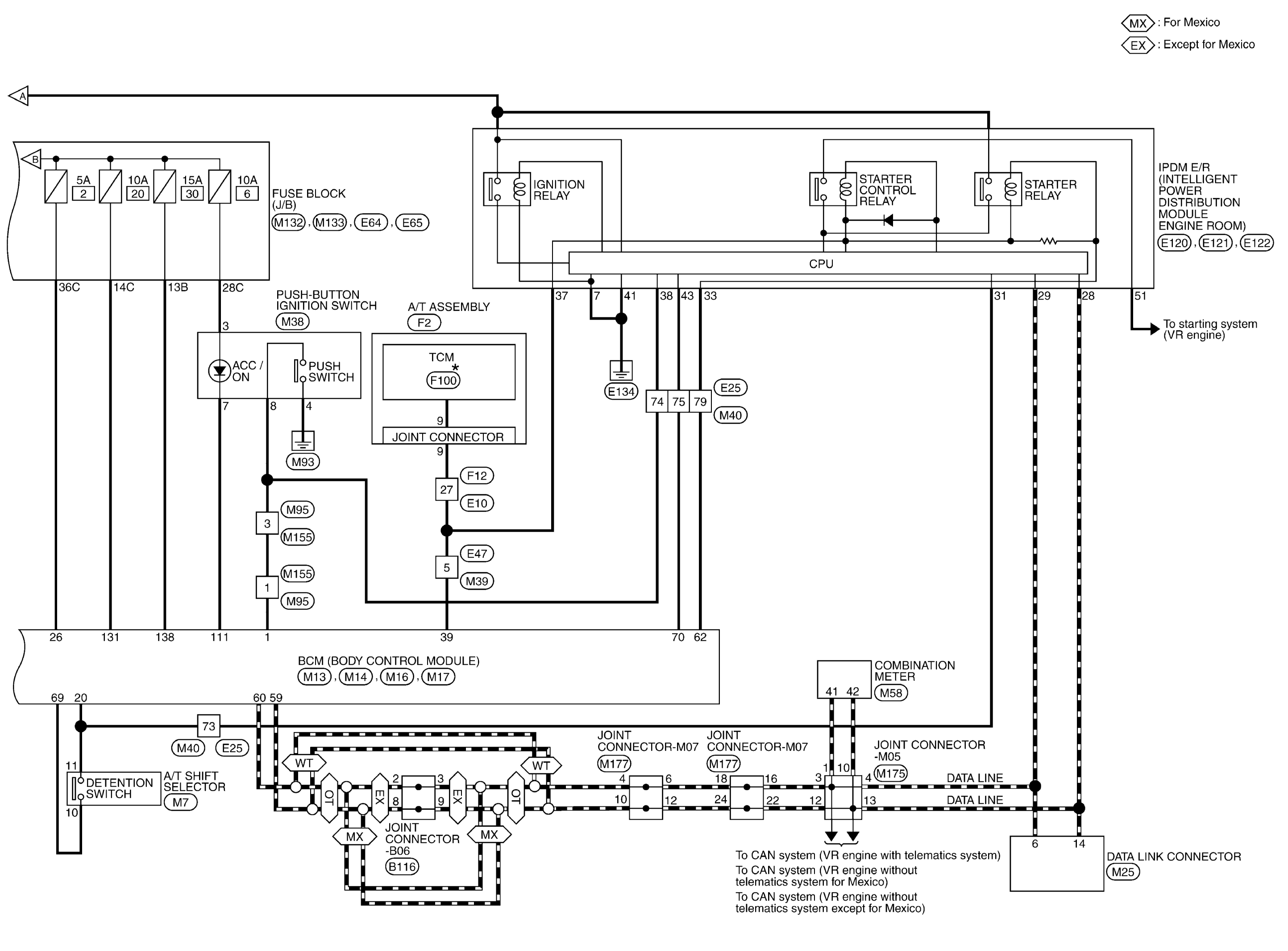
VR Engine Models

GNSJRMWL3434GB-434Courtesy of NISSAN NORTH AMERICA, INC.
GNSJRMWL3435GB-435Courtesy of NISSAN NORTH AMERICA, INC.
GNSJRMWL3436GB-436Courtesy of NISSAN NORTH AMERICA, INC.
GNSJRMWL3437GB-437Courtesy of NISSAN NORTH AMERICA, INC.
GNSJRMWL3438GB-438Courtesy of NISSAN NORTH AMERICA, INC.
GNSJRMWL3439GB-439Courtesy of NISSAN NORTH AMERICA, INC.
GNSJRMWL3440GB-440Courtesy of NISSAN NORTH AMERICA, INC.
GNSJRMWL3441GB-441Courtesy of NISSAN NORTH AMERICA, INC.
GNSJRMWL3442GB-442Courtesy of NISSAN NORTH AMERICA, INC.
GNSJRMWL3443GB-443Courtesy of NISSAN NORTH AMERICA, INC.