LEMON Manuals: Even more car manuals for everyone: 1960-2025
Home >> Infiniti >> 2017 >> QX30 Base >> Repair and Diagnosis >> Body & Frame >> Door Locks >> Security Control System >> System Description >> System >> Vehicle Security System >> Circuit Diagram
April 5, 2026: LEMON Manuals is launched! Read the announcement.

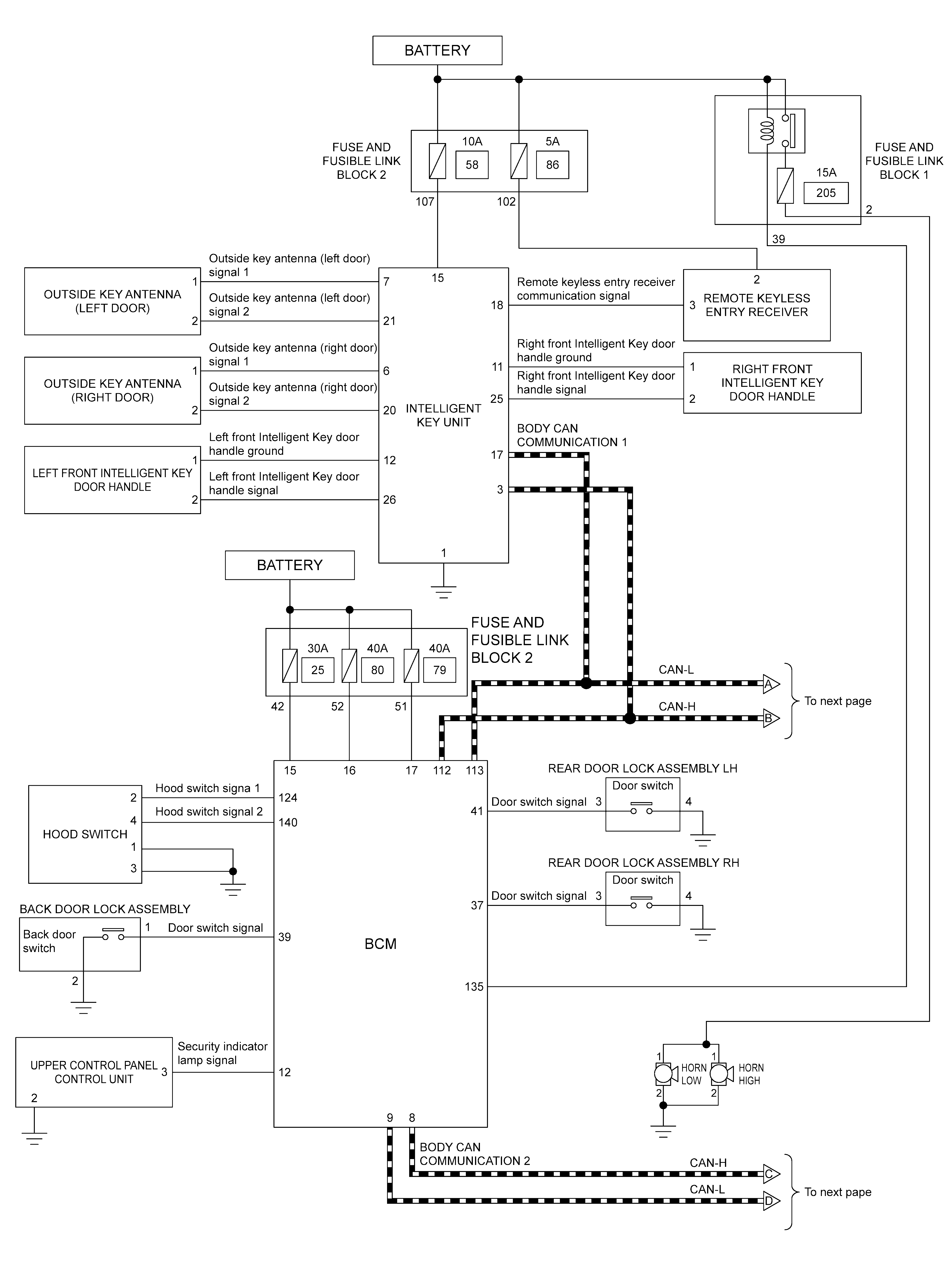
Circuit Diagram

GNSJMKIB6679GB-679Courtesy of NISSAN NORTH AMERICA, INC.
GNSJMKIB6678GB-678Courtesy of NISSAN NORTH AMERICA, INC.