LEMON Manuals: Even more car manuals for everyone: 1960-2025
Home >> Infiniti >> 2017 >> QX50 AWD >> Repair and Diagnosis (Single Page) >> Accessories & Equipment >> Anti-Theft Systems >> Security Control System (DTC/Circuit Diagnosis) >> DTC / Circuit Diagnosis >> Vehicle Security System >> Wiring Diagram - Vehicle Security System -
April 5, 2026: LEMON Manuals is launched! Read the announcement.

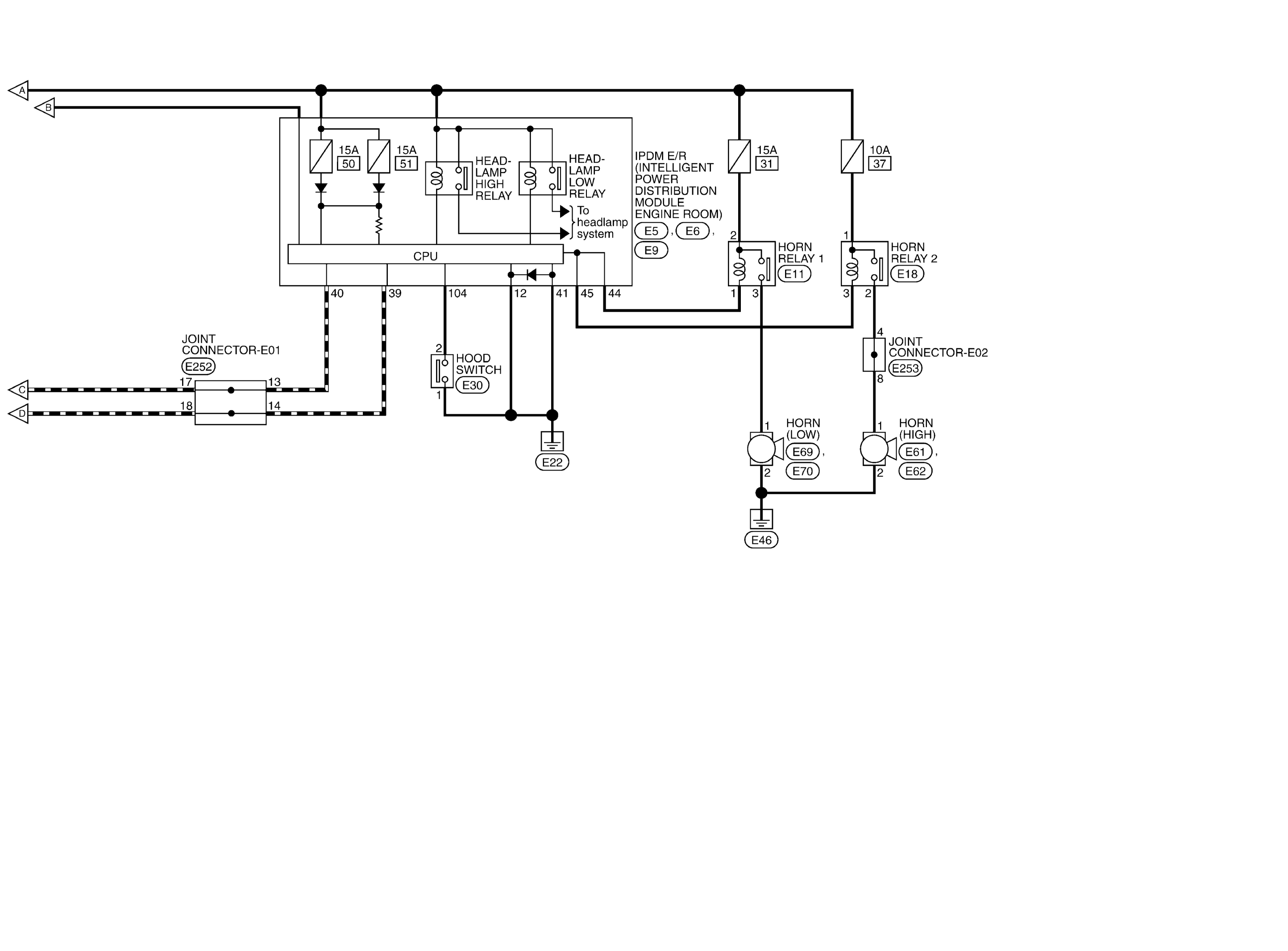
Wiring Diagram - Vehicle Security System -

GNSJRKWG2074GB-074Courtesy of NISSAN NORTH AMERICA, INC.
GNSJRKWG2075GB-075Courtesy of NISSAN NORTH AMERICA, INC.
GNSJRKWG2076GB-076Courtesy of NISSAN NORTH AMERICA, INC.
GNSJRKWG2077GB-077Courtesy of NISSAN NORTH AMERICA, INC.
GNSJRKWG2078GB-078Courtesy of NISSAN NORTH AMERICA, INC.
GNSJRKWG2079GB-079Courtesy of NISSAN NORTH AMERICA, INC.
GNSJRKWG2080GB-080Courtesy of NISSAN NORTH AMERICA, INC.
GNSJRKWG2081GB-081Courtesy of NISSAN NORTH AMERICA, INC.
GNSJRKWG2082GB-082Courtesy of NISSAN NORTH AMERICA, INC.
GNSJRKWG2083GB-083Courtesy of NISSAN NORTH AMERICA, INC.
GNSJRKWG2084GB-084Courtesy of NISSAN NORTH AMERICA, INC.
GNSJRKWG2085GB-085Courtesy of NISSAN NORTH AMERICA, INC.