LEMON Manuals: Even more car manuals for everyone: 1960-2025
Home >> Infiniti >> 2018 >> QX30 Base >> Repair and Diagnosis >> Engine Performance >> Testing & Diagnosis >> Engine Control System (Introduction) >> System Description >> System >> Thermal Management Control >> System Description >> Coolant Thermostat Control
April 5, 2026: LEMON Manuals is launched! Read the announcement.

Coolant Thermostat Control

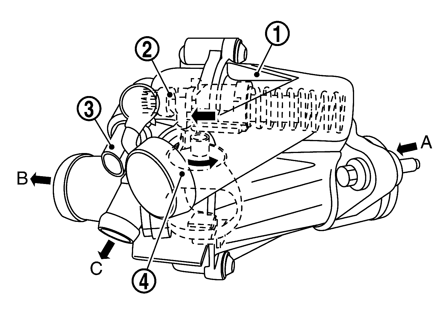
Reacting to coolant temperature, wax in the wax element expands or contracts. This opens and closes the ball rotary valve in the coolant thermostat housing. [Temperature range: approx. 98 - 108 deg.C (208.4 - 226.4 deg.F)] Furthermore, by distributing power to the coolant thermostat heater element, the ball rotary valve is opened and closed according to engine requests. ECM controls the thermostat heater element by closing the circuit according to the operating conditions (characteristics map).The coolant thermostat operates as follows, according to coolant temperature and control performed by ECM.

Close 

The ball rotary valve is closed under the following conditions.

In the closed position, coolant circulates in the engine. Coolant flows to the heater core, if necessary, but not to radiator. This increases coolant temperature rapidly and accelerates warm-up, improving fuel economy and reducing toxic exhaust gas.

GNSJSBIA5091Z-091Courtesy of NISSAN NORTH AMERICA, INC.

SYMBOL

Coolant thermostat housing

SYMBOL

Wax element

SYMBOL

Coolant thermostat heater element

SYMBOL

Ball rotary valve

A

From engine

B

To radiator

C

To heater heat exchanger

Start Opening (Mix mode) 

The ball rotary valve opens according to the following conditions.

In the range of coolant temperature approximately 98 deg.C - 108 deg.C (208.4 deg.F - 226.4 deg.F), the wax in wax element SYMBOL is expanded or the wax element is heated by distributing power to coolant thermostat heater element SYMBOL . This opens ball rotary valve SYMBOL and coolant flows to the radiator. The degree of the opening of ball rotary valve changes according to wax temperature or coolant temperature. This adjusts the coolant flow to the radiator.

GNSJSBIA5092Z-092Courtesy of NISSAN NORTH AMERICA, INC.

SYMBOL

Coolant thermostat housing

A

From engine

B

To radiator

C

To heater heat exchanger

Open (Cooler Mode) 

When coolant temperature is 108 deg.C (226.4 deg.F) or more, the ball rotary valve opens fully, allowing the maximum amount of coolant to flow to the radiator.

When coolant temperature is 85 deg.C (185 deg.F) or more under the full load request condition, ECM fully opens the ball rotary valve by controlling the thermostat heater element to heat the wax element. Accordingly, the maximum amount of coolant flows to the radiator.

Under the following conditions, coolant temperature is adjusted to prevent it from reaching the hazardous temperature range.

ECM circulates coolant to the radiator to lower the coolant temperature by controlling the coolant thermostat heater element and opening the ball rotary valve according to ambient temperature. When ambient temperature is less than 12 deg.C, ECM adjusts coolant temperature at approximately 90 deg.C (194 deg.F). When ambient temperature is 12 deg.C (53.6 deg.F) or more, ECM adjust coolant temperature at approximately 80 deg.C (176 deg.F).