LEMON Manuals: Even more car manuals for everyone: 1960-2025
Home >> Infiniti >> 2018 >> QX30 Base >> Repair and Diagnosis >> External Pages >> Different car >> Section 60 (Chassis Control) >> Chassis Control >> System Description >> System >> Circuit Diagram >> Models With Digital Motion Control
April 5, 2026: LEMON Manuals is launched! Read the announcement.

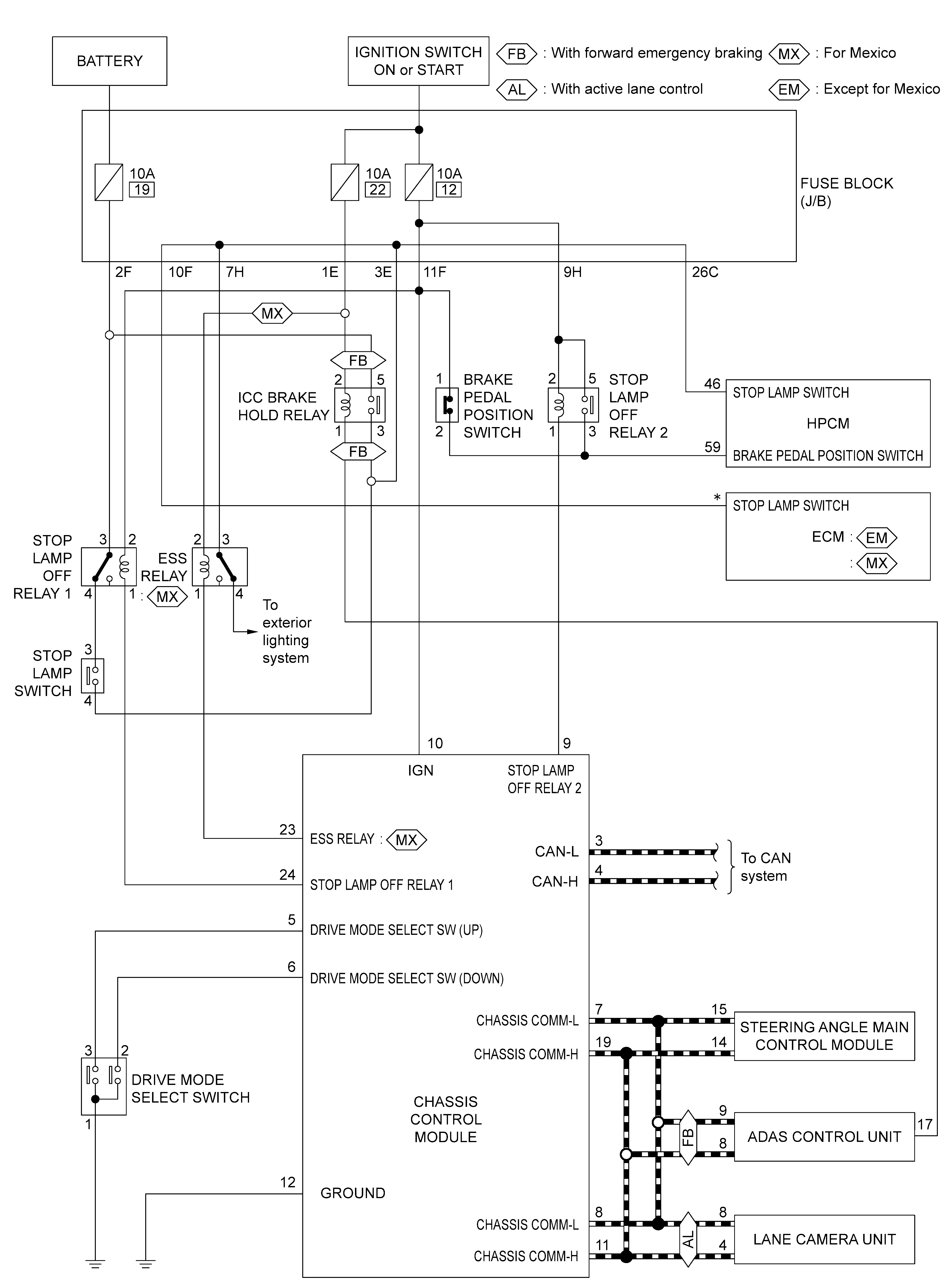
Models With Digital Motion Control

WARNING: This page is about a different car, the 2018 Infiniti Q60. However, it is still accessible from the selected car via links, so may be relevant.
GNSILL0153282-282Courtesy of NISSAN NORTH AMERICA, INC.