LEMON Manuals: Even more car manuals for everyone: 1960-2025
Home >> Infiniti >> 2018 >> QX30 Base >> Repair and Diagnosis >> External Pages >> Different car >> Section 86 (ADAS Control Unit) >> System Description >> System >> Circuit Diagram >> VR30DDTT
April 5, 2026: LEMON Manuals is launched! Read the announcement.

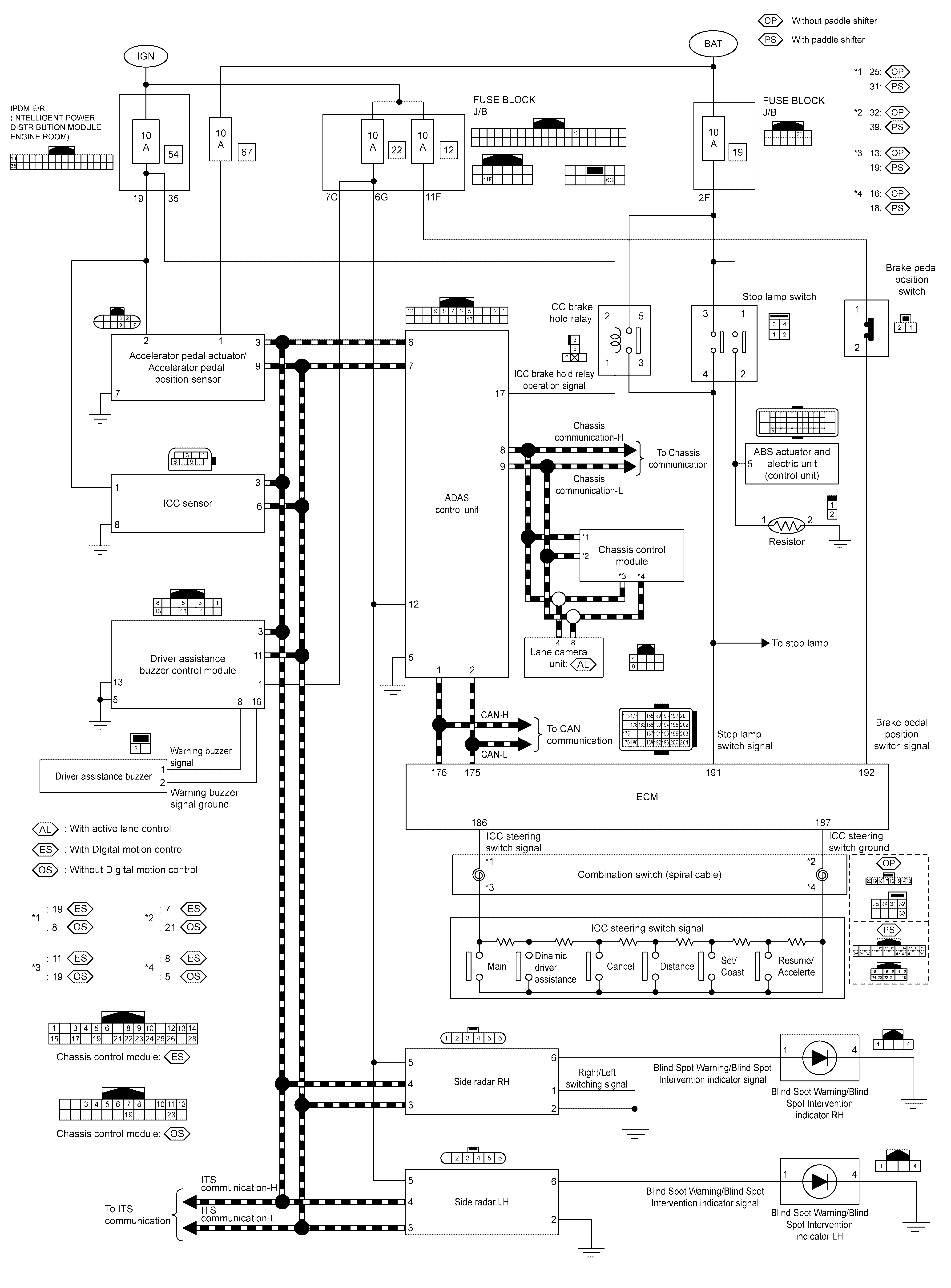
Circuit Diagram: VR30DDTT

WARNING: This page is about a different car, the 2018 Infiniti Q60. However, it is still accessible from the selected car via links, so may be relevant.
GNSILL0119395-395Courtesy of NISSAN NORTH AMERICA, INC.