LEMON Manuals: Even more car manuals for everyone: 1960-2025
Home >> Infiniti >> 2018 >> QX30 Essential, AWD >> Repair and Diagnosis >> External Pages >> Different car >> Section 48 (Engine Control System (Introduction) (2.0L)) >> System Description >> System >> Circuit Diagram
April 5, 2026: LEMON Manuals is launched! Read the announcement.

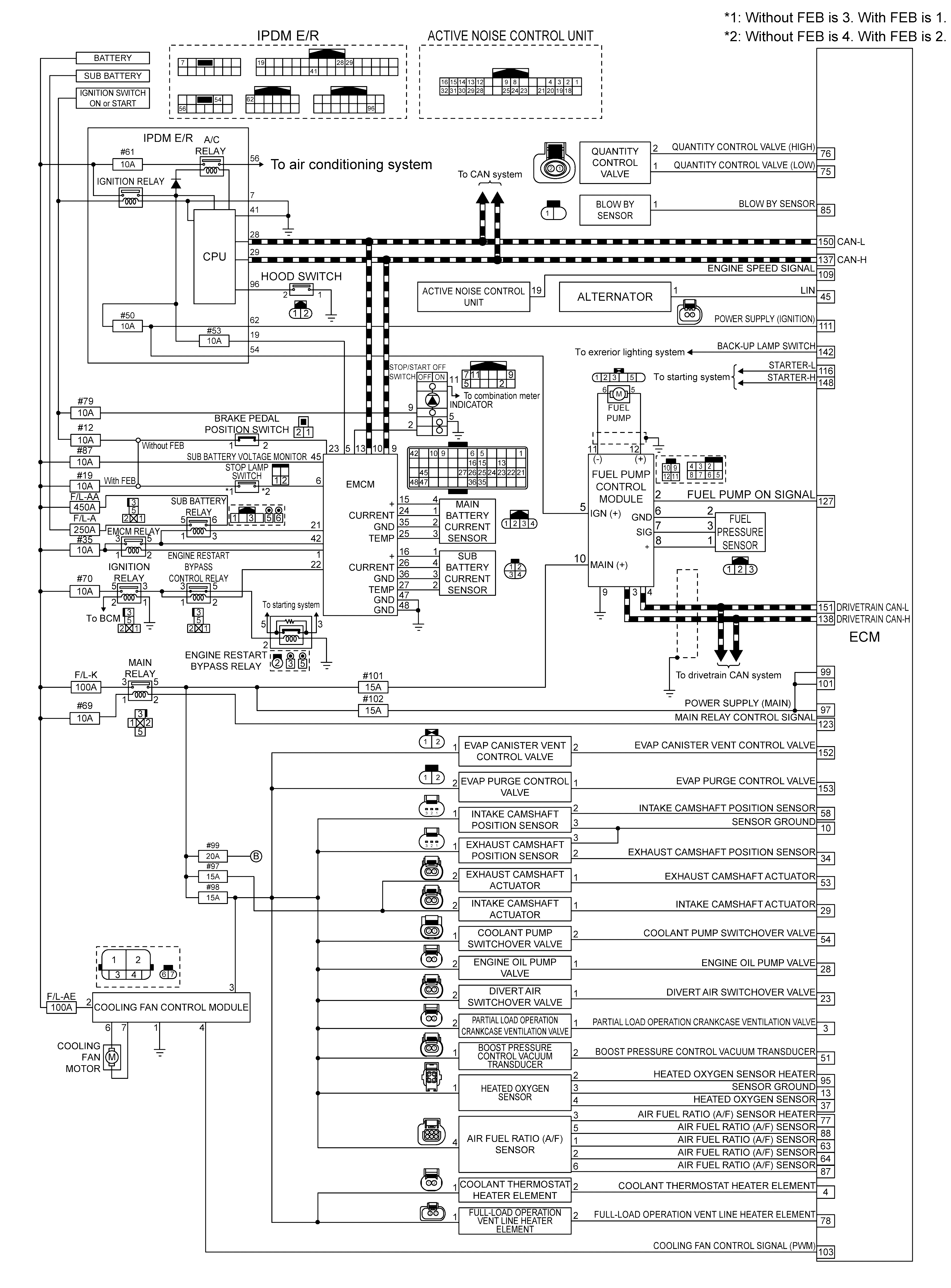
Circuit Diagram

WARNING: This page is about a different car, the 2018 Infiniti Q60. However, it is still accessible from the selected car via links, so may be relevant.
GNSJSBIB1383GB-383Courtesy of NISSAN NORTH AMERICA, INC.
GNSJSBIB1384GB-384Courtesy of NISSAN NORTH AMERICA, INC.