LEMON Manuals: Even more car manuals for everyone: 1960-2025
Home >> Infiniti >> 2018 >> QX60 AWD >> Repair and Diagnosis >> Electrical >> Starter >> Starting System >> System Description >> Starting System >> System Diagram
April 5, 2026: LEMON Manuals is launched! Read the announcement.

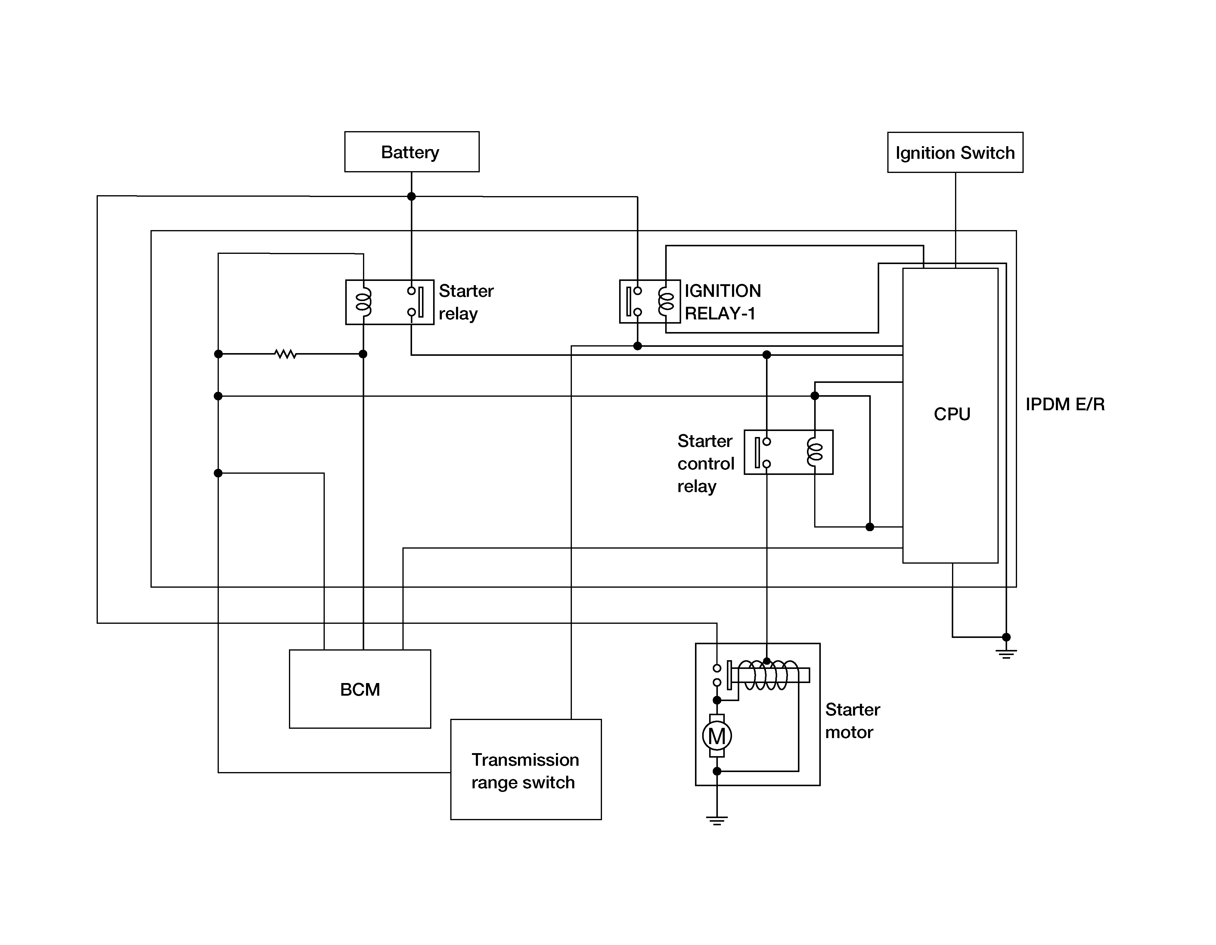
System Diagram

GNSAWBIA2907GB-907Courtesy of NISSAN NORTH AMERICA, INC.